Запчасти Case 1187 (297A) - SWING GEAR SPRAY LUBRICATOR (04) - UNDERCARRIAGE

Схема запчастей Case 1187 - (297A) - SWING GEAR SPRAY LUBRICATOR (04) - UNDERCARRIAGE
FIT
1:1
100%

Артикул

Название

Примечание

Количество

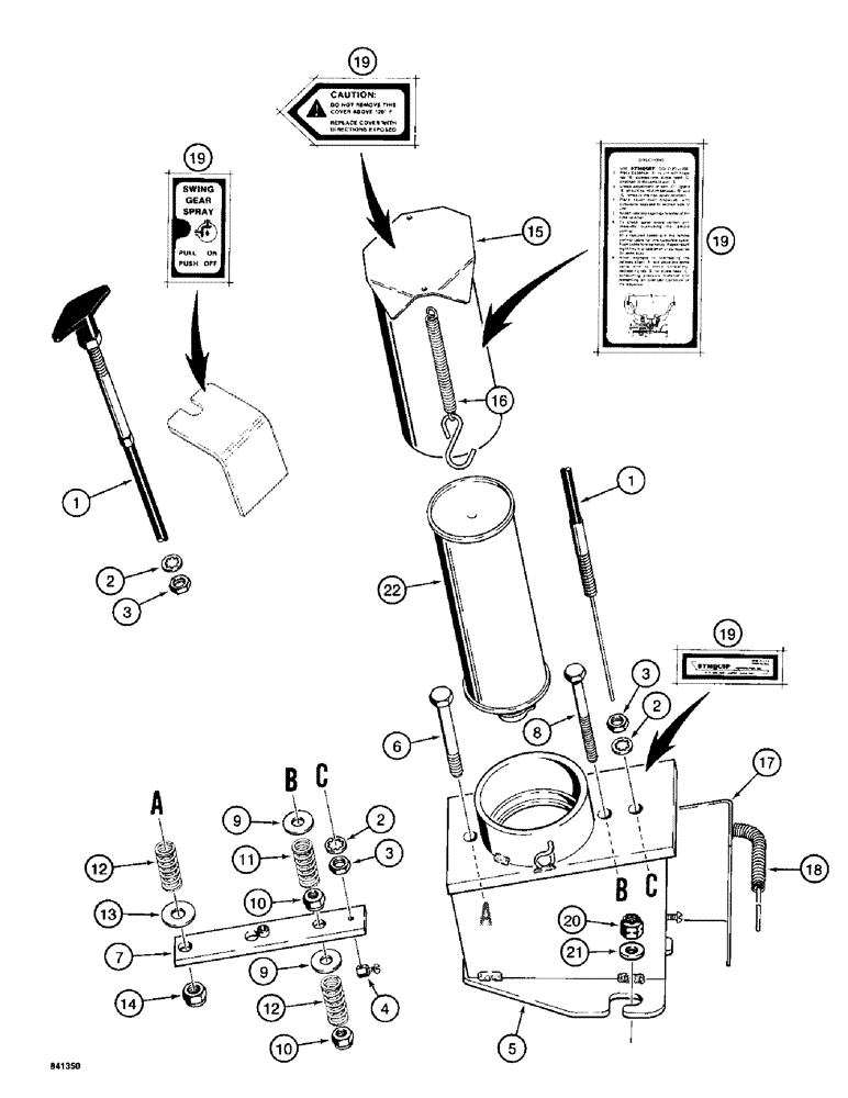
1

N9488

CABLE ASSY.

CABLE ASSEMBLY - remote control, Includes: Ref. 2 - 4

1шт.

2

193-68

LOCK WASHER,Int Tooth, 3/8"

WASHER, LOCK, Int Tooth, 3/8"

3шт.

3

86585245

SPECIAL NUT,JAM, 5/8" - 18

JAM NUT - 3/8" - 24 NF

3шт.

4

N9489

STOP

COLLAR ASSEMBLY - cable stop

1шт.

5

NSS

NOT SOLD SEPARAT

FRAME - lubricator

1шт.

6

113-241

BOLT,Hex, 3/8" - 16 x 3", Gr 5

Welds to frame Hex, 3/8"-16 x 3", G5

1шт.

7

N9491

ARM

- spray control

1шт.

8

113-116

BOLT,Hex, 5/16" - 18 x 3-1/2", SST

- hex head, 5/16" - 18 NC x 3-1/2"

1шт.

9

195-103

WASHER,5/16"

- flat, 5/16"

2шт.

10

131-462

NUT,5/16"-18

NUT - hex, self-locking, 5/16" - 18 NC

2шт.

11

N9492

SPRING

- heavy

1шт.

12

N9493

SPRING

- light

2шт.

13

195-104

WASHER,3/8"

- flat, 3/8"

1шт.

14

131-463

NUT,3/8"-16

NUT - hex, self-locking, NC 3/8"-16

1шт.

15

N9494

HOUSING

TUBE - spray can container

1шт.

16

N9495

SPRING

AND HOOK - tube lid

1шт.

17

N9496

DOOR

- lower frame

1шт.

18

N9497

SPRING

AND HOOK - door

1шт.

19

N9498

KIT

- decal, swing gear spray lubricator, includes four decals

1шт.

20

131-52

NUT,3/8"-16, GC

NUT - hex, self-locking, 3/8" - 16 NC

2шт.

21

196-5

WASHER,13/32" x 1 1/16" x .095", HDN

- flat, 3/8", hardened

2шт.

22

331-437

LUBRICANT

- swing gear, 20 oz. spray can, Symquip no. OLGD-20

1шт.

Выбрано товаров: 22