Запчасти Case 1187 (098) - WINDSHIELD WIPER (05) - UPPERSTRUCTURE CHASSIS

Схема запчастей Case 1187 - (098) - WINDSHIELD WIPER (05) - UPPERSTRUCTURE CHASSIS
FIT
1:1
100%

Артикул

Название

Примечание

Количество

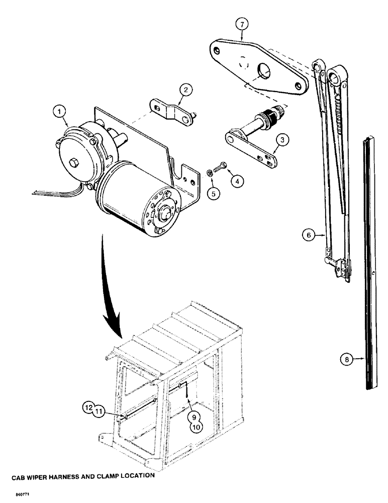
1

S238099

MOTOR

- wiper, 24 volt

1шт.

2

A36091

ARM

- wiper drive

1шт.

3

D72848

SHAFT

AND PIVOT ASSEMBLY - wiper arm

1шт.

4

114-5

BOLT,Hex, 1/4" - 28 x 3/4", Gr 5

- hex head, 1/4" - 20 NC x 3/4"

2шт.

5

192-19

LOCK WASHER,Helical Spring, 0.256" ID, CST, ZND

WASHER, LOCK, 1/4"

2шт.

6

L35260

ARM

- wiper

1шт.

7

S225154

KIT

ADAPTER - wiper arm and, Serial Range: shaft-windshield

1шт.

8

F43938

WIPER BLADE

BLADE - wiper

1шт.

9

S242676

HARNESS

WIRING HARNESS - windshield wiper (replaces S240413)

1шт.

Replaced by S242676

1шт.

10

223-158

ROD, CONNECTING

TERMINAL - connector

1шт.

11

A62209

CLAMP,5/16", Insul, 1/4" Bolt

- wiring harness

7шт.

12

187-1507

SELF-TAP SCREW,Hex Hd, #10 x 3/8"

SCREW - self-tapping, no. 10-24 NC x 3/8"

7шт.

Выбрано товаров: 13