Запчасти Case 1187 (282) - HAND LEVER CONTROLS (05) - UPPERSTRUCTURE CHASSIS

Схема запчастей Case 1187 - (282) - HAND LEVER CONTROLS (05) - UPPERSTRUCTURE CHASSIS
FIT
1:1
100%

Артикул

Название

Примечание

Количество

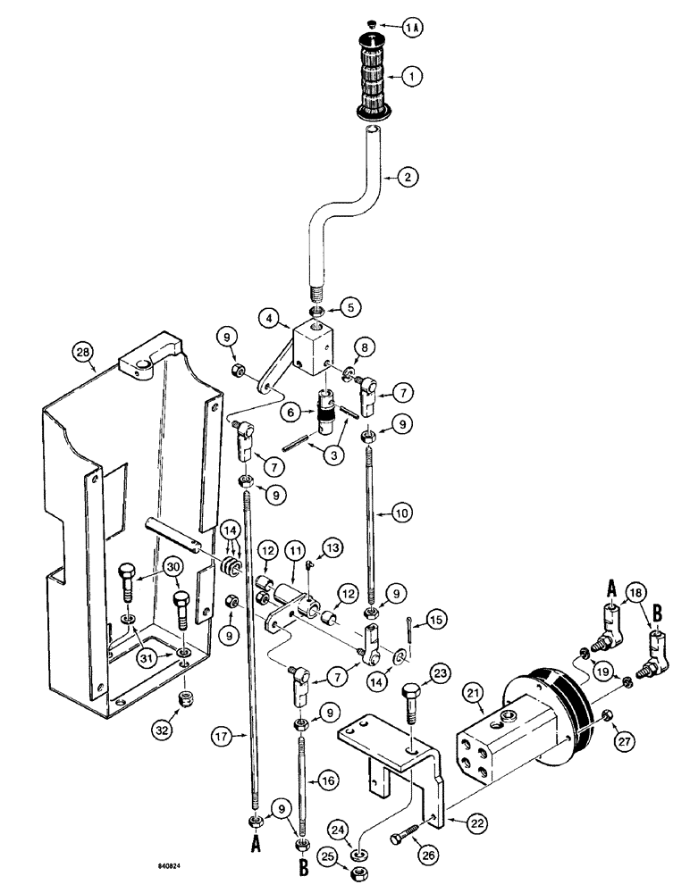
1

S119987

GRIP

- control lever

2шт.

1a

353-406

PLUG,Dome, .625" hole, Nylon

- lever grip, if used

2шт.

2

S514719

HANDLE

CONTROL LEVER - right-hand and left-hand

2шт.

3

138-136

LOCK PIN,1/4" x 1 1/4", Slotted

PIN, 1/4" x 1 1/4", Slotted

4шт.

4

S516609

HANDLE

BLOCK - pivot, lever

2шт.

5

425-1410

JAM NUT,Jam, 5/8"-11, G5

JAM NUT - hex, 5/8" - 11 NC

2шт.

6

S242118

SWIVEL CONNECTION

UNIVERSAL JOINT - control lever

2шт.

7

S236680

BALL JOINT

- control lever

8шт.

8

192-21

LOCK WASHER,3/8"

WASHER, LOCK, 3/8"

2шт.

9

86585245

SPECIAL NUT,JAM, 5/8" - 18

JAM NUT - hex, 3/8" - 24 NF

18шт.

10

S91953

ROD

- control lever, ball, Serial Range: joint-bellcrank

2шт.

11

S242224

LINK ASSY.

BELLCRANK ASSEMBLY - lever control, Includes: Ref. 12 and 13

2шт.

12

A27801

BUSHING

- bellcrank

2шт.

13

219-55

LUBE NIPPLE,90 Degree Elbow, 1/8" - 27 NPTF

NIPPLE, LUBE, 90º, 1/8" NPT x .84" lg

1шт.

14

195-33

WASHER,1/2"

- flat, 9/16"

8шт.

15

132-48

COTTER PIN,1/8" x 1"

PIN, Split (Cotter), 1/8" x 1"

2шт.

16

S80385

ROD

- control lever, bellcrank to control valve

2шт.

17

S120445

ROD

- control lever, pivot block to control valve

2шт.

18

S242234

BALL JOINT

- rod end at control valves

4шт.

19

192-24

LOCK WASHER,9/16"

WASHER, LOCK, 9/16"

4шт.

20

S516632

VALVE

CONTROL VALVE - hand lever, right-hand, parts list Figure 230

1шт.

21

S516631

VALVE

CONTROL VALVE - hand lever, left-hand, parts list Figure 230

1шт.

22

S514596

BRACKET

- mounting, control valve

2шт.

23

113-233

BOLT,Hex, 3/8" - 16 x 1-3/4", Gr 5

6шт.

24

196-5

WASHER,13/32" x 1 1/16" x .095", HDN

- flat, 3/8", hardened

6шт.

25

131-52

NUT,3/8"-16, GC

NUT - hex, self-locking, 3/8" - 16 NC

6шт.

26

113-4

BOLT,Hex, 1/4" - 20 x 1", Gr 5

6шт.

27

86625061

NUT,1/4"-20, GB

NUT - hex, self-locking, 1/4" - 20 NC

6шт.

28

S615728

SUPPORT

- hand control, left-hand

1шт.

29

S615677

SUPPORT

- hand control, right-hand

1шт.

30

113-209

BOLT,Hex, 3/8" - 16 x 1-1/2", Gr 5

6шт.

31

195-104

WASHER,3/8"

- flat, 7/16"

6шт.

32

131-52

NUT,3/8"-16, GC

NUT - hex, self-locking, 3/8" - 16 NC

6шт.

Выбрано товаров: 33