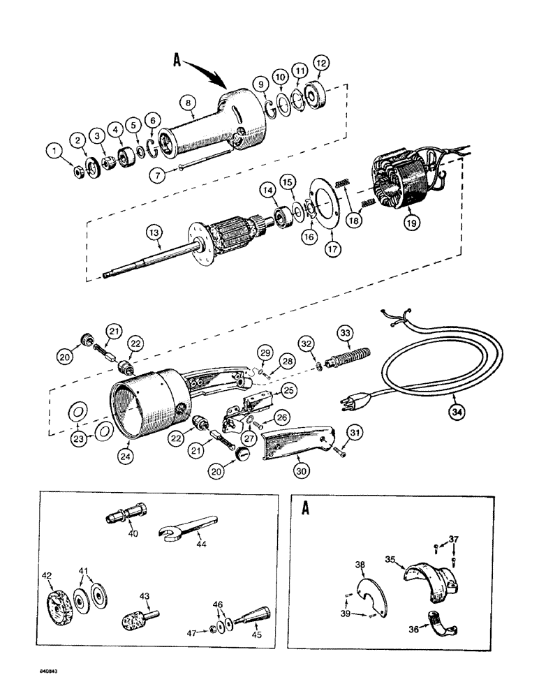
Запчасти Case 1187 (338) - ROTARY CUTTER TOOL GRINDER (05) - UPPERSTRUCTURE CHASSIS

Схема запчастей Case 1187 - (338) - ROTARY CUTTER TOOL GRINDER (05) - UPPERSTRUCTURE CHASSIS
FIT
1:1
100%

Артикул

Название

Примечание

Количество

S240651

GRINDER

ASSEMBLY - tool, Includes: Ref. 1 - 39

1шт.

1

S110196

NUT - spindle

1шт.

2

S110197

COVER - bearing

1шт.

3

S110198

SPACER - bearing

1шт.

4

S110199

BALL BEARING - spindle, outer

1шт.

5

S116817

WASHER - special

1шт.

6

S110201

RETAINING RING - bearing

1шт.

7

S110202

SCREW - special, housing

2шт.

8

S233262

HOUSING - grinder, spindle end

1шт.

9

D61943

SNAP RING,0.25", Int, #25

RING, Snap, , brg 0.25", Int, #25

1шт.

10

S110204

WASHER - retaining ring

1шт.

11

N60376

SPRING - wave type

1шт.

12

S110206

BALL BEARING - spindle, inner

1шт.

13

S233263

ARMATURE AND SPINDLE ASSEMBLY - grinder

1шт.

14

S110207

BALL BEARING - armature, inner

1шт.

15

S110208

WASHER - special

1шт.

16

S110209

SPRING - wave type

1шт.

17

S110210

PLATE - cover, coil

1шт.

18

S110211

SPRING - cover, Serial Range: plate-coil

2шт.

19

S233264

COIL ASSEMBLY - field

1шт.

20

S110213

PLUG - brush holder, replace in pairs

2шт.

21

S233266

BRUSH ASSEMBLY - carbon, armature, replace in pairs

2шт.

22

S110214

HOLDER - brush, replace in pairs

2шт.

23

S110212

WASHER - fiber, at brush holder

2шт.

24

S233265

HOUSING - grinder, handle end

1шт.

25

N60377

SWITCH - grinder, off-on

1шт.

26

S110218

SCREW - special, switch retaining

1шт.

27

N60378

WASHER - lock, external tooth

1шт.

28

S110215

SCREW - ground, Serial Range: cord-housing

1шт.

29

S110217

WASHER - lock, external tooth

1шт.

30

S110220

COVER - handle

1шт.

31

S110221

SCREW - handle cover

2шт.

32

S110222

RING - strain relief

1шт.

33

S110223

GUARD - cord, spring type

1шт.

34

S233267

CORD ASSEMBLY - electrical

1шт.

S233268

GUARD ASSY.

GUARD ASSEMBLY - grinder, Includes: Ref. 35 - 39

1шт.

35

S110225

GUARD - grinder wheel

1шт.

36

S110227

CLAMP - wheel guard

1шт.

37

S110226

SCREW -, Serial Range: clamp-guard

2шт.

38

S110228

PLATE - wheel guard

1шт.

39

169-73

SCREW,Fil Hd, #8 - 32 x 1/4"

MACHINE SCREW - Fillister head, no. 8 - 32 NC x 1/2"

2шт.

40

S110233

HOLDER

CHUCK - grinder, 1/4" capacity

1шт.

41

S110232

COLLAR

- grinder wheel

2шт.

42

S110230

WHEEL - grinder, flat

1шт.

43

S110231

WHEEL

- mounted, round end

1шт.

44

S116824

WRENCH - arbor

2шт.

S233269

TOOL ASSY.

ARBOR ASSEMBLY - wheel

1шт.

45

S110234

NUT

ARBOR - wheel

1шт.

46

S110235

COLLAR

- arbor

2шт.

47

S110236

TOOL

NUT - arbor

1шт.

Выбрано товаров: 50