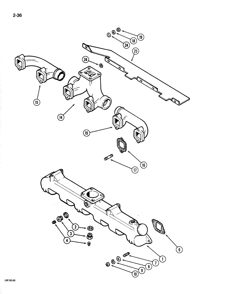
Запчасти Case 1187B (2-36) - INTAKE MANIFOLD, 504BDT ENGINE (02) - ENGINE

Схема запчастей Case 1187B - (2-36) - INTAKE MANIFOLD, 504BDT ENGINE (02) - ENGINE
FIT
1:1
100%

Артикул

Название

Примечание

Количество

1

A154446

MANIFOLD

ASSEMBLY - intake, Includes: Refs. 2-4

1шт.

2

A20916

MANIFOLD GASKET

GASKET - plug

2шт.

3

L10283

PLUG

- heater opening

2шт.

4

221-849

PLUG,Hex Soc, 1/8"-27

- pipe, hex socket head, 1/8 inch PT

2шт.

221-849: PLUG (1/8 INCH). SEE NCRSB01992

1шт.

6

A58662

MANIFOLD GASKET

-, Serial Range: manifold-head

6шт.

7

A59077

STUD

- manifold to head, 3/8 NC x 1-3/4 inch

12шт.

8

195-525

WASHER,3/8", SAE

- 3/8 x 13/16 x 1/16 inch

12шт.

9

492-11038

LOCK WASHER,3/8"

12шт.

492-11038: LOCK WASHER. SEE EBTSB00795; NCRSB00495, NCRSB02194; NSESB00193, NSESB00295, NSESB02395; NSESL00696; NA #6-1995

1шт.

10

25-166

NUT,3/8"-16, G5, Hvy

- hex, 3/8 inch NC

12шт.

14

A76322

MANIFOLD

- center section, exhaust

1шт.

15

A65917

MANIFOLD

- end section, exhaust

2шт.

16

A58895

GASKET

- manifolds to head, exhaust

6шт.

17

A140924

STUD

- manifolds to head, 3/8 NC x 2-7/16 inch, exhaust

12шт.

A140924: STUD. SEE T/S10-93

1шт.

18

492-11038

LOCK WASHER,3/8"

exhaust manifold 3/8"

12шт.

19

131-903

NUT,3/8"-16

NUT - hex, Seez-Pruf, 3/8 inch NC, exhaust manifold

12шт.

23

A76351

GUARD

SHIELD - heat, exhaust manifold

1шт.

A76351: SHIELD. SEE T/S429-90, T/S43-91

1шт.

24

195-525

WASHER,3/8", SAE

- 3/8 x 13/16 x 1/16 inch, exhaust manifold

6шт.

Выбрано товаров: 21