Запчасти Case 1187B (2-48) - CRANKSHAFT AND FLYWHEEL, 504BDT ENGINE (02) - ENGINE

Схема запчастей Case 1187B - (2-48) - CRANKSHAFT AND FLYWHEEL, 504BDT ENGINE (02) - ENGINE
FIT
1:1
100%

Артикул

Название

Примечание

Количество

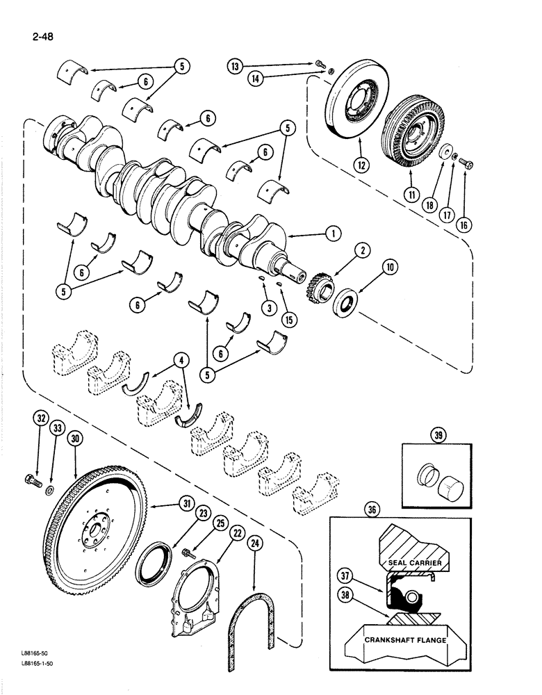
1

A77270

CRANKSHAFT

ASSEMBLY - engine, Includes: Refs. 2, 3

1шт.

A77270: CRANKSHAFT. SEE NA #4-82, NA #9-1987, NA #10-82; T/S #217-93, T/S #428-87D

1шт.

2

A66404

GEAR

- timing

1шт.

A66404: GEAR (TIMING). SEE T/S #24-96

1шт.

3

126-129

WOODRUFF KEY,#C, 5/16" x 1 1/8", HT

1шт.

4

A58565

WASHER

- thrust, standard 0.156 inch

2шт.

A58565: WASHER (THRUST-STD). SEE CR07-85

1шт.

4

A42447

WASHER

- thrust, oversize 0.162 inch

2шт.

5

A43090

BEARING LINER

INSERT - wide bearing, standard

4шт.

A43090: INSERT (WIDE BRNG-STD). SEE T/S #400-92

1шт.

5

A43124

LINING

INSERT - wide bearing, 0.002 inch undersize

4шт.

5

A43125

CRANKSHAFT BEARING

INSERT - wide bearing, 0.010 inch undersize

4шт.

5

A43126

LINING

INSERT - wide bearing, 0.020 inch undersize

4шт.

5

A43127

LINING

INSERT - wide bearing, 0.030 inch undersize

4шт.

6

A43089

BEARING LINER

INSERT - narrow bearing, standard

3шт.

A43089: INSERT (NARROW BRNG-STD). SEE NA #9-1990; T/S #459-90D

1шт.

6

A43120

LINING

INSERT - narrow bearing, 0.002 inch undersize

3шт.

6

A43121

SET OF CONN ROD BRGS STD

INSERT - narrow bearing, 0.010 inch undersize

3шт.

A43121: INSERT (NARROW BRNG-.010 IN. NDRSZ). SEE NA #9-90; T/S #481-90

1шт.

6

A43122

LINING

INSERT - narrow bearing, 0.020 inch undersize

3шт.

6

A43123

SET OF CONN ROD BRGS STD

INSERT - narrow bearing, 0.030 inch undersize

3шт.

A43123: INSERT (NARROW BRNG-.030 IN. NDRSZ). SEE T/S #465-92

1шт.

10

A157044

OIL SEAL,63.78mm ID x 92.2mm OD x 9.91mm Thk

- oil, front

1шт.

11

A166050

PULLEY

- belt drive

1шт.

12

A157010

HITCH DAMPER

DAMPER - pulley

1шт.

13

26-620

BOLT,Hex, 3/8" - 16 x 1-1/4", Gr 8

6шт.

14

A50820

WASHER

- hardened, 3/4 inch

5шт.

15

126-129

WOODRUFF KEY,#C, 5/16" x 1 1/8", HT

1шт.

16

114-613

BOLT,Hex, 5/8" - 18 x 1-1/2", Gr 5

- pulley, hex, 5/8 NF x 1-1/2 inch

1шт.

17

492-11062

BEARING WASHER,5/8"

WASHER, LOCK, 5/8"

1шт.

492-11062: WASHER. SEE NA #9-1993; NSESB01295, NSESL00696; T/S #101-94C

1шт.

18

A156428

WASHER

- retainer, 2-1/8 inch

1шт.

22

A57457

RETAINER

- rear oil seal

1шт.

23

A62050

OIL SEAL

- oil, rear (See Ref. 36)

1шт.

24

A32830

GASKET

-, Serial Range: retainer-block

1шт.

25

193-554

SCREW,SEMS, Hex Hd, 3/8"-16 x 1 1/4", G5

BOLT - hex, sems, 3/8 NC x 1-1/4 inch

5шт.

30

A58683

FLYWHEEL

ASSEMBLY, Includes: Ref. 31

1шт.

31

A27920

GEAR

- ring, 137 teeth

1шт.

32

28-1024

BOLT,Hex, 5/8" - 18 x 1-1/2", Gr 8

- hex, 5/8 NF x 1-1/2 inch, Grade 8

6шт.

33

A58629

BEARING WASHER,16.66mm ID x 25.4mm OD x 3.04mm Thk

WASHER - flywheel bolt, hardened, 1 inch

6шт.

A58629-WASHER. SEE SB A13-75

1шт.

36

A43194

KIT

- wear, rear oil seal, Includes: Refs. 37, 38

1шт.

37

NSS

NOT SOLD SEPARAT

SEAL - oil

1шт.

38

NSS

NOT SOLD SEPARAT

SLEEVE - wear

1шт.

39

A154684

SLEEVE

KIT - wear, pulley sleeve

1шт.

A154684: KIT (WEAR). SEE NA #5-81; SB #A10-81

1шт.

Выбрано товаров: 46