Запчасти Case 1187B (4-126) - WINDSHIELD WIPER (04) - ELECTRICAL SYSTEMS

Схема запчастей Case 1187B - (4-126) - WINDSHIELD WIPER (04) - ELECTRICAL SYSTEMS
FIT
1:1
100%

Артикул

Название

Примечание

Количество

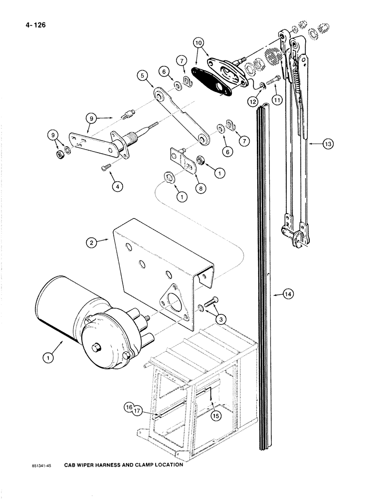
S516919

MOTOR

ASSEMBLY - wiper, 24 volt, Includes: Refs. 1-7

1шт.

1

F93654

WIPER MOTOR

MOTOR - wiper, 24 volt

1шт.

2

D72850

BRACKET

- motor

1шт.

3

D72849

SCREW

-, Serial Range: bracket-motor

3шт.

4

F44456

SCREW,0.19" - 32 x 3 3/4"

-, Serial Range: bracket-arm

2шт.

5

D71427

LINK,85.85mm L

- wiper

1шт.

6

A22431

WASHER

- spacer

2шт.

7

D71414

CLIP

- spring

2шт.

8

A36091

ARM

- wiper drive

1шт.

9

D72848

SHAFT

AND PIVOT ASSEMBLY - wiper arm

1шт.

10

S225154

KIT

ADAPTER - wiper arm and, Serial Range: shaft-windshield

1шт.

11

114-5

BOLT,Hex, 1/4" - 28 x 3/4", Gr 5

- hex head, 1/4" - 28 NF x 3/4", plated

2шт.

12

192-19

LOCK WASHER,Helical Spring, 0.256" ID, CST, ZND

WASHER, LOCK, 1/4"

2шт.

13

L35260

ARM

- wiper

1шт.

14

F43938

WIPER BLADE

BLADE - wiper

1шт.

15

S242676

HARNESS

- electrical, windshield wiper

1шт.

16

A62209

CLAMP,5/16", Insul, 1/4" Bolt

- wiring harness

7шт.

17

187-1507

SELF-TAP SCREW,Hex Hd, #10 x 3/8"

SCREW - hex head, self-tapping, No. 10 - 24 NC x 3/8"

7шт.

Выбрано товаров: 18