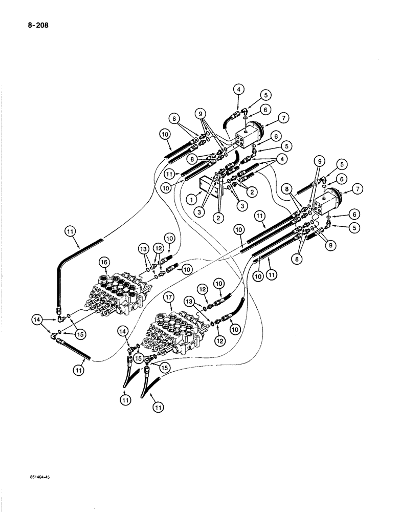
Запчасти Case 1187B (8-208) - HYDRAULIC CIRCUIT FOR CONTROLS, FOOT PEDAL CONTROL VALVE LINES (08) - HYDRAULICS

Схема запчастей Case 1187B - (8-208) - HYDRAULIC CIRCUIT FOR CONTROLS, FOOT PEDAL CONTROL VALVE LINES (08) - HYDRAULICS
FIT
1:1
100%

Артикул

Название

Примечание

Количество

1

S236862

BLOCK

MANIFOLD - control circuits, see Figure 8-206 for manifold lines to solenoid valve and attaching hardware

1шт.

2

218-5057

HYD CONNECTOR,9/16" - 18 JIC x 9/16" - 18 ORB

ADAPTER - straight, manifold ports, Incl. Ref. 3

4шт.

4

S241217

HOSE ASSY.

HOSE - 21" (533 mm) long, to foot pedal control valves

4шт.

5

218-5105

ELBOW,90 Degree Elbow, 9/16" - 18 Male JIC x 9/16" - 18 Male ORB

- 90 degree, at foot pedal control valves, Includes: Ref. 6

4шт.

7

REF

INSTRUCTION

VALVE ASSEMBLY - control, foot pedal, see Figures 8-276 and 8-278 for correct valve and components

2шт.

8

218-5057

HYD CONNECTOR,9/16" - 18 JIC x 9/16" - 18 ORB

ADAPTER - straight, control valve ports, Incl. Ref. 9

8шт.

10

S241221

HOSE ASSY.

HOSE - 80" (2032 mm) long, to control valves

4шт.

11

S241222

HOSE ASSY.

HOSE - 100" (2540 mm) long, to control valves

4шт.

12

218-5057

HYD CONNECTOR,9/16" - 18 JIC x 9/16" - 18 ORB

ADAPTER - straight, inside and outside control valves, Incl. Ref. 13

4шт.

14

218-5105

ELBOW,90 Degree Elbow, 9/16" - 18 Male JIC x 9/16" - 18 Male ORB

- 90 degree, inside and outside control valves, Includes: Ref. 15

4шт.

16

S516350

VALVE

ASSEMBLY - control, outside, parts list Figure 8-268

1шт.

17

S516349

VALVE

ASSEMBLY - control, inside, parts list Figure 8-266

1шт.

S120857 Kit to eliminate cavitation on the motor in the track drive circuit.

1шт.

3

237-6006

O-RING,0.078" Thk x 0.468" ID, -906, Cl 6, 90 Duro

6-1, 90 Duro, .468" ID x .078" Thk, Adapter

1шт.

6

237-6006

O-RING,0.078" Thk x 0.468" ID, -906, Cl 6, 90 Duro

6-1, 90 Duro, .468" ID x .078" Thk, Elbow

1шт.

9

237-6006

O-RING,0.078" Thk x 0.468" ID, -906, Cl 6, 90 Duro

6-1, 90 Duro, .468" ID x .078" Thk, Adapter

1шт.

13

237-6006

O-RING,0.078" Thk x 0.468" ID, -906, Cl 6, 90 Duro

6-1, 90 Duro, .468" ID x .078" Thk, Adapter

1шт.

15

237-6006

O-RING,0.078" Thk x 0.468" ID, -906, Cl 6, 90 Duro

6-1, 90 Duro, .468" ID x .078" Thk, Elbow

1шт.

Выбрано товаров: 18