Запчасти Case 1187C (2-42) - CYLINDER BLOCK, 6T-830 ENGINE, SIX PISTON COOLING NOZZLES PRIOR TO ENGINE S/N 44487830 (02) - ENGINE

Схема запчастей Case 1187C - (2-42) - CYLINDER BLOCK, 6T-830 ENGINE, SIX PISTON COOLING NOZZLES PRIOR TO ENGINE S/N 44487830 (02) - ENGINE
FIT
1:1
100%

Артикул

Название

Примечание

Количество

A174313

ENGINE ASSEMBLY

- complete, includes all parts except: starter, alternator, fan, fan belt, air cleaner, muffler and exhaust pipe, uses Ref. 1, piston sleeve and Ref. 3, piston (stamped 8749) shown on Figure 2-56

1шт.

JR912531

ENGINE, EXCHANGE

BLOCK ASSEMBLY - short, remanufactured, North America only, Includes: Ref. 2 - 8

1шт.

JC912531

CORE-SHORT ENGINE

RETURN NUMBER - use this part number to return block core for credit when using a remanufactured assembly, Includes: Ref. 2 - 8

1шт.

J912531

SKELETON ENGINE

BLOCK ASSEMBLY - short, includes stripped block, pistons, connecting rods and bearings, crankshaft and bearings, Includes: Ref. 2 - 8

1шт.

Order the components of P/N J909415 hardware kit when ordering P/N J912531 block assembly or P/N J911898 stripped block.

1шт.

JR911898

ENGINE, EXCHANGE

BLOCK ASSEMBLY - stripped, remanufactured, North America only, componet pats shown on this Figure do not apply to the remanufactured assembly, Includes: Ref. 2 - 8

1шт.

JC911898

SKELETON ENGINE

RETURN NUMBER - use this part number to return block core for credit when using a remanufactured assembly, Includes: Ref. 2 - 8

1шт.

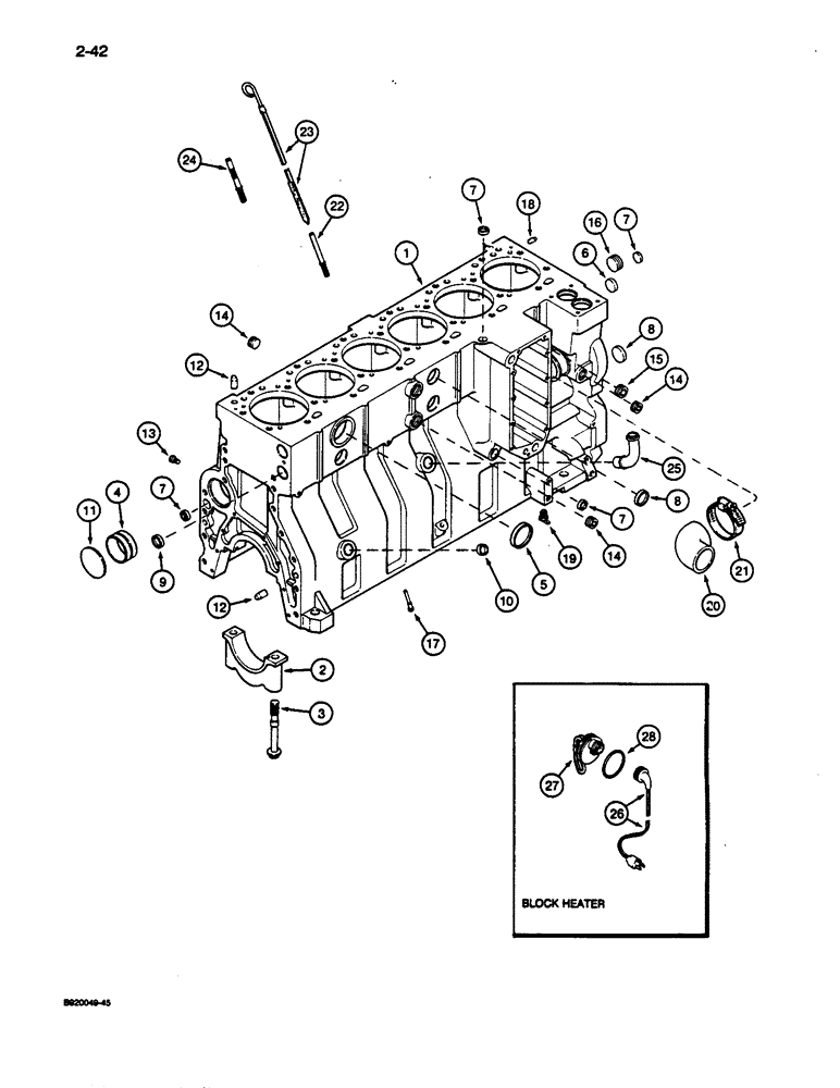
1

J911898

BASIC BLOCK

BLOCK ASSEMBLY - stripped, engine, new, Includes: Ref. 2 - 8

1шт.

Order the components of P/N J909415 hardware kit when ordering P/N J912531 block assembly or P/N J911898 stripped block.

1шт.

2

J905397

CAP

- main bearing

7шт.

3

J906655

BOLT,Flng, M14 x 2 x 128.5mm, Cl 12.9

- hex, flange, bearing cap

14шт.

4

J901685

BUSHING

- camshaft, see Figure 2-40, Ref. 6

7шт.

5

J900965

PLUG

- expansion, 58 mm OD

1шт.

6

A77586

PLUG

- expansion, 28.9 mm OD

1шт.

7

A77506

PLUG

- expansion, 21 mm O.D.

4шт.

8

J905401

PLUG

- expansion, 35 mm OD

3шт.

J909415

KIT

- block hardware, no longer available, order components separately, Includes: Ref. 9 - 19

1шт.

Order the components of P/N J909415 hardware kit when ordering P/N J912531 block assembly or P/N J911898 stripped block.

1шт.

9

A77530

PLUG

- expansion, 1-3/16 inch OD

2шт.

10

A77439

PLUG

- expansion, 0.886 mm OD

1шт.

11

J901969

PLUG

- expansion, 69 mm OD

1шт.

12

J901846

PIN,12.01mm OD x 24mm L

- dowel

4шт.

13

J906619

PLUG,1/8" - 27

- hex, 1/8 inch PT

6шт.

14

A77429

PLUG

- hex socket, 1/2 inch PT

4шт.

15

A77505

PLUG

- hex socket, 3/4 inch PT

2шт.

16

A77533

PLUG

- hex, 1 inch PT

1шт.

17

J905928

NOZZLE INJECTION

NOZZLE - piston cooling

6шт.

18

J900257

PIN,10.01mm OD x 16mm L

- dowel, locating, 16 mm

2шт.

19

217-103

COCK, DRAIN

VALVE - 1/4 inch PT, drain, coolant, replaces A77425

1шт.

20

J909389

RADIATOR HOSE,50.08 mm ID, 60.08 mm ID x 39.70 mm

- Elbow, Water 50.08 mm ID, 60.08 mm ID x 39.70 mm

1шт.

21

214-261

HOSE CLAMP,#40, 2.06" - 3", Type F Worm

CLAMP - adj, 2-1/16 - 3 inch dia

1шт.

22

J905425

TUBE,9.52 mm OD x 93 mm L

- dipstick, used with 298 mm dipstick

1шт.

23

J908772

DIPSTICK

- oil gauge, 298 mm long

1шт.

24

A77645

TUBE

- oil dipstick, used with 1220 mm dipstick, see Figure 2-16, Ref. 10

1шт.

25

J903744

PIPE FITTING,22.42 mm ID x 28 mm OD x 90.2, 64 mm L

TUBE - turbocharger oil drain

1шт.

A77595

KIT

- engine block heater, Includes: Ref. 26 - 28

1шт.

26

J905113

CABLE

- engine block heater

1шт.

27

NSS

NOT SOLD SEPARAT

ELEMENT - heater, block

1шт.

28

J910517

O-RING

- heater sealing, block

1шт.

Выбрано товаров: 39