Запчасти Case 1187C (2-46) - CYLINDER BLOCK, 6T-830 ENGINE, TWELVE PISTON COOLING NOZZLES, ENGINE S/N 44487830 AND AFTER (02) - ENGINE

Схема запчастей Case 1187C - (2-46) - CYLINDER BLOCK, 6T-830 ENGINE, TWELVE PISTON COOLING NOZZLES, ENGINE S/N 44487830 AND AFTER (02) - ENGINE
FIT
1:1
100%

Артикул

Название

Примечание

Количество

1989009C1

ENGINE ASSEMBLY

ENGINE ASSY ENGINE ASSEMBLY - complete, includes all parts except: starter, alternator, fan, fan belt, air cleaner, mubbler and exhaust pipe, uses oil filter and cooler shown on Figure 2-28

1шт.

1989009C2

ENGINE ASSEMBLY

ENGINE ASSY ENGINE ASSEMBLY - complete, includes all parts except: starter, alternator, fan, fan belt, air cleaner, muffler and exhaust pipe, uses oil filter and cooler shown on Figure 2-30

1шт.

AR174398

REMAN-BASIC ENGINE

Remanufactured Basic Engine Assembly, assembly includes short block assembly, cylinder head, valve cover, front cover, oil pan, water pump, thermostat and gasket kit to transfer trim parts

1шт.

AC174398

CORE-BASIC ENGINE

Return Number. KNOWN POTENTIAL CORE VARIATIONS, REFER TO CORE CRITERIA FOR PROPER CORE IDENTIFICATION

1шт.

A174358

BASIC ENGINE

ENGINE ASSEMBLY basic, new, Serial Range: 44487830-44536857

1шт.

Includes all parts except starter alternator, fan, fan belt, fan bracket, air cleaner, muffler, exhaust manifold, flywheel and housing, oil fill and dipstick, fuel injection pump, injectors and lines, front crank pulley, belt tensioner, and turbocharger, uses Ref. 1, sleeve, and Ref. 3, piston stamped 8749, shown on Fig. 2-56

1шт.

1989098C1

BASIC ENGINE

ENGINE ASSEMBLY basic, new, Start Serial: 44536857

1шт.

Includes all parts except starter, alternator, fan, fan belt, fan bracket, air cleaner, muffler, exhaust manifold, flywheel and housing, oil fill and dipstick, fuel injection pump, injectors and lines, front crank pulley, belt tensioner and turbocharger, uses Ref. 1, sleeve, and pistons stamped 9928, shown on Fig. 2-56

1шт.

J921057

CRANKCASE

BLOCK ASSEMBLY - short, engine, new, includes stripped block, pistons, connecting rods and bearings, crankshaft and bearings, uses Ref. 1, sleeve and pistons stamped 8749 or 9928, shown on Figure 2-56, Includes: Ref. 2 - 9

1шт.

JR921057

SKELETON ENGINE

Block Assembly, Short, Remanufactured, Component Parts Shown On This Figure Do Not Apply To The Remanufactured Assembly, Includes: Ref. 2 - 9

1шт.

JC921057

CORE-SHORT ENGINE

Return Part Number, Engine Short Block, Use This Part Number To Return Block Core For Credit When Using a Remanufactured Assembly, Includes: Ref. 2 - 9

1шт.

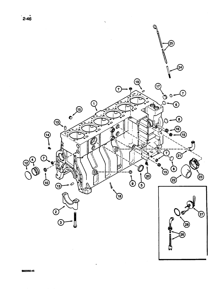
1

J920036

CYLINDER BLOCK

BLOCK ASSEMBLY - cylinder, stripped, new, Includes: Ref. 2 - 9

1шт.

Order the components of P/N A77716 hardware kit when ordering P/N J921057 block assembly or P/N J920036 stripped block.

1шт.

1

JR920036

CRANKCASE

Block Assembly, Stripped, Engine, Remanufactured, Component Parts Shown On This Figure Do Not Apply To The Remanufactured Assembly, Includes: Ref. 2 - 9

1шт.

1

JC919374

CORE-ENGINE

Return Part Number, Stripped, Engine, Use This Part Number To Return Short Block For Credit When Using a Remanufactured Assembly, Includes: Ref. 2 - 9

1шт.

Order the components of P/N A77716 hardware kit when ordering P/N J921057 block assembly or P/N J920036 stripped block.

1шт.

2

J917313

BEARING CAP

CAP - bearing, main

7шт.

3

J916369

FLANGE BOLT,Hex, M14 x 2 x 128mm, Cl 10.9

SCREW, , Bearing cap Hex Flg Hd, M14 x 128

14шт.

4

J901685

BUSHING

BUSHING - camshaft, see Figure 2-40, Ref. 6

7шт.

J920036

CYLINDER BLOCK

BLOCK ASSEMBLY

1шт.

5

A77782

PLUG

PLUG - expansion

1шт.

6

A77586

PLUG

PLUG - expansion, 1-49/64 inch OD

1шт.

7

A77506

PLUG

PLUG - expansion, 21 mm O.D.

4шт.

8

J905401

PLUG

PLUG - expansion, 35 mm OD

4шт.

9

A77439

PLUG

PLUG - expansion, 0.886 mm OD

1шт.

A77716

BLOCK

KIT - block hardware, no longer available, order components separately, Includes: Ref. 10 - 21

1шт.

Order the components of P/N A77716 hardware kit when ordering P/N J921057 block assembly or P/N J920036 stripped block.

1шт.

10

A77530

PLUG

PLUG - expansion, 28.9 mm OD

2шт.

12

J901969

PLUG

PLUG - expansion, 69 mm OD

1шт.

13

J901846

PIN,12.01mm OD x 24mm L

PIN - dowel

4шт.

14

J906619

PLUG,1/8" - 27

PLUG - hex, 1/8 inch PT

6шт.

15

A77429

PLUG

PLUG - hex socket, 1/2 inch PT

4шт.

16

A77505

PLUG

PLUG - hex socket, 3/4 inch PT

2шт.

17

A77533

PLUG

PLUG - hex, 1 inch PT

2шт.

18

J919003

NOZZLE INJECTION

NOZZLE - cooling, piston

12шт.

19

J900257

PIN,10.01mm OD x 16mm L

PIN - dowel, locating, 16 mm

2шт.

20

217-103

COCK, DRAIN

VALVE - 1/4 inch PT, drain, coolant

1шт.

21

J903744

PIPE FITTING,22.42 mm ID x 28 mm OD x 90.2, 64 mm L

TUBE - drain, oil

1шт.

22

J909389

RADIATOR HOSE,50.08 mm ID, 60.08 mm ID x 39.70 mm

Elbow, Water

1шт.

23

214-261

HOSE CLAMP,#40, 2.06" - 3", Type F Worm

CLAMP - adj, 2-1/16 - 3 inch dia, hose

1шт.

24

J905425

TUBE,9.52 mm OD x 93 mm L

TUBE - dipstick, used with 298 mm dipstick, Ref. 25

1шт.

25

J908772

DIPSTICK

DIPSTICK - oil gauge, 298 mm long

1шт.

A77595

KIT

KIT - engine block heater, Includes: Ref. 26 - 28

1шт.

26

J905113

CABLE

CABLE - engine block heater

1шт.

27

NSS

NOT SOLD SEPARAT

ELEMENT - heater, engine block

1шт.

28

J910517

O-RING

O-RING - heater sealing, engine block

1шт.

Выбрано товаров: 46