Запчасти Case 1187C (6-06) - TRACK DRIVE HYDRAULIC MOTORS (06) - POWER TRAIN

Схема запчастей Case 1187C - (6-06) - TRACK DRIVE HYDRAULIC MOTORS (06) - POWER TRAIN
FIT
1:1
100%

Артикул

Название

Примечание

Количество

S517362

MOTOR, HYDRAULIC

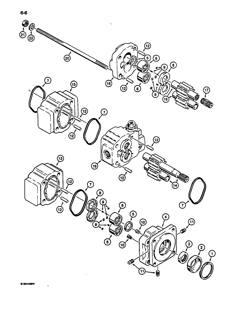
MOTOR ASSEMBLY - hydraulic, left-hand, Includes: Ref. 1 - 22

1шт.

S517363

MOTOR, HYDRAULIC

MOTOR ASSEMBLY - hydraulic, right-hand, Includes: Ref. 1 - 22

1шт.

1

560819R1

SNAP RING,#283, 3.009", Int, Spiral

RING - retaining, end cover

1шт.

2

N8516

RETAINER

- seal

1шт.

3

S94907

SEAL

- shaft, outer

1шт.

4

N14767

COVER

- shaft end

1шт.

5

L32319

SEALING RING,32.68mm ID x 44.88mm OD x 3.81mm Thk

- shaft, inner

2шт.

6

D31942

ROLLER BEARING,1.29" ID x 1.9375" OD x 1.125"

BEARING - roller, motor

4шт.

7

239-5244

O-RING,Rect, 4.25" ID x 4.5" OD, Cl 5

SEAL - quad, 4-1/4 x 4-1/2 x 1/8 inch, between housings

4шт.

8

D31955

PLATE

- thrust

2шт.

9

L32099

SEAL

- 13/64 inch (5 mm) long, thrust plate, cut from E19465 bulk seal, see below

12шт.

For mounting hardware see Fig. 7-2.

1шт.

10

S61749

VALVE

- check, hydraulic motor

2шт.

11

221-841

PLUG

- hex socket, 1/4 inch PT

3шт.

12

W16323

DOWEL

PIN - dowel, motor

8шт.

13

N14768

HOUSING

- gear, next to shaft end cover

1шт.

14

N14778

GEAR-SET

GEAR SET - with external spline shaft, used with right-hand motor only

1шт.

15

N14768

HOUSING

- gear, next to port end cover

1шт.

16

N8511

GEAR-SET

GEAR SET - with internal spline shaft, used with left-hand motor only

1шт.

17

N14781

SHAFT

- connecting

1шт.

18

D73613

COVER

- port end

1шт.

19

N14769

HOUSING

CARRIER ASSEMBLY - bearing, center, parts list Figure 6-8

1шт.

20

S300369

STUD

- motor tie

4шт.

21

429-1010

NUT,5/8"-11, G8

4шт.

22

524443R1

WASHER,0.66" ID x 1.25" OD x 0.19" Thk

- special

4шт.

E19465

SEAL

- bulk, 3-1/4 inch (83 mm) long

1шт.

For mounting hardware see Fig. 7-2.

1шт.

Выбрано товаров: 27