Запчасти Case 1080 (122) - CRAWLER UNDERCARRIAGE AND TRACK FRAME, MODELS WITHOUT (48) - TRACKS & TRACK SUSPENSION

Схема запчастей Case 1080 - (122) - CRAWLER UNDERCARRIAGE AND TRACK FRAME, MODELS WITHOUT (48) - TRACKS & TRACK SUSPENSION
FIT
1:1
100%

Артикул

Название

Примечание

Количество

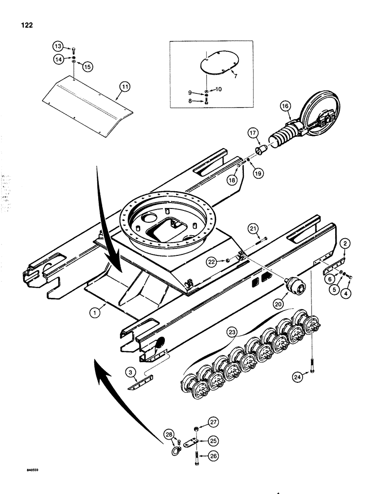
1

S616653

SUPPORT

UNDERCARRIAGE - crawler excavator

1шт.

2

S511363

BAR

WEAR PLATE - track frame, front

2шт.

3

S511364

BAR ASSY.

WEAR PLATE - track frame, rear

2шт.

4

26-820

BOLT,Hex, 1/2" - 13 x 1-1/4", Gr 8

- hex head, 1/2" - 13 NC x 1-1/2", grade 8

16шт.

5

192-23

LOCK WASHER,1/2"

WASHER, LOCK, 1/2"

16шт.

6

196-15

WASHER,17/32" x 1 1/6" x .134"

- flat, 1/2", hardened

16шт.

7

S237690

GUARD

- swivel, lower, if used

1шт.

8

113-208

BOLT,Hex, 3/8" - 16 x 1-1/4", Gr 5

4шт.

9

80680

LOCK WASHER,3/8 0.381 CST ZND

WASHER, LOCK, 3/8"

4шт.

10

195-104

WASHER,3/8"

- flat, - 16 NC 3/8"

4шт.

11

S616655

GUARD

COVER - drive motors

1шт.

13

113-417

BOLT,Hex, 1/2" - 13 x 1-1/4", Gr 5, Full Thd

6шт.

14

192-23

LOCK WASHER,1/2"

WASHER, LOCK, 1/2"

6шт.

15

195-105

WASHER,7/16"

- flat, 1/2"

6шт.

16

REF

INSTRUCTION

IDLER ASSEMBLY - track, parts list Fig. 130

1шт.

17

S514603

CYLINDER

- track adjustment, parts list Fig. 128

1шт.

18

113-421

BOLT,Hex, 1/2" - 13 x 2", Gr 5

4шт.

19

192-23

LOCK WASHER,1/2"

WASHER, LOCK, 1/2"

4шт.

20

S233033

ROLLER

CARRIER ROLLER - upper, parts list Figs. 132 & 134

4шт.

21

113-450

BOLT,Hex, 1/2" - 13 x 3-3/4", Gr 5

- hex head, 1/2" - 13 NC x 3-3/4"

4шт.

22

131-492

NUT,1/2"-13

NUT - hex, self-locking, 1/2" - 13 NC

4шт.

23

S227591

ROLLER

TRACK ROLLER - lower, parts list Fig. 136

16шт.

24

26-1056

BOLT,Hex, 5/8" - 11 x 3-1/2", Gr 8

- hex head, 5/8" - 11 NC x 3-1/2", grade 8

64шт.

25

S209710

PLATE

- drawbar, if used

1шт.

26

113-731

BOLT,Hex, 3/4" - 10 x 3-1/4", Gr 5

- hex head, 3/4" - 10 NC x 3-1/4"

4шт.

27

131-450

NUT,3/4"-10

NUT - hex, self-locking, 3/4" - 10 NC

4шт.

28

240-11

SHACKLE

CLEVIS ASSEMBLY - drawbar

1шт.

Выбрано товаров: 27