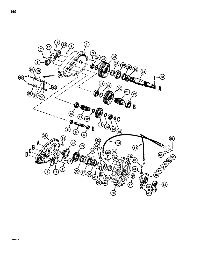
Запчасти Case 1080 (140) - FINAL DRIVE TRANSMISSION, DRIVE SPROCKET MOUNTING (48) - TRACKS & TRACK SUSPENSION

Схема запчастей Case 1080 - (140) - FINAL DRIVE TRANSMISSION, DRIVE SPROCKET MOUNTING (48) - TRACKS & TRACK SUSPENSION
FIT
1:1
100%

Артикул

Название

Примечание

Количество

S617985

TRANSMISSION

ASSEMBLY - final drive, models without remote lubrication lines, Includes: Ref.#s1 - 62

2шт.

Loctite - 271 -red, 50cc bottle, P/N B17423

1шт.

S618528

REDUCER

TRANSMISSION ASSEMBLY - final drive, models with remote lubrication lines, Includes: Ref.#s1 - 62

2шт.

1

S953541

HOUSING

- gear, final drive

1шт.

Must use Loctite in place of gaskets.

1шт.

2

221-845

PLUG,Hex Soc, 3/4"-14

- pipe, 3/4" NPT

4шт.

3

S65037

DOWEL

PIN - 5/8" x 1-1/4"

2шт.

5

S96214

BEARING, ROLLER, CYL,35mm ID x 80mm OD x 21mm

ROLLER BEARING - input shaft

2шт.

6

S605276

SHAFT

INPUT SHAFT - final drive

1шт.

7

61-616

HEX SOC SCREW,3/8"-16 x 1"

BOLT - hex socket head, 3/8" - 16 NC x 1", grade 8

47шт.

8

S507597

COVER

- bearing, input shaft

1шт.

Must use Loctite in place of gaskets.

1шт.

9

S510347

COVER

- bearing, first intermediate shaft, at housing

1шт.

Must use Loctite in place of gaskets.

1шт.

10

S96215

BEARING, ROLLER, CYL,50mm ID x 110mm OD x 27mm

ROLLER BEARING - first intermediate shaft, at housing

1шт.

11

S605270

SHAFT

- intermediate, first

1шт.

12

F11296

SNAP RING,#300, Ext

RING - Snap, , gear to shaft #300, Ext

2шт.

13

S605271

GEAR

- intermediate, first

1шт.

14

D40192

BALL BEARING

- first intermediate shaft, at cover

1шт.

15

100-11196

SNAP RING,#196, Ext

RING - Snap, , bearing to shaft, Clip, Auger Bearing #196, Ext

1шт.

16

S507595

COVER

- bearing, first intermediate shaft, at final drive cover

1шт.

Must use Loctite in place of gaskets.

1шт.

17

S507593

COVER

- bearing, second intermediate shaft, at final drive housing and cover

2шт.

Must use Loctite in place of gaskets.

1шт.

18

S96216

BEARING, ROLLER, CYL,65mm ID x 140mm OD x 33mm

ROLLER BEARING - second intermediate shaft, at housing

1шт.

19

S96949

SNAP RING,#387, Ext

RING - Snap, , gear to shaft #387, Ext

1шт.

20

S605269

GEAR

- intermediate, second

1шт.

21

S605268

SHAFT

- intermediate, second

1шт.

22

S96217

BEARING, ROLLER, CYL,70mm ID x 150mm OD x 35mm

ROLLER BEARING - second intermediate shaft, at cover

1шт.

23

S507599

COVER

- bearing, output shaft, at housing

1шт.

Must use Loctite in place of gaskets.

1шт.

24

D40192

BALL BEARING

- output shaft, at housing

1шт.

25

S96948

SNAP RING,#375, Ext

Ring, Snap, , gear to shaft #375, Ext

1шт.

26

S605267

GEAR

- output

1шт.

27

S95494

SPACER

- bearing

1шт.

28

S96220

BALL BEARING,100 mm ID x 180 mm OD x 34 mm

- output shaft, at cover

1шт.

29

S96168

SEAL

OIL SEAL - output shaft bearing

1шт.

30

S235141

SEAL

- dirt, bearing

3шт.

31

S616807

SHAFT

OUTPUT SHAFT - final drive

1шт.

REF

INSTRUCTION

TRANSMISSION ASSEMBLY - final drive, continued

2шт.

32

S512872

COVER

- bearing, output shaft, at final drive cover

1шт.

Must use Loctite in place of gaskets.

1шт.

33

S953542

COVER

- gear, final drive

1шт.

Must use Loctite in place of gaskets.

1шт.

34

61-828

HEX SOC SCREW,1/2"-13 x 1 3/4"

BOLT - hex socket head, 1/2" - 13 NC x 1-3/4", grade 8

26шт.

35

S97173

RETAINER

- oil and dirt seal

1шт.

36

S235140

SEAL

OIL SEAL - spherical bearing

2шт.

37

S97820

SPHERICAL BEARING,100mm ID x 180mm OD x 46mm W

BEARING - spherical

1шт.

38

S95495

SPACER

- at spherical bearing

1шт.

39

S516597

HOUSING

- spherical bearing, models without remote lubrication lines

1шт.

40

S507983

HOUSING

- spherical bearing, models with remote lubrication lines

1шт.

Subs to S516597

1шт.

41

219-1

LUBE NIPPLE,1/8" - 27 NPTF

SET SCREW - 1/4" - 20 NC x 7/16"

2шт.

42

26-12144

BOLT,Hex, 3/4" - 10 x 9", Gr 8

- hex head, 3/4" - 10 NC x 9", grade 8

2шт.

43

26-1268

BOLT,Hex, 3/4" - 10 x 4-1/4", Gr 8

- hex head, 3/4" - 10 NC x 4-1/4", grade 8, used with Ref.# 44 next to nut

2шт.

43a

26-1272

BOLT,Hex, 3/4" - 10 x 4-1/2", Gr 8

- hex head, 3/4" - 10 NC x 4-1/2", grade 8, used with Ref.# 44A next to nut

2шт.

44

S94643

WASHER,19.43mm ID x 38.1mm OD x 6.35mm Thk

- flat, 3/4", hardened, .240" (.610 mm) thick

6-8шт.

44a

S120234

WASHER

- flat, 3/4", hardened, .490" (12.45 mm) thick, if used

2шт.

45

131-450

NUT,3/4"-10

NUT - hex, self-locking, 3/4" - 10 NC

4шт.

46

S242158

BEARING CARRIER

PILLOW BLOCK AND BEARING ASSEMBLY - output shaft, models without remote lubrication lines, Includes: Ref.#s47 - 51

1шт.

46

S242158

BEARING CARRIER

PILLOW BLOCK AND BEARING ASSEMBLY - output shaft, models with remote lubrication lines, Includes: Ref.#s47 - 51

1шт.

47

NSS

NOT SOLD SEPARAT

HOUSING - pillow block bearing, not shown

1шт.

48

219-1

LUBE NIPPLE,1/8" - 27 NPTF

GREASE FITTING - straight, 1/8" NPT, not shown

1шт.

49

N60125

SEAL

- pillow block bearing, not shown

2шт.

50

N60353

RING, SNAP

SNAP RING - pillow block bearing, not shown

2шт.

51

N60124

BEARING ASSY

BEARING KIT - pillow block, not shown

1шт.

52

25-1340

SLOTTED NUT,2 1/2"-12, G5

NUT - hex, slotted, 2-1/2" - 12 NF

1шт.

53

138-186

LOCK PIN,3/8" x 4", Slotted

ROLL PIN - 3/8" x 4", Slotted

1шт.

54

S120463

HOSE ASSY.

HOSE - remote lubrication, 38" (965 mm) long, if used

2шт.

55

219-1

LUBE NIPPLE,1/8" - 27 NPTF

GREASE FITTING - straight, 1/8" NPT, if used

2шт.

S512195

SPROCKET ASSY.

SPROCKET ASSEMBLY - track drive, Includes: Ref.#s56 & 57

2шт.

56

S955339

SPROCKET ASSY.

SPROCKET - track drive

1шт.

57

S95493

SPACER

- sprocket to bearing block

1шт.

58

S223205

LINK

- final drive housing to track frame

4шт.

59

S116289

SPACER

- link

2шт.

60

13-1664

BOLT,Hex, 1" - 8 x 4", Gr 5

4шт.

61

195-53

WASHER,1" x 2" x .134"

- flat, 1"

8шт.

62

131-82

NUT,1"-8

NUT - hex, self-locking, 1" - 8 NC

4шт.

B17423

LOCTITE

- 271 red, 50cc bottle.

1шт.

Выбрано товаров: 79