Запчасти Case 1080 (174) - MAIN HYDRAULIC PUMP LINES (35) - HYDRAULIC SYSTEMS

Схема запчастей Case 1080 - (174) - MAIN HYDRAULIC PUMP LINES (35) - HYDRAULIC SYSTEMS
FIT
1:1
100%

Артикул

Название

Примечание

Количество

1

REF

INSTRUCTION

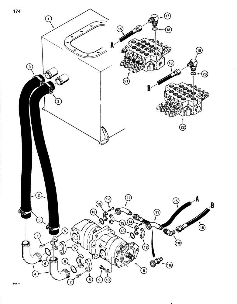
RESERVOIR - hydraulic oil, Fig. 168

1шт.

2

REF

INSTRUCTION

HOSE - to pump, 32" (813 mm) on models with Case engine and 37" 940 mm) on models with Detroit Diesel engine, cut from S120587, see below

2шт.

Hose - bulk length, 2" (51 mm) ID x 60" (1524 mm) long, P/N S120587

1шт.

3

S85430

CLAMP

- hose

4шт.

4

S238798

TUBE,2" OD x 6.8, 4.7" L

- to pump

2шт.

5

A14141

FLANGE

SPLIT FLANGE - tube

4шт.

6

A14506

O-RING,0.139" Thk x 2.234" ID, -228, Cl 5, 75 Duro

- tube

2шт.

7

113-410

BOLT,Hex, 1/2" - 13 x 1-1/2", Gr 5, Full Thd

8шт.

8

REF

INSTRUCTION

PUMP - main hydraulic, see Fig. 210 & 212 for correct pump and component parts

1шт.

9

113-607

BOLT,Hex, 5/8" - 11 x 1-1/2", Gr 5, Full Thd

- hex head, 5/8" - 11 NC x 1-1/4"

2шт.

10

196-20

WASHER,41/64" x 1.047" x .134", HDN

- flat, 5/8", hardened

2шт.

11

S235919

ADAPTER

TUBE - from rear port, all models and from front port on models with Case engine

1-2шт.

11a

S26936

TUBE

- from front port on models with Detroit Diesel engine

1шт.

11b

218-5176

ELBOW,45 Degree Elbow, 1-5/16" - 12 Male JIC x 1-5/16" - 12 Female JIC

- 45 degree, tube to hose, models with Case engine only

1шт.

12

A12301

CLAMP,Half

SPLIT FLANGE - tube

4шт.

13

S6586

O-RING,0.139" Thk x 1.484" ID, -222, Cl 6, 90 Duro

- tube

2шт.

14

113-312

BOLT,Hex, 7/16" - 14 x 1-1/4", Gr 5

8шт.

15

S235936

HOSE

- to outside control valve, 49" (1245 mm) long

1шт.

16

S8628

HOSE

- to inside control valve, 36" (914 mm) long

1шт.

17

218-5110

ELBOW,90 Degree Elbow, 1-5/16" - 12 Male JIC x 1-5/16" - 12 Male ORB

at outside valve, Incl. Ref.#18 90º, 1 5/16"-12, 37º x 1 5/16"-12, O-Ring

1шт.

18

218-5010

O-RING,0.116" Thk x 1.171" ID, -916, Cl 6, 90 Duro

- elbow

1шт.

19

S113093

ELBOW

- 90 degree, tapped for power sensing line, Fig. 198, Includes: Ref.#20

1шт.

20

218-5010

O-RING,0.116" Thk x 1.171" ID, -916, Cl 6, 90 Duro

- elbow

1шт.

21

REF

INSTRUCTION

CONTROL VALVE - outside,Fig. 220 for correct valve and component parts

1шт.

22

REF

INSTRUCTION

CONTROL VALVE - inside, Fig. 216 for correct valve and component parts

1шт.

S120587

HYDRAULIC HOSE,2.00" ID x 60.00"

- Bulk length 2.00" ID x 60.00"

1шт.

Выбрано товаров: 26