Запчасти Case 1080 (232) - HANDS AND FOOT CONTROL VALVES, MONSUN HYDRAULICS (35) - HYDRAULIC SYSTEMS

Схема запчастей Case 1080 - (232) - HANDS AND FOOT CONTROL VALVES, MONSUN HYDRAULICS (35) - HYDRAULIC SYSTEMS
FIT
1:1
100%

Артикул

Название

Примечание

Количество

S513193

VALVE

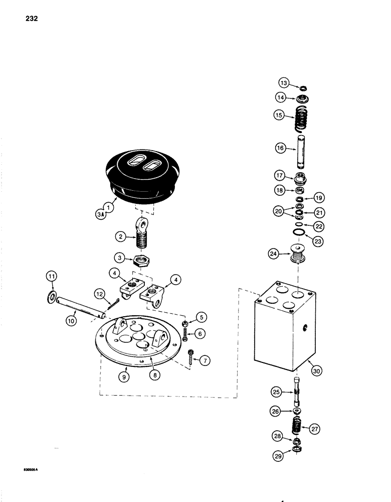
CONTROL VALVE ASSEMBLY - used with clevis connections, Includes: Ref.#s1 - 12

2-4шт.

S516631

VALVE

CONTROL VALVE ASSEMBLY - left-hand, used with ball joint connections, Includes: Ref.#s1 - 12

1шт.

S516632

VALVE

CONTROL VALVE ASSEMBLY - right-hand, used with ball joint connections, Includes: Ref.#s1 - 12

1шт.

S116388

LEVER

ASSEMBLY - control valve, S513193 control valve only, Includes: Ref.#1 - 3

1шт.

1

S116389

BOOT

- rubber

1шт.

2

S116390

END

LEVER - control valve

2шт.

3

N8560

NUT

JAM NUT - 14 mm - 2

2шт.

3a

S116389

BOOT

- rubber, S516631 and S516632 control valves

1шт.

S116376

PLATE

MOUNTING PLATE ASSEMBLY - control valve, Includes: Ref.#s4 - 12

1шт.

4

S116377

BRACKET, PIVOT

PIVOT - lever

2шт.

5

825-1106

NUT,Hex, M6, Cl 8

- hex, 6 mm - 1

4шт.

6

S116379

BOLT

- hex head, 6 mm special

4шт.

7

864-6016

HEX SOC SCREW,M6 x 16mm, Cl 8.8

SCREW, Hex Soc Hd, M6 x 16, 8.8

4шт.

8

NSS

NOT SOLD SEPARAT

PLATE - pivot, bracket

1шт.

9

NSS

NOT SOLD SEPARAT

PLATE - mounting

1шт.

10

S116384

PIN

SHAFT - pivot

1шт.

11

S116383

WASHER

- special, stainless

1шт.

12

132-28

COTTER PIN,3/32" x 1"

PIN, Split (Cotter), 3/32" x 1"

2шт.

S116385

SHOCK ABSORBER

BUSHING AND SPRING ASSEMBLY - center, all ports of S513193 valve, and only in port No. 2 of S516631 valve or in port No. 3 of S516632 valve, Includes: Ref.#s13 - 23

4шт.

Part numbers are stamped on the end of valve body.

1шт.

S120446

SPRING

BUSHING AND SPRING ASSEMBLY - center, in ports No. 1, 3, and 4 of S516631 valve or ports N. 1, 2, and 4 of S516632 valve only, Includes: Ref.#13 - 23

3шт.

Port numbers are stamped on the end of valve body.

1шт.

13

S110961

RING, SNAP

SNAP RING - lever end

1шт.

14

S109867

WASHER

- special

1шт.

15

NSS

NOT SOLD SEPARAT

SPRING

1шт.

16

NSS

NOT SOLD SEPARAT

STUD - guide

1шт.

17

NSS

NOT SOLD SEPARAT

BUSHING - guide

1шт.

18

S109853

SEAL

- stud

1шт.

19

S109854

RING, SNAP

SNAP RING - center

1шт.

20

NSS

NOT SOLD SEPARAT

SPACER - 0.1 mm, if used

1шт.

20

S109856

SHIM,0.2mm Thk

Spacer 0.2mm Thk

1шт.

20

S109857

SHIM,0.5mm Thk

Spacer 0.5mm Thk

1шт.

21

S109855

RING, SNAP

SNAP RING - inner

1шт.

22

N8559

O-RING,5mm ID x 1mm Width

- small

1шт.

23

S109852

O-RING,15.3mm ID x 2.4mm Width

- large

1шт.

24

N60045

SHOCK ABSORBER

SPRING ASSEMBLY - internal, do not disassemble

4шт.

25

NSS

NOT SOLD SEPARAT

SPOOL - control valve

4шт.

S116392

KIT

SPRING KIT - port end, Includes: Ref.#s26 - 29

4шт.

26

NSS

NOT SOLD SEPARAT

SEAT - spring, spool end

1шт.

27

NSS

NOT SOLD SEPARAT

SPRING - port end

1шт.

28

NSS

NOT SOLD SEPARAT

SEAT - spring

1шт.

29

NSS

NOT SOLD SEPARAT

SNAP RING - seat retaining

1шт.

30

NSS

NOT SOLD SEPARAT

BODY - control valve

1шт.

Выбрано товаров: 43