Запчасти Case 1080B (9-274) - HAND LEVER CONTROLS (09) - CHASSIS

Схема запчастей Case 1080B - (9-274) - HAND LEVER CONTROLS (09) - CHASSIS
FIT
1:1
100%

Артикул

Название

Примечание

Количество

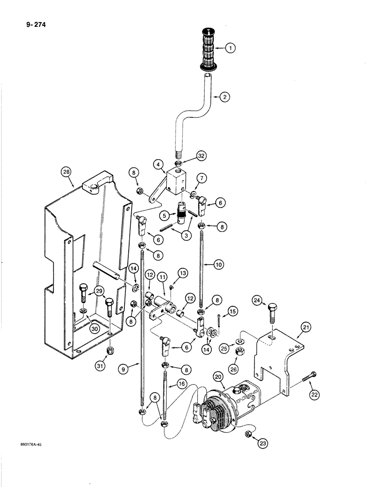
1

S119987

GRIP

- control lever

2шт.

1a

353-406

PLUG,Dome, .625" hole, Nylon

- nylon, 5/8" hole size, control lever grip, right-hand side only, not shown

1шт.

2

S514719

HANDLE

LEVER - control, left-hand and right-hand, left-hand shown

2шт.

3

138-136

LOCK PIN,1/4" x 1 1/4", Slotted

PIN, 1/4" x 1-1/4", Slotted, Universal joint

4шт.

4

S516609

HANDLE

BLOCK - pivot, control lever

2шт.

5

S242118

SWIVEL CONNECTION

JOINT - universal, control lever, with seal

2шт.

6

S236680

BALL JOINT

JOINT - ball, rod ends

8шт.

7

192-21

LOCK WASHER,3/8"

WASHER, LOCK, , Ball joint at pivot block 3/8"

2шт.

8

86585245

SPECIAL NUT,JAM, 5/8" - 18

- hex, jam, 3/8" - 24 NF, plated

18шт.

9

S120445

ROD

- pivot block to control valve, outer

2шт.

10

S242224

LINK ASSY.

ROD - pivot block to intermediate lever, upper

2шт.

S24224

LEVER ASSEMBLY - intermediate, inner rods, Includes: Refs. 11-13

2шт.

11

NSS

NOT SOLD SEPARAT

LEVER - intermediate

1шт.

12

A27801

BUSHING

- bronze

2шт.

13

219-55

LUBE NIPPLE,90 Degree Elbow, 1/8" - 27 NPTF

NIPPLE, LUBE, 90º, 1/8" NPT x .84" lg

1шт.

14

195-33

WASHER,1/2"

- flat, , plated 1/2"

6шт.

15

132-48

COTTER PIN,1/8" x 1"

PIN, Split (Cotter), , Lever 1/8" x 1"

2шт.

16

S80385

ROD

- intermediate lever to control valve, lower

2шт.

19

REF

INSTRUCTION

VALVE ASSEMBLY - control, hand control, left-hand, parts list Figure 8-243, not shown

1шт.

20

REF

INSTRUCTION

VALVE ASSEMBLY - control, hand control, right-hand, parts list Figure 8-243

1шт.

21

S516903

BRACKET

- control, valve mounting

2шт.

22

113-4

BOLT,Hex, 1/4" - 20 x 1", Gr 5

6шт.

23

86625061

NUT,1/4"-20, GB

NUT - hex, self-locking, 1/4" - 20 NC, plated

6шт.

24

113-233

BOLT,Hex, 3/8" - 16 x 1-3/4", Gr 5

- hex head, 3/8" -16 NC x 1-1/2", plated

6шт.

25

196-5

WASHER,13/32" x 1 1/16" x .095", HDN

- flat, 3/8", hardened, plated, used at slot only

2шт.

26

131-52

NUT,3/8"-16, GC

NUT - hex, self-locking, 3/8" -16 NC, plated

6шт.

27

S615677

SUPPORT

- linkage, right-hand, not shown

1шт.

28

S615728

SUPPORT

- linkage, left-hand

1шт.

29

113-209

BOLT,Hex, 3/8" - 16 x 1-1/2", Gr 5

6шт.

30

195-104

WASHER,3/8"

- flat, , plated, used at slots only 3/8"

3шт.

31

131-52

NUT,3/8"-16, GC

NUT - hex, self-locking, 3/8" - 16 NC, plated

6шт.

32

425-1410

JAM NUT,Jam, 5/8"-11, G5

- hex, jam, 5/8" - 11 NC, plated

2шт.

Выбрано товаров: 0