Запчасти Case 1080B (9-284) - SWING GEARBOX LUBRICATION SYSTEM (09) - CHASSIS

Схема запчастей Case 1080B - (9-284) - SWING GEARBOX LUBRICATION SYSTEM (09) - CHASSIS
FIT
1:1
100%

Артикул

Название

Примечание

Количество

S516470

CONTAINER

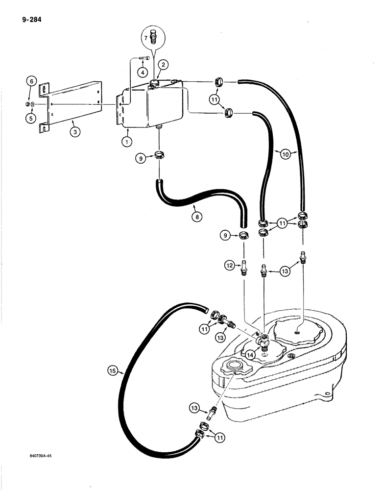
RESERVOIR ASSEMBLY - lubricant, Includes: Refs. 1, 2

1шт.

1

NSS

NOT SOLD SEPARAT

RESERVOIR - lubricant, Includes: Ref. 2

1шт.

2

N8793

CAP

- reservoir

1шт.

3

S242000

BRACKET

- reservoir

1шт.

4

113-113

BOLT,Hex, 5/16" - 18 x 7/8", Gr 5

4шт.

5

195-103

WASHER,5/16"

- flat, , plated 5/16"

4шт.

6

231-1445

NUT,5/16"-18, GB

NUT - hex, self-locking, 5/16" -18 NC, plated

4шт.

7

L33264

BREATHER

- reservoir

1шт.

8

REF

INSTRUCTION

HOSE - 5/8" (16 mm) ID x 19" (483 mm) long, gearbox cover, cut from S118576, see below

1шт.

9

214-253

HOSE CLAMP,#10, 0.56" - 1.06", Type F Worm

CLAMP - hose, used with 5/8" ID hoses 2

1шт.

10

REF

INSTRUCTION

HOSE - 1/4" (6 mm) ID x 28" (711 mm) long, to bearing covers, cut from S120557, see below

2шт.

11

214-274

HOSE CLAMP,#04, 0.25" - 0.62", Type F Worm

used with 1/4" (6 mm) ID hoses #4, 0.25/0.62 Type F Worm

10шт.

12

217-381

FITTING,5/8" Hose Barb x 3/4" Male NPTF

- stem, gearbox cover, used with 5/8" (16 mm) ID hose

1шт.

13

217-150

FITTING,1/4" Hose Barb x 1/8" Male NPTF

- stem, bearing covers, used with 1/4" (6 mm) ID hose

4шт.

14

217-1061

TEE,1/8" - 27 Female x 1/8" - 27 Male Run

- gearbox bearing cover, 1/8" NPT

1шт.

15

REF

INSTRUCTION

HOSE - 1/4" (6 mm) ID x 24" (610 mm) long, crossover, tee to bearing cover cut from S120557, see below

1шт.

S118576

HOSE,0.62" ID BULK

0.625" ID x 300.00" Bulk , Use to make Ref. 8

1шт.

S120557

HOSE,0.25" ID x 300.00", SAE 30R6

Bulk Length, Use to Make Refs. 10 and 15 0.25" ID x 300.00", SAE 30R6

1шт.

Выбрано товаров: 18