Запчасти Case 1080B (9-312) - ARM AND ATTACHMENT LINKS (09) - CHASSIS

Схема запчастей Case 1080B - (9-312) - ARM AND ATTACHMENT LINKS (09) - CHASSIS
FIT
1:1
100%

Артикул

Название

Примечание

Количество

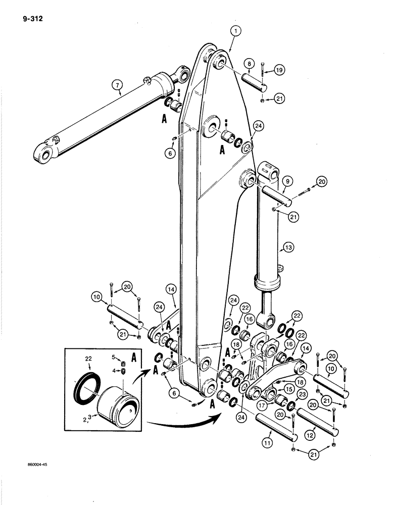
1

S956694

ARM

ASSEMBLY - excavator, 9 foot (2.74 mm)

1шт.

1

S956876

ARM

ASSEMBLY - excavator, 10 foot 5 inches (3.17 mm), Includes: Refs. 2-6

1шт.

2

S241666

BUSHING

- arm to boom and arm to tool links

4шт.

3

S242544

BUSHING

-, Serial Range: arm-tool

2шт.

4

83-66

SET SCREW,Hex Soc, 3/8"-16 x 3/8"

SCREW - set, 3/8" -16 NC x 3/8", cup point, top

6шт.

5

178-53

SET SCREW,Hex Soc, 3/8"-16 x 3/8"

SCREW - set, 3/8" -16 NC x 3/8", cone point, bottom

6шт.

6

219-1

LUBE NIPPLE,1/8" - 27 NPTF

FITTING - grease, straight, 1/8" NPT

3шт.

7

S956692

CYLINDER

ASSEMBLY - arm, parts list figure 8-262

1шт.

8

S241746

PIN

- arm, Serial Range: cylinder-arm

1шт.

9

S241747

PIN

- tool, Serial Range: cylinder-arm

1шт.

10

S241672

PIN

- arm to tool links, tool links to tool attatchment

2шт.

11

S242543

PIN

-, Serial Range: arm-tool

1шт.

12

S242546

PIN

- tool, Serial Range: attachment-tool

1шт.

13

S956691

CYLINDER

ASSEMBLY - tool, parts list figure 8-264

1шт.

14

S241670

LINK

- tool

2шт.

15

S617927

LINK

ATTACHMENT ASSEMBLY - tool, Includes: Refs. 16-18

1шт.

16

S241669

BUSHING

- link and cylinder end

2шт.

17

S229988

BUSHING

- tool attachment end

2шт.

18

219-1

LUBE NIPPLE,1/8" - 27 NPTF

FITTING - grease, straight, 1/8" NPT

3шт.

19

826-12160

BOLT,Hex, M12 x 1.75 x 160mm, Cl 10.9

- hex head, 12 mm - 1.75 x 160 mm, plated

1шт.

20

826-12150

BOLT,Hex, M12 x 1.75 x 150mm, Cl 10.9

BOLT - hex head, 12 mm - 1.75 x 150 mm, plated

7шт.

21

S118774

NUT

- hex, self-locking, 12 mm - 1.75

8шт.

22

S241665

SEAL

- grease

10шт.

23

S242545

SEAL

- grease

2шт.

24

S119238

SHIM,3mm Thk

Used with Reference numbers 8, 9, 10, and 12 3mm Thk

1шт.

25

S241940

BLOCK

- tapped, welded to arm on models with auxiliary hydraulics, not shown

3шт.

BY LETTER A ON PICTURE, S119409 SHIMS USED TO TAKE UP END PLAY ON BUCKET.

1шт.

Выбрано товаров: 27