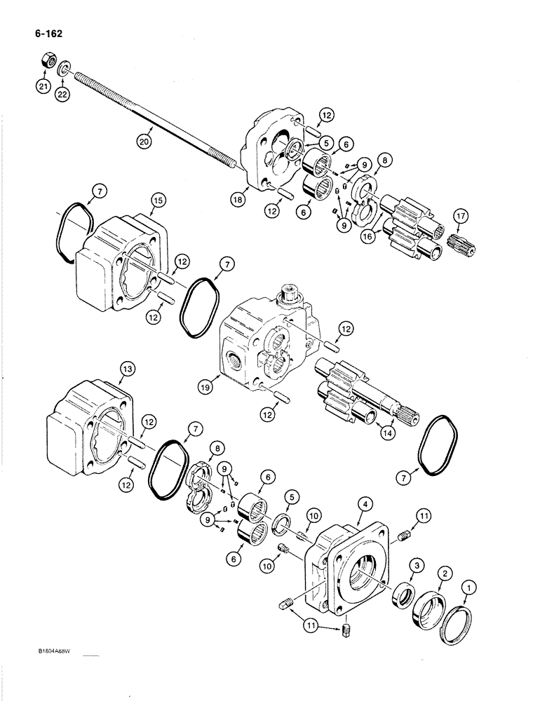
Запчасти Case 1080B (6-162) - TRACK DRIVE HYDRAULIC MOTORS, P.I.N. 6271846 AND AFTER (06) - POWER TRAIN

Схема запчастей Case 1080B - (6-162) - TRACK DRIVE HYDRAULIC MOTORS, P.I.N. 6271846 AND AFTER (06) - POWER TRAIN
FIT
1:1
100%

Артикул

Название

Примечание

Количество

S517083

MOTOR, HYDRAULIC

MOTOR ASSEMBLY - track drive, right-hand

1шт.

S517084

MOTOR, HYDRAULIC

MOTOR ASSEMBLY - track drive, left-hand, Includes: Refs. 1-22

1шт.

1

S88756

SNAP RING,#283, 3.009", Int, Spiral

RING - snap, end cover

1шт.

2

N8516

RETAINER

- seal

1шт.

3

S94907

SEAL

- shaft, outer

1шт.

4

N14767

COVER

- shaft end

1шт.

5

L32319

SEALING RING,32.68mm ID x 44.88mm OD x 3.81mm Thk

- shaft, inner

2шт.

6

D31942

ROLLER BEARING,1.29" ID x 1.9375" OD x 1.125"

BEARING - roller, motor

4шт.

7

G103626

O-RING,4.234" ID x 4.512" OD

SEAL - between housings

4шт.

8

D31955

PLATE

- thrust

2шт.

9

L32099

SEAL

- 13/64" (5 mm) long, thrust plate, cut from E19465, see below

12шт.

10

S61749

VALVE

- check, hydraulic motor

2шт.

11

221-841

PLUG

- hex socket head, 1/4" NPT

3шт.

12

W16323

DOWEL

PIN - dowel, motor

8шт.

13

N8507

HOUSING

- gear, next to shaft end cover

1шт.

14

N14782

GEAR-SET

GEAR - set, with external spline shaft, used with left-hand motor only

1шт.

14

N14778

GEAR-SET

GEAR - set, with external spline shaft, used with right-hand motor only

1шт.

15

N14768

HOUSING

- gear, next to port and cover

1шт.

16

N14783

GEAR-SET

GEAR - set, with internal spline shaft, used with left-hand motor only

1шт.

16

N14779

GEAR-SET

GEAR - set, with internal spline shaft, used with right-hand motor only

1шт.

17

N14781

SHAFT

- connecting

1шт.

18

D73613

COVER

- port end

1шт.

19

N14769

HOUSING

CARRIER ASSEMBLY - bearing, center, parts list Figure 6-163A

1шт.

20

N14780

STUD

- motor tie

4шт.

21

129-183

NUT,5/8"-11, G8

4шт.

22

524443R1

WASHER,0.66" ID x 1.25" OD x 0.19" Thk

- special

4шт.

E19465

SEAL

- 3-1/4" (83 mm) long, use to make Ref. 9

1шт.

Выбрано товаров: 27