Запчасти Case 1088 (076) - ENGINE MOUNTING (10) - ENGINE

Схема запчастей Case 1088 - (076) - ENGINE MOUNTING (10) - ENGINE
7
14
4
11
16
15
17
8
12
10
3
19
9
13
2
20
24
6
21
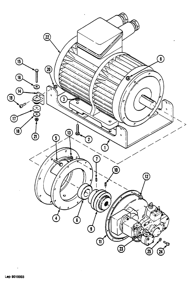
1
22
5
25
18
23
FIT
1:1
100%

Артикул

Название

Примечание

Количество

1

W455604

SUPPORT

SPARE PART

1шт.

2

E1133881

SCREW,M20 x 90mm, Cl 10.9

M20 x 90 10.9

4шт.

3

Q134564

SAFETY NUT

M20

4шт.

4

N8846226

ENGINE VENT SLEEVE

SPARE PART

1шт.

5

H1133884

SCREW

M16 x 80 10.9

8шт.

6

S5728741

WASHER

SPARE PART SPACER

1шт.

7

P532831

SCREW

SPARE PART M12 x 25

1шт.

8

W134547

SAFETY NUT

M16

8шт.

9

L8846224

FLEXIBLE COUPLING

SPARE PART

1шт.

10

P532831

SCREW

SPARE PART M12 x 25

1шт.

11

PUMP see Fig. 110

1шт.

12

43144

BOLT,Hex, M10 x 70mm, Cl 8.8

12шт.

13

G34598

SAFETY NUT

M10

12шт.

14

J1141429

SHOCK ABSORBER

SUSPENSION

4шт.

15

P533889

SCREW

M12 x 130

4шт.

16

R245517

WASHER

13 x 50 x 8

4шт.

17

H928793

SPACER

4шт.

18

K1145524

WASHER

4шт.

19

E532914

SCREW

M12 x 45

8шт.

20

T834549

SAFETY NUT

M12

8шт.

21

E34596

SAFETY NUT

M12

4шт.

22

MOTOR see Fig. 078

1шт.

23

PUMP hydraulic, see Fig. 124

1шт.

24

86632600

HEX SOC SCREW,M10 x 20mm, Cl 8.8

2шт.

25

T1545410

WASHER

11 x 2 x 18

2шт.

Выбрано товаров: 25