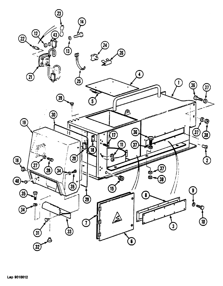
Запчасти Case 1088 (066) - FRONT RIGHT HAND-SIDE CABINET (90) - PLATFORM, CAB, BODYWORK AND DECALS

Схема запчастей Case 1088 - (066) - FRONT RIGHT HAND-SIDE CABINET (90) - PLATFORM, CAB, BODYWORK AND DECALS
2
10
16
25
24
32
38
37
35
18
5
22
35
29
38
36
14
12
19
28
37
34
20
23
1
4
33
9
7
30
6
8
36
37
21
43
26
27
3
37
13
17
11
39
34
31
40
15
FIT
1:1
100%

Артикул

Название

Примечание

Количество

1

T8643831

ELECTRICAL CABINET

SPARE PART

1шт.

2

C35445

RIVET

M6

10шт.

3

F3522823

LARGE PLATE

PLATE, LARGE

1шт.

4

Q7828202

LARGE PLATE

SPARE PART

1шт.

5

F343809

LATCH

CATCH

4шт.

6

S8643830

DOOR

SPARE PART

1шт.

7

S9646009

GASKET

SEAL

1шт.

8

T9646010

GASKET

SEAL

1шт.

9

A34707

WASHER

M6

10шт.

10

86977786

BOLT,Hex, M6 x 1 x 25mm, Cl 8.8

10шт.

11

G3036926

BASE

SUPPORT

6шт.

12

V834574

SAFETY NUT

M5

8шт.

13

X5428780

WASHER

5.25 x 3.25 x 10

16шт.

14

T1032901

SCREW

M5 x 25 x 25

8шт.

15

N141485

GROMMET

GUIDE Ø 3

1шт.

16

B2537453

PLASTIC PLUG

1шт.

17

N32465

HEX SOC SCREW,M10 x 25mm, Cl 10.9

4шт.

18

D3523166

PLATE

2шт.

19

T7128269

DOOR

Consists of: Ref. 20

1шт.

20

A736667

HINGE

2шт.

C3337440

PLUG

2шт.

21

H1352039

LOCK ASSY

Consists of: Refs. 22, 23

1шт.

22

H152083

LOCK, CYLINDER

LOCK-CYLINDER

1шт.

A1352009

SET OF 2 KEYS

1шт.

23

V2340499

DOOR COVER

1шт.

24

PP2036939

CLASP

9шт.

25

V336923

CLAMP

COLLAR 117 mm

6шт.

26

Z2036902

CLASP

3-7

9шт.

27

B3528799

WASHER

6.25 x 4 x 15

4шт.

28

86508568

BOLT,Hex, M6 x 1 x 16mm, Cl 8.8

4шт.

29

SEAL order E303167, length: 1500 mm

1шт.

30

SEAL order E303167, length: 600 mm

1шт.

31

Z35419

RIVET

M10

1шт.

32

F35471

RIVET

M10

2шт.

33

Z3326374

HOOD

PLATE

1шт.

34

N4328796

WASHER

10.25 x 7 x 20

3шт.

35

11106231

BOLT,Hex, M10 x 1.5 x 25mm, Cl 10.9

3шт.

36

11125221

BOLT,Hex, M20 x 75, 8.8

5шт.

37

K4328747

WASHER

21 x 14 x 35

10шт.

38

Q134564

SAFETY NUT

M20

5шт.

39

V1337492

PLASTIC PLUG

SPARE PART

3шт.

40

E2537479

PLASTIC PLUG

1шт.

Выбрано товаров: 42