Запчасти Case 1088 (1-14) - PICTORIAL INDEX, HYDRAULIC CONTROL CIRCUIT (00) - PICTORIAL INDEX

Схема запчастей Case 1088 - (1-14) - PICTORIAL INDEX, HYDRAULIC CONTROL CIRCUIT (00) - PICTORIAL INDEX
FIT
1:1
100%

Артикул

Название

Примечание

Количество

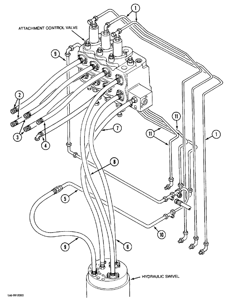
1

Tube, Control Upper Port of Bucket, Arm and Boom Section, Page 8C-2

1шт.

2

Hoses, Attachment Control Valve to Arm Tubes on Boom, Page 8C-2

1шт.

3

Hoses, Attachment Control Valve to Bucket Tubes on Boom, Page 8C-2

1шт.

4

Hoses, Attachment Control Valve to Boom Manifold, Page 8C-2

1шт.

5

Tubes, Control Circuit, Boom Lines, Page 8C-4

1шт.

6

Hose, Return, Hydraulic Swivel to Attachment Control Valve, Page 8C-4

1шт.

7

Hose, Return Swivel to Attachment Control Block, Page 8C-4

1шт.

8

Hose, Pressure, Attachment Control Valve to Hydraulic Swivel, Page 8C-4

1шт.

9

Tube, Leak Return, Undercarriage Circuit, Page 8C-2

1шт.

10

Hose, Tube to Hydraulic Swivel, Undercarriage Circuit, Page 8C-4

1шт.

11

Tube, Leak Return, Attachment Circuit, Control Valve to Tee, Page 8C-2

1шт.

Выбрано товаров: 11