Запчасти Case 1088 (8C-20) - SOLENOID VALVE AND SWING BRAKE RELEASE (08) - HYDRAULICS

Схема запчастей Case 1088 - (8C-20) - SOLENOID VALVE AND SWING BRAKE RELEASE (08) - HYDRAULICS
FIT
1:1
100%

Артикул

Название

Примечание

Количество

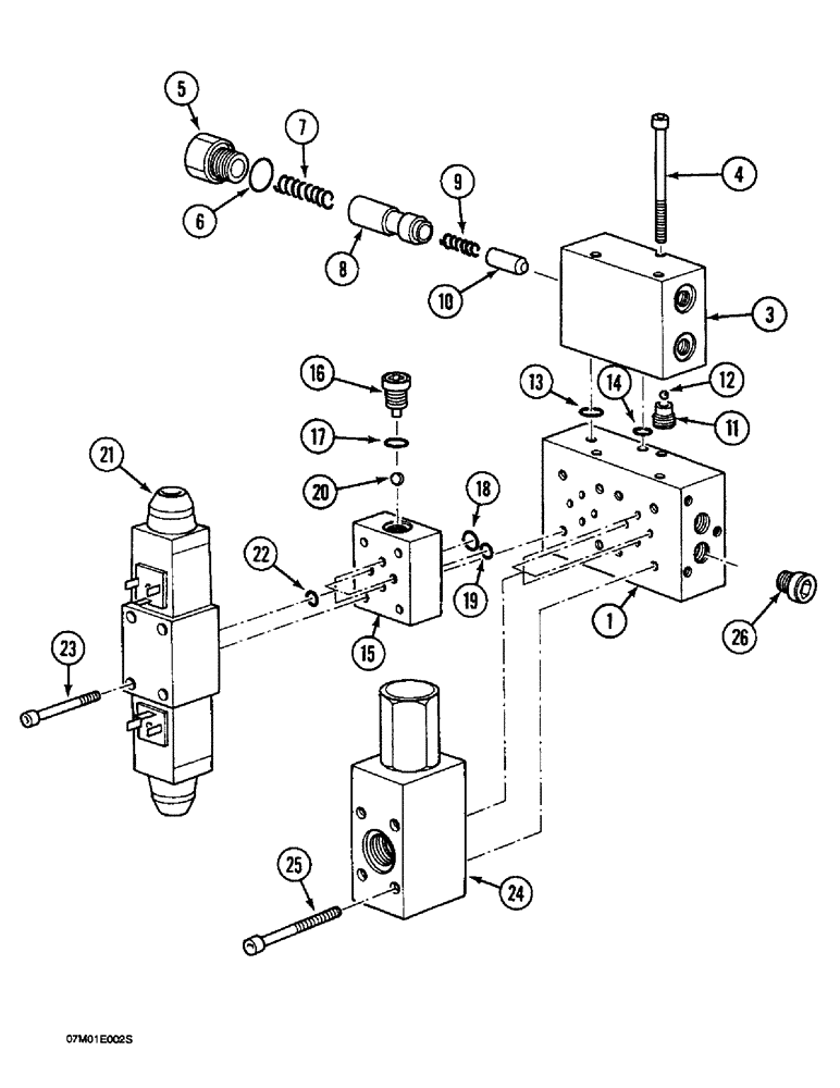
1

P3923371

BODY

BLOCK - manifold

1шт.

P3143393

BLOCK ASSY.

BLOCK ASSEMBLY - swing brake release, Includes: Ref. 3 - 14

1шт.

3

NSS

NOT SOLD SEPARAT

BLOCK - swing brake release

1шт.

4

P632913

SCREW

BOLT - hex socket, 5 mm x 80 mm, grade 10.9

3шт.

5

P3743357

CAP

PLUG - brake release block

1шт.

6

P1145268

SEAL

- plug

1шт.

7

P1038211

SPRING

- spool, large

1шт.

8

NSS

NOT SOLD SEPARAT

SPOOL - brake release block

1шт.

9

P1038212

SPRING

- poppet, small

1шт.

10

NSS

NOT SOLD SEPARAT

POPPET - brake release

1шт.

11

P3743356

SEAT

PLUG - check valve

1шт.

12

P31002

BALL

- check valve

1шт.

13

P1130463

O-RING

- brake release block, large

2шт.

14

P1230430

O-RING,0.07" Thk x 0.364" ID, -12, Cl 5, 75 Duro

- brake release block, small

1шт.

P2643379

BLOCK

ASSEMBLY - check valve, Includes: Ref. 15 - 20

1шт.

15

NSS

NOT SOLD SEPARAT

BLOCK - check valve

1шт.

16

P2537471

PLUG

- check valve

1шт.

17

P7046042

SEAL

- plug

1шт.

18

P1130463

O-RING

- block, large

1шт.

19

P1230430

O-RING,0.07" Thk x 0.364" ID, -12, Cl 5, 75 Duro

- block, small

3шт.

20

P31004

BALL

- check valve

2шт.

P3743364

DISTRIBUTOR

SOLENOID VALVE ASSEMBLY - pilot circuit control, Includes: Ref. 21 - 23

1шт.

21

NSS

NOT SOLD SEPARAT

SOLENOID VALVE - pilot circuit control

1шт.

22

P1230430

O-RING,0.07" Thk x 0.364" ID, -12, Cl 5, 75 Duro

- solenoid, Serial Range: valve-block

4шт.

23

P1332902

SCREW

BOLT - hex socket, 5 mm x 55 mm, used with SIGMA/VICKERS solenoid valve

4шт.

23

P1532936

SCREW

BOLT - hex socket, 5 mm x 75 mm, used with BOSCH solenoid valve

4шт.

24

REF

INSTRUCTION

VALVE ASSEMBLY - pressure limiter, (See Figure 8C-22)

1шт.

25

P1332902

SCREW

BOLT - hex socket, 5 mm x 55 mm

4шт.

26

P2537447

PLUG

- manifold block

2шт.

P7046042

SEAL

- plug

1шт.

Выбрано товаров: 30