Запчасти Case 1088 (8E-14) - CONTROL VALVE, USED WITH HYDRAULIC HAMMER (08) - HYDRAULICS

Схема запчастей Case 1088 - (8E-14) - CONTROL VALVE, USED WITH HYDRAULIC HAMMER (08) - HYDRAULICS
FIT
1:1
100%

Артикул

Название

Примечание

Количество

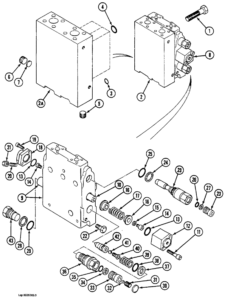
1

P1232977

SCREW

BOLT - hex, 16 mm x 90 mm, grade 10.9

3шт.

2

P3143638

LARGE PLATE

SECTION ASSEMBLY - inlet and outlet, hydraulic hammer control valve, Includes: Ref. 2A - 7

1шт.

2a

NSS

NOT SOLD SEPARAT

SECTION - inlet and outlet

1шт.

3

P2230466

O-RING,0.07" Thk x 0.489" ID, -14, Cl 6, 90 Duro

- inlet and outlet section, small

1шт.

4

P2230467

O-RING,0.103" Thk x 1.11" ID, -122, Cl 5, 75 Duro

- inlet and outlet section, large

4шт.

5

P3037414

PLUG

- section

1шт.

6

P737453

PLUG

- body

1шт.

7

P645050

HOLE PLUG BUTTON

DISC - section plug

1шт.

8

P3343618

DISTRIBUTOR

SECTION ASSEMBLY - control valve, hydraulic hammer, Includes: Ref. 9 - 22

1шт.

9

NSS

NOT SOLD SEPARAT

BODY AND PLUNGER - hydraulic hammer section, control valve

1шт.

10

NSS

NOT SOLD SEPARAT

SPOOL - hydraulic hammer section, control valve

1шт.

11

931527R1

HEX SOC SCREW,M8 x 65mm, Cl 10.9

Valve bracket Hex Soc Hd, M8 x 65, 10.9

2шт.

12

P2340462

CAP

- spool

1шт.

13

P2230464

O-RING

- spool end cap

2шт.

14

P1432932

SCREW

BOLT - hex socket, 8 mm x 10 mm, grade 10.9

2шт.

15

P1945382

WASHER

- flat, special

1шт.

16

P7646228

CUPEL

SEAT - spring

2шт.

17

P38295

SPRING

- spool

1шт.

18

P5140379

CAP

- spool

1шт.

19

P732909

SCREW

BOLT - hex socket, 8 mm x 25 mm, grade 10.9

2шт.

20

P3333042

SCREW

SET SCREW - end cap

1шт.

21

P2434541

NUT

- hex, self-locking

1шт.

22

P3037405

PLUG

- check valve

1шт.

P3143696

SHOCK ABSORBER

CIRCUIT RELIEF VALVE ASSEMBLY - hydraulic hammer control valve section, Includes: Ref. 23 - 43

2шт.

23

NSS

NOT SOLD SEPARAT

CIRCUIT RELIEF VALVE - hydraulic hammer control valve section

1шт.

24

P1245232

RING

BACKUP RING - seal

1шт.

25

P2230463

O-RING,0.103" Thk x 0.987" ID, -120, Cl 5, 75 Duro

- relief valve body

1шт.

26

P2230462

O-RING,0.103" Thk x 0.549" ID, -113, Cl 6, 90 Duro

- relief valve body

2шт.

27

P1245231

BACK-UP RING

BACKUP RING - seal

2шт.

28

P1245232

RING

BACKUP RING - seal

1шт.

29

P2230463

O-RING,0.103" Thk x 0.987" ID, -120, Cl 5, 75 Duro

- plug

1шт.

30

P2340461

BLANK-OFF PLUG

CAP - adjusting screw

1шт.

31

P3333065

SCREW

- ball retainer

1шт.

32

P31001

BALL

- check, flow control valve

1шт.

33

P7946229

SPARE PART SET

PLUG - adjusting, flow control valve

1шт.

34

P1245231

BACK-UP RING

BACKUP RING - seal

1шт.

35

P2230462

O-RING,0.103" Thk x 0.549" ID, -113, Cl 6, 90 Duro

- adjusting plug

1шт.

36

P2340475

CAP

BODY - flow control valve

1шт.

37

P1245232

RING

BACKUP RING - seal

1шт.

38

P2230463

O-RING,0.103" Thk x 0.987" ID, -120, Cl 5, 75 Duro

- body

1шт.

39

P2838177

SPRING

- flow control valve, (Replaces P1538155)

1шт.

40

P3333043

SCREW

- ball retainer

1шт.

41

P31002

BALL

- check, flow control valve

1шт.

42

P7946210

PISTON

SEAT - ball, flow control valve

1шт.

43

P3037406

PLUG

- valve body

1шт.

Выбрано товаров: 45