Запчасти Case 1088 (1-20) - PICTORIAL INDEX, HYDRAULIC HAMMER CIRCUIT (00) - PICTORIAL INDEX

Схема запчастей Case 1088 - (1-20) - PICTORIAL INDEX, HYDRAULIC HAMMER CIRCUIT (00) - PICTORIAL INDEX
FIT
1:1
100%

Артикул

Название

Примечание

Количество

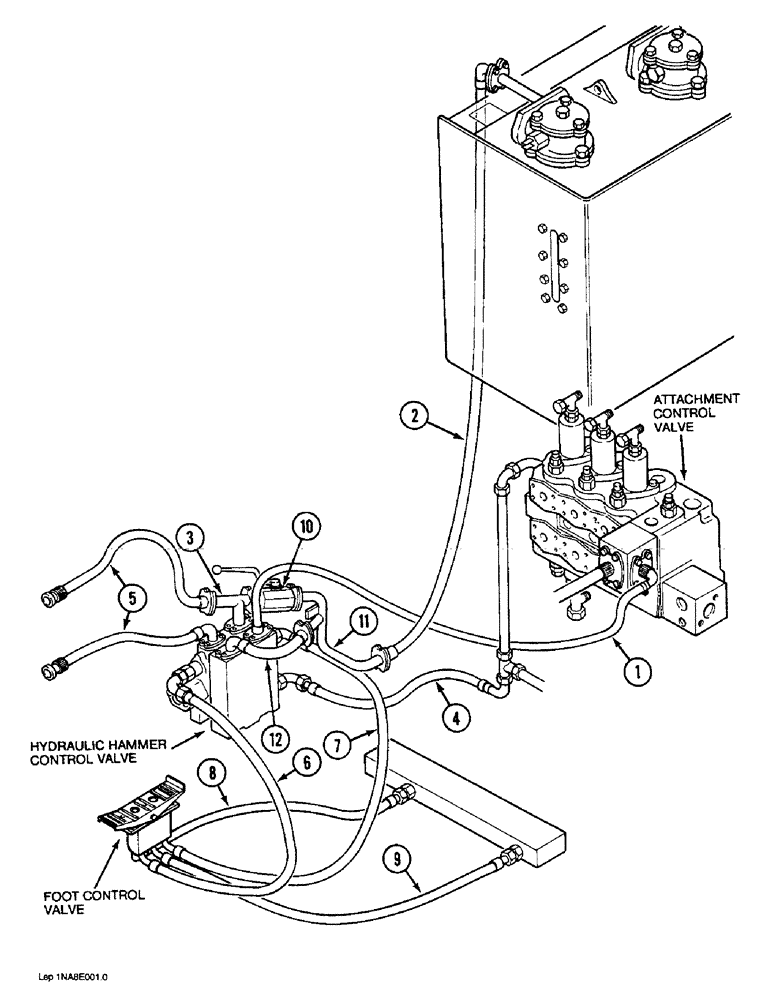
1

Hose, Pressure, Attachment Control Valve Block to Hydraulic Hammer Control Valve, Pages 8E-2 - 8E-6

1шт.

2

Hose, Return, Hydraulic Hammer Control Valve to Hydraulic Reservoir, Pages 8E-2 - 8E-6

1шт.

3

Manifold, Hydraulic Hammer Valve, Pages 8E-2 - 8E-6

1шт.

4

Hose, Control Circuit, Hydraulic Hammer Valve to Attachment Control Valve, Page 8E-8

1шт.

5

Hoses, Hydraulic Hammer Valve to Attachment Tubes, Pages 8E-2 - 8E-6

1шт.

6

Hoses, Control Circuit, Hydraulic Hammer Valve to Foot Control Valve, Page 8E-8

1шт.

7

Hose, Control Circuit, Hydraulic Hammer Valve to Foot Control Valve, Page 8E-8

1шт.

8

Hose, Control Circuit, Foot Control Valve to Manifold, Page 8E-8

1шт.

9

Hose, Control Circuit, Foot Control Valve to Manifold, Page 8E-8

1шт.

10

Shutoff Valve, Hydraulic Circuit Control, Page 8E-6

1шт.

11

Manifold, Return, Shutoff Valve to Hydraulic Reservoir, 8E-6

1шт.

12

Hose, Return, Outlet Section to Manifold, Page 8E-6

1шт.

Выбрано товаров: 12