Запчасти Case 1088 (8G-13A) - LOAD HOLDING VALVE, WITH BOOM CYLINDERS (08) - HYDRAULICS

Схема запчастей Case 1088 - (8G-13A) - LOAD HOLDING VALVE, WITH BOOM CYLINDERS (08) - HYDRAULICS
FIT
1:1
100%

Артикул

Название

Примечание

Количество

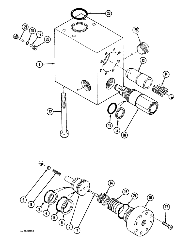
P5243357

BLOCK ASSY.

VALVE ASSEMBLY - load holding valve, Includes: Ref. 1 - 25

1шт.

1

NSS

NOT SOLD SEPARAT

BODY - load holding valve

1шт.

P8346271

SPOOL

POPPET ASSEMBLY - load holding valve, Includes: Ref. 2 - 9

1шт.

2

NSS

NOT SOLD SEPARAT

POPPET - valve

1шт.

3

P1230443

O-RING

- poppet, small, 2.62 mm x 23.47 mm

1шт.

4

P1746045

BACK-UP RING

BACKUP RING - O-ring, small

1шт.

5

P30405

O-RING

- poppet, large, 2.62 x 32.99 mm

1шт.

6

P945222

BACK-UP RING

BACKUP RING - O-ring, large, 2.18 x 33.81 mm

1шт.

7

P6027897

VALVE POPPET

CLAPET - poppet

1шт.

8

P1538183

SPRING

- poppet

1шт.

9

P532820

SCREW

- poppet, 8 mm x 6 mm

1шт.

P4043393

PRESSURE LIMITER

VALVE ASSEMBLY - pressure limiter, Includes: Ref. 10 - 12

1шт.

10

NSS

NOT SOLD SEPARAT

VALVE - pressure limiter

1шт.

11

P2230463

O-RING,0.103" Thk x 0.987" ID, -120, Cl 5, 75 Duro

- pressure limiter, 2.65 mm x 25 mm

1шт.

12

P1245232

RING

BACKUP RING - pressure limiter

1шт.

13

P1729852

VALVE POPPET

SEAT - valve spring

1шт.

14

P1538186

SPRING

- poppet

2шт.

15

P6527809

PISTON

- valve

1шт.

16

P150252

CAP

- valve

1шт.

17

P1032901

SCREW

BOLT - hex socket, 5 mm x 25 mm, full thread

8шт.

18

P2230441

SEAL

- plug

1шт.

19

P31001

BALL

- check, valve

1шт.

20

P4229102

SEAT

- ball

1шт.

21

P650231

CAP

PLUG - valve body

1шт.

22

P1032924

SCREW

BOLT - hex socket, 10 mm x 110 mm

4шт.

23

P1130483

O-RING

- valve body to manifold, 3.53 mm x 24.99 mm

1шт.

24

P30487

O-RING,0.103" Thk x 1.487" ID, -128, Cl 5, 75 Duro

- cap to body, 2.62 mm x 37.77 mm

1шт.

25

P2537413

PLUG

- valve body

1шт.

P1145268

SEAL

- plug

1шт.

Выбрано товаров: 29