Запчасти Case 1088 (8G-22) - ARM CYLINDER CIRCUIT, TUBES AT CYLINDER (08) - HYDRAULICS

Схема запчастей Case 1088 - (8G-22) - ARM CYLINDER CIRCUIT, TUBES AT CYLINDER (08) - HYDRAULICS
FIT
1:1
100%

Артикул

Название

Примечание

Количество

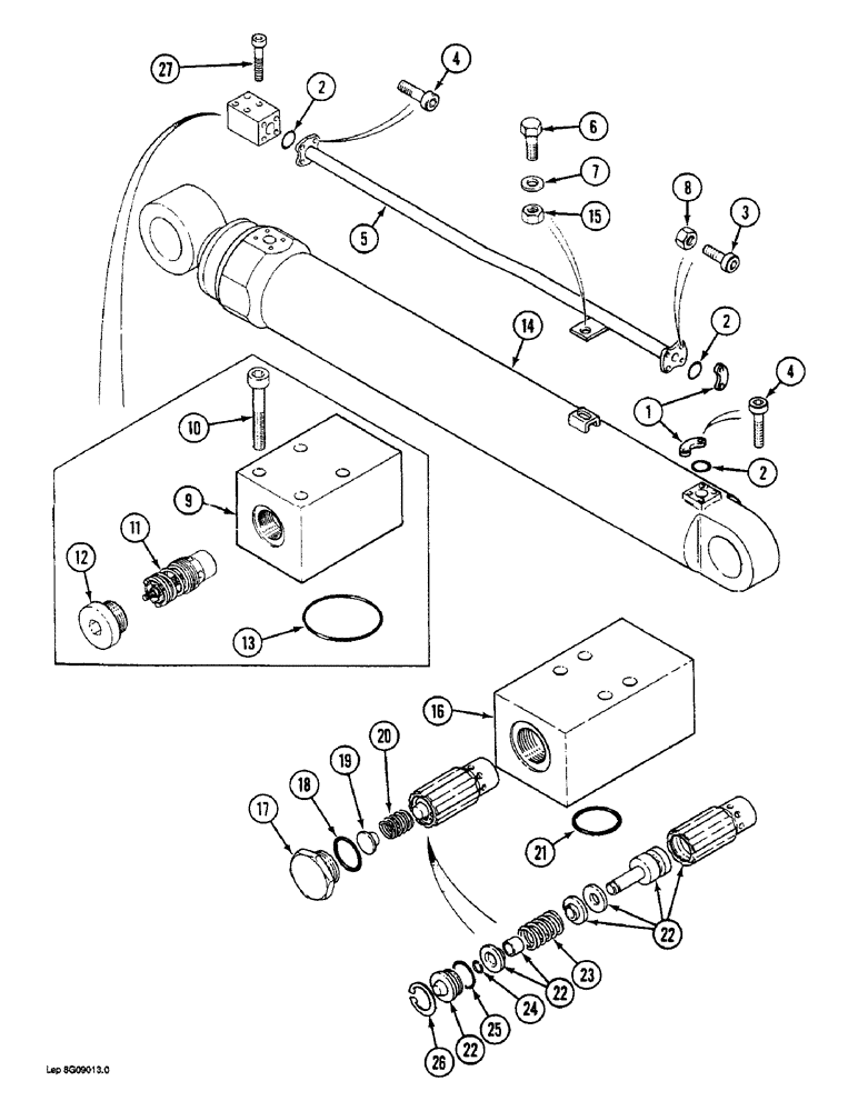
1

P4024266

CLAMP

SPLIT FLANGE - hose flange

4шт.

2

P1130483

O-RING

- tube and hose flange

4шт.

3

P32937

SCREW

BOLT - hex socket, 10 mm x 50 mm

4шт.

4

14420331

HEX SOC SCREW,M10 x 1.5 x 35mm, Cl 10.9, Full Thd

8шт.

5

P8747607

PIPE

TUBE - to rod end of arm cylinder

1шт.

6

P933839

SCREW

BOLT - hex, 10 mm x 35 mm

1шт.

7

P3528795

WASHER

SPACER - bolt, 7 mm thick

1шт.

8

86500689

NUT,M10 x 1.5, Cl 10

5шт.

P3743367

SHIN

BLOCK ASSEMBLY - restrictor (Order P5243316), Includes: Ref. 9 - 13

1шт.

9

NSS

NOT SOLD SEPARAT

BLOCK - restrictor

1шт.

10

P432938

SCREW

BOLT - hex socket, 10 mm x 70 mm

4шт.

11

P5143326

LIMITER, TRAVEL

RESTRICTOR ASSEMBLY - hydraulic

1шт.

12

P2537429

PLUG

- restrictor block

1шт.

P5746063

SEAL

- plug

1шт.

13

P1130483

O-RING

- block

1шт.

14

REF

INSTRUCTION

CYLINDER ASSEMBLY - arm (See Figure 8G-26, 8G-28 or 8G-30)

1шт.

15

P34598

SAFETY NUT

NUT - hex, self-locking, 10 mm

1шт.

P5243316

SHIN

BLOCK ASSEMBLY - poppet valve, Includes: Ref. 16 - 26

1шт.

16

NSS

NOT SOLD SEPARAT

BLOCK - poppet valve

1шт.

17

P3937418

PLUG - block

1шт.

18

P5746063

SEAL

- plug

1шт.

19

P6527810

STOP - poppet valve

1шт.

20

P2838186

SPRING - poppet valve

1шт.

21

P1130483

O-RING

- block

1шт.

P5243317

POPPET VALVE ASSEMBLY

1шт.

22

NSS

NOT SOLD SEPARAT

PARTS - not serviced separately (Order P5243317 unit)

1шт.

23

P2838185

SPRING - spool

1шт.

24

P6527813

SNAP RING - spool

1шт.

25

P1230458

O-RING - poppet valve

1шт.

26

P436211

SNAP - poppet valve

1шт.

27

P432938

SCREW

BOLT - hex socket, 10 mm x 70 mm

4шт.

Выбрано товаров: 31