Запчасти Case 1088 (8H-6) - CYLINDER LUBRICATION LINES, TUBES AT BOOM (08) - HYDRAULICS

Схема запчастей Case 1088 - (8H-6) - CYLINDER LUBRICATION LINES, TUBES AT BOOM (08) - HYDRAULICS
FIT
1:1
100%

Артикул

Название

Примечание

Количество

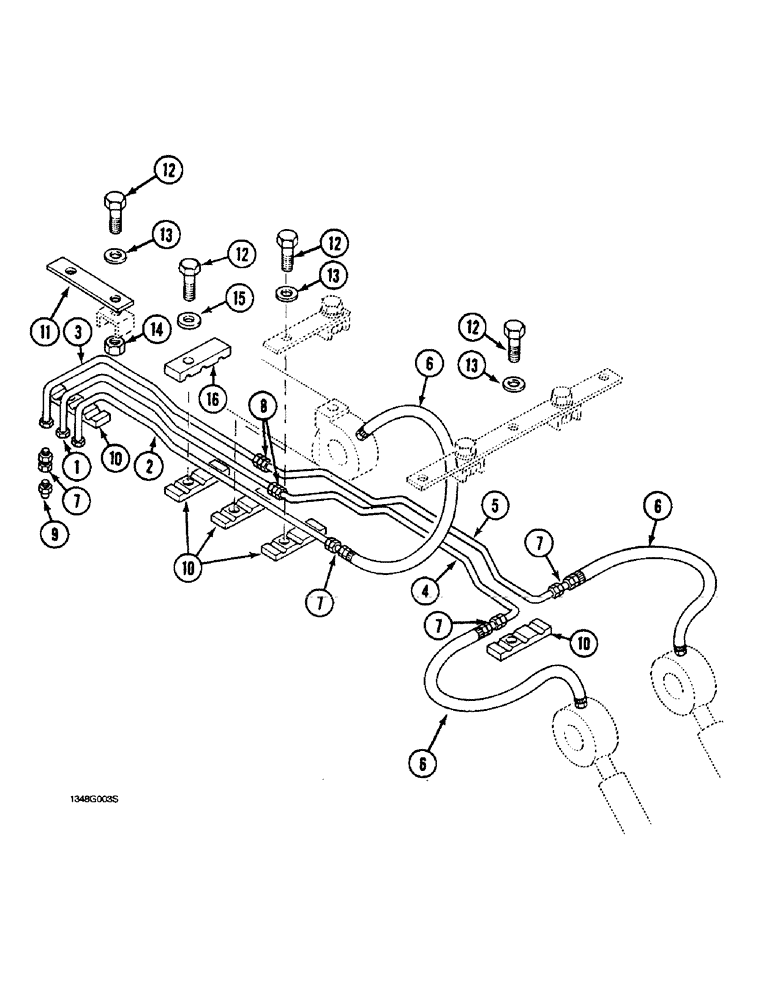
1

P6649103

PIPE

TUBE - lubrication, rod end of left-hand boom cylinder, front section

1шт.

2

P6649104

PIPE

TUBE - lubrication, base end of arm cylinder

1шт.

3

P6649105

PIPE

TUBE - lubrication, rod end of right-hand boom cylinder, front section

1шт.

4

P6449045

PIPE

TUBE - lubrication, rod end of left-hand boom cylinder, rear section

1шт.

5

P6449044

PIPE

TUBE - lubrication, rod end of right-hand boom cylinder, rear section

1шт.

6

P5931961

HOSE

- 27-9/16 inch long, Serial Range: tubes-cylinders

3шт.

7

P3237597

FITTING

ADAPTER - lubrication tube to grease fittings and hoses

6шт.

8

P3237534

UNION

ADAPTER - straight

2шт.

9

933781R1

LUBE NIPPLE,M10 x 1

NIPPLE, LUBE, M10 x 1

3шт.

10

P4620363

SHIN

CLAMP - tube, for three tubes

5шт.

11

P3723103

SUPPORT

BRACKET - mounting, tube clamp, (Replaces P3523101)

1шт.

12

P933839

SCREW

BOLT - hex, 10 mm x 35 mm

6шт.

13

P4328796

WASHER

SPACER - bolt, 7 mm thick

5шт.

14

86500689

NUT,M10 x 1.5, Cl 10

1шт.

15

P3528795

WASHER

SPACER - bolt, 7 mm thick

1шт.

16

P4620316

SHIN

CLAMP - tube, for three tubes

1шт.

Выбрано товаров: 16