Запчасти Case 1088 (9B-02) - ENGINE FRAME AND ACCESS COVERS (09) - CHASSIS/ATTACHMENTS

Схема запчастей Case 1088 - (9B-02) - ENGINE FRAME AND ACCESS COVERS (09) - CHASSIS/ATTACHMENTS
FIT
1:1
100%

Артикул

Название

Примечание

Количество

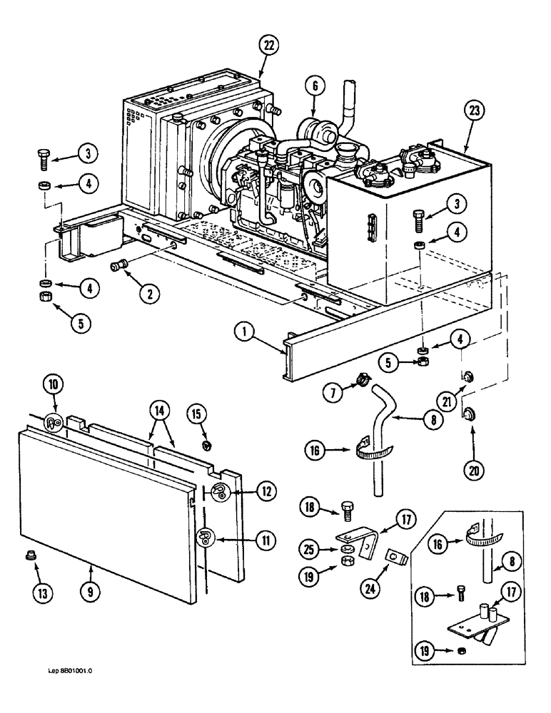
1

P55647

FRAME

- engine and hydraulic reservoir mounting, Serial Range: 19801-20224

1шт.

1

P55647

FRAME

- engine and hydraulic reservoir mounting, Serial Range: 106901-106910

1шт.

1

P55688

CHASSIS

FRAME - engine and hydraulic reservoir mounting, Start Serial: 20225

1шт.

1

P55688

CHASSIS

FRAME - engine and hydraulic reservoir mounting, Start Serial: 106911

1шт.

2

P41478

GROMMET

- frame, electrical harness

5шт.

3

P33866

SCREW

BOLT - hex, 20 mm x 75 mm

5шт.

4

P4328747

WASHER

SPACER - bolt, 14 mm thick

10шт.

5

P134564

SAFETY NUT

NUT - hex, self-locking, 20 mm

5шт.

6

REF

INSTRUCTION

ENGINE ASSEMBLY - excavator, (See Figures 2-26 through 2-64, 3-8 through 3-16)

1шт.

7

P36998

COLLAR CLAMP

CLAMP - breather hose

2шт.

8

REF

INSTRUCTION

HOSE - 550 mm long, engine breather, cut from P31901, Serial Range: 19801-20224

1шт.

8

REF

INSTRUCTION

HOSE - 550 mm long, engine breather, cut from P31901, Serial Range: 106901-106910

1шт.

8

REF

INSTRUCTION

HOSE - 670 mm long, engine breather, cut from P31901, Start Serial: 20225

1шт.

8

REF

INSTRUCTION

HOSE - 670 mm long, engine breather, cut from P31901, Start Serial: 106911

1шт.

9

P7043837

COWL

COVER - engine front

1шт.

10

REF

INSTRUCTION

SEAL - cover, 1430 mm long, cut from P1303155

1шт.

11

REF

INSTRUCTION

SEAL - cover, 495 mm long, cut from P1303155

1шт.

12

REF

INSTRUCTION

SEAL - cover, 65 mm long, cut from P1303155

1шт.

13

P41467

STOP

PLUG - cover, rubber

4шт.

14

P4441452

FOAM

PAD - insulation, engine cover, (Replaces P3841486)

2шт.

15

P3036998

CLIP,ELECTRICAL

RETAINER -, Serial Range: pad-cover

14шт.

16

P51946

CLAMP

TIE STRAP - hose, 258 mm long

1шт.

17

P7128223

SUPPORT

- hose, engine breather, Serial Range: 19801-20224

1шт.

17

P7128223

SUPPORT

- hose, engine breather, Serial Range: 106901-106910

1шт.

17

P3226185

SUPPORT

- hose, engine breather, Start Serial: 20225

1шт.

17

P3226185

SUPPORT

- hose, engine breather, Start Serial: 106911

1шт.

18

P933890

SCREW

BOLT - hex, 10 mm x 30 mm, Serial Range: 19801-20224

2шт.

18

P933890

SCREW

BOLT - hex, 10 mm x 30 mm, Serial Range: 106901-106910

2шт.

18

P933890

SCREW

BOLT - hex, 10 mm x 30 mm, Start Serial: 20225

1шт.

18

P933890

SCREW

BOLT - hex, 10 mm x 30 mm, Start Serial: 106911

1шт.

19

P34598

SAFETY NUT

NUT - hex, self-locking, 10 mm, Serial Range: 19801-20224

2шт.

19

P34598

SAFETY NUT

NUT - hex, self-locking, 10 mm, Serial Range: 106901-106910

2шт.

19

P34598

SAFETY NUT

NUT - hex, self-locking, 10 mm, Start Serial: 20225

1шт.

19

P34598

SAFETY NUT

NUT - hex, self-locking, 10 mm, Start Serial: 106911

1шт.

20

P3237454

PLASTIC PLUG

PLUG - plastic, at frame, small

1шт.

21

P3037441

PLASTIC PLUG

PLUG - plastic, at frame, large

2шт.

22

REF

INSTRUCTION

COOLER - oil and water, (See Figures 2-10 and 2-12)

1шт.

23

REF

INSTRUCTION

HYDRAULIC RESERVOIR - oil, (See Figure 8A-2)

1шт.

24

P3036926

BASE

RETAINER - hose, strap, Start Serial: 20225

1шт.

24

P3036926

BASE

RETAINER - hose, strap, Start Serial: 106911

1шт.

25

P34611

WASHER

SPACER - flat, 10 mm, Start Serial: 20225

1шт.

25

P34611

WASHER

SPACER - flat, 10 mm, Start Serial: 106911

1шт.

Выбрано товаров: 42