Запчасти Case 1088 (9D-20) - ENGINE THROTTLE CONTROL (09) - CHASSIS/ATTACHMENTS

Схема запчастей Case 1088 - (9D-20) - ENGINE THROTTLE CONTROL (09) - CHASSIS/ATTACHMENTS
FIT
1:1
100%

Артикул

Название

Примечание

Количество

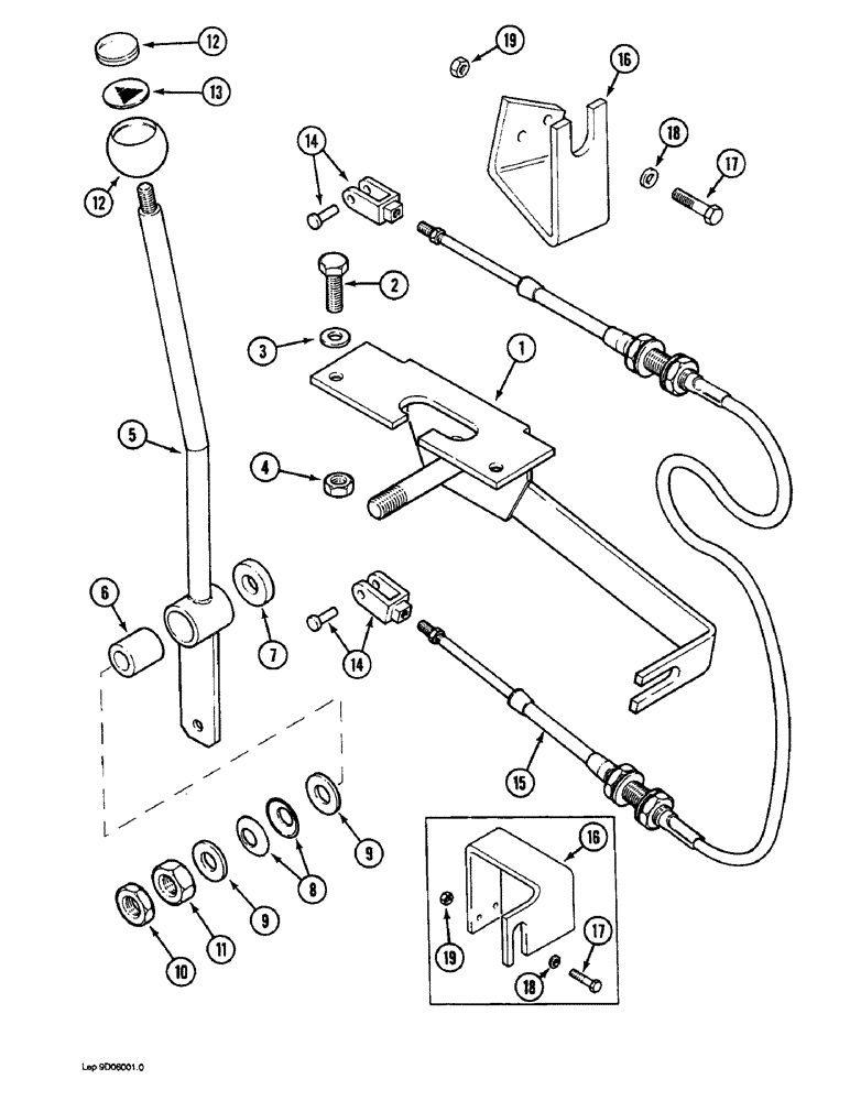
1

P7128255

SUPPORT

BRACKET - support, throttle control

1шт.

2

P32621

SCREW

BOLT - hex, 6 mm x 16 mm

2шт.

3

P3528799

WASHER

SPACER - bolt, 4 mm thick

2шт.

4

P1634573

NUT

- hex, self-locking, 6 mm

2шт.

5

P1941854

LEVER

HANDLE - throttle control, (Replaces P5242767)

1шт.

6

P29298

SELF LUB RING

BUSHING - handle

1шт.

7

P1245218

WASHER

SHIM, Serial Range: --bracket

1шт.

8

P34906

RUBBER WASHER

WASHER - spring type

2шт.

9

P35005

WASHER

- flat, 14 mm

2шт.

10

P34546

NUT

- hex, 14 mm

1шт.

11

P34168

NUT

- hex, 14 mm

1шт.

12

P152055

BALL KNOB

KNOB - handle

1шт.

13

P1751525

DECAL

- travel way

1шт.

14

P2146214

CLEVIS

FORK ASSEMBLY - throttle control

2шт.

15

P5242775

CABLE

ASSEMBLY - throttle control

1шт.

16

P3226188

STOP LOCK

BRACKET - throttle cable at engine, (Replaces P2425994), (Order P3526148)

1шт.

17

P33808

SCREW

BOLT - hex, 6 mm x 30 mm, full thread, (If used)

2шт.

17

86977786

BOLT,Hex, M6 x 1 x 25mm, Cl 8.8

Hex, M6 x 25, 8.8, Full Thd (If used)

2шт.

18

P3528799

WASHER

SPACER - bolt, 4 mm thick, (If used)

2шт.

18

P35001

WASHER

SPACER - bolt, flat, (If used)

2шт.

19

P234513

SAFETY NUT

NUT - hex, self-locking, 6 mm

2шт.

Выбрано товаров: 21