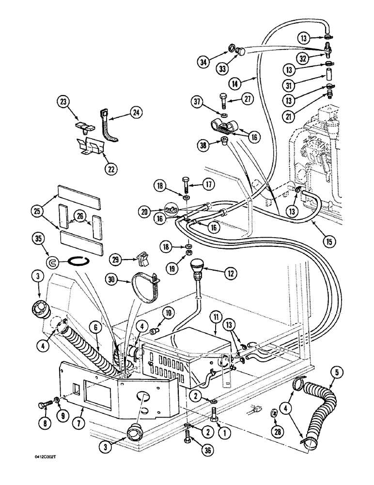
Запчасти Case 1088 (9D-26) - ADAPTING PARTS AND HEATER LINES, P.I.N. FROM XXXXX AND AFTER, P.I.N. FROM 106901 AND AFTER (09) - CHASSIS/ATTACHMENTS

Схема запчастей Case 1088 - (9D-26) - ADAPTING PARTS AND HEATER LINES, P.I.N. FROM XXXXX AND AFTER, P.I.N. FROM 106901 AND AFTER (09) - CHASSIS/ATTACHMENTS
FIT
1:1
100%

Артикул

Название

Примечание

Количество

1

P733035

SCREW

BOLT - hex, 6 mm x 35 mm

3шт.

2

P3528799

WASHER

SPACER - bolt, 4 mm thick

4шт.

3

P3543238

DIFFUSER

- air

2шт.

4

P136922

CLAMP

- heater hose, 13-3/4 inch long

4шт.

5

P5931942

LOOM

HOSE - heater to lower diffuser

1шт.

6

P5931910

LOOM

HOSE - heater to windshield diffuser

1шт.

7

P3126320

HOOD

PANEL - heater and lower diffuser

1шт.

8

43127

BOLT,Hex, M8 x 1.25 x 25mm, Cl 8.8

BOLT, Hex, M8 x 25, 8.8

6шт.

9

P3528794

WASHER

SPACER - bolt, 6 mm thick

6шт.

10

P234587

NUT

RETAINER - bolt, at operator compartment

6шт.

11

REF

INSTRUCTION

HEATER ASSEMBLY - cab, (See Figure 4-28, 4-30 or 4-32)

1шт.

12

P4831326

CONTROL SLIDE

CABLE ASSEMBLY - heater control

1шт.

13

P3036994

CLAMP

- heater hose to engine and heater

6шт.

14

REF

INSTRUCTION

HOSE - 167-5/16 inch long, heater to adapter, cut from P3636

1шт.

15

REF

INSTRUCTION

HOSE - 141-3/4 inch long, heater to engine, cut from P3636

1шт.

16

P836985

CLAMP

- heater, Serial Range: hose-frame

2шт.

17

P833802

SCREW

BOLT - hex, 10 mm x 50 mm

1шт.

18

P3528795

WASHER

SPACER - bolt, 7 mm thick

2шт.

19

P34598

SAFETY NUT

NUT - hex, self-locking, 10 mm

1шт.

20

REF

INSTRUCTION

GUARD - edge, hose, 4-1/2 inch long, cut from P1303161

2шт.

21

P4837543

FITTING

ADAPTER - hose barb, heater hose to engine, (Replaces P337520)

1шт.

22

P2036902

CLASP

CLIP - retainer, 3 mm - 7 mm range

2шт.

22

P2036903

CLASP

CLIP - retainer, 8 mm - 13 mm range

1шт.

23

PP2036939

CLASP

RETAINER - tie strap

3шт.

24

P51946

CLAMP

TIE STRAP - hoses to retainer and hoses, 10-1/8 inch long

13шт.

25

REF

INSTRUCTION

SEAL - panel, 15 inch long, cut from B403145

2шт.

26

REF

INSTRUCTION

SEAL - panel, 5-5/8 inch long, cut from B403145

2шт.

27

43127

BOLT,Hex, M8 x 1.25 x 25mm, Cl 8.8

BOLT, Hex, M8 x 25, 8.8

2шт.

28

P936355

RING

SNAP RING - heater control cab

1шт.

29

P3036926

BASE

RETAINER - hose strap

1шт.

30

P136922

CLAMP

TIE STRAP - hose, 13-3/4 inch long

1шт.

32

P1237246

FITTING

ADAPTER - bleed valve

1шт.

33

P433813

SCREW

PLUG - adapter

1шт.

34

P5346094

SEAL

- plug

1шт.

35

REF

INSTRUCTION

SEAL - 12 inch long, cut from P303112

1шт.

36

P433829

SCREW

BOLT - hex, 6 mm x 60 mm

1шт.

37

P35002

WASHER

SPACER - bolt

2шт.

38

P35449

RIVET

RETAINER - sleeve type, 8 mm

2шт.

Выбрано товаров: 38