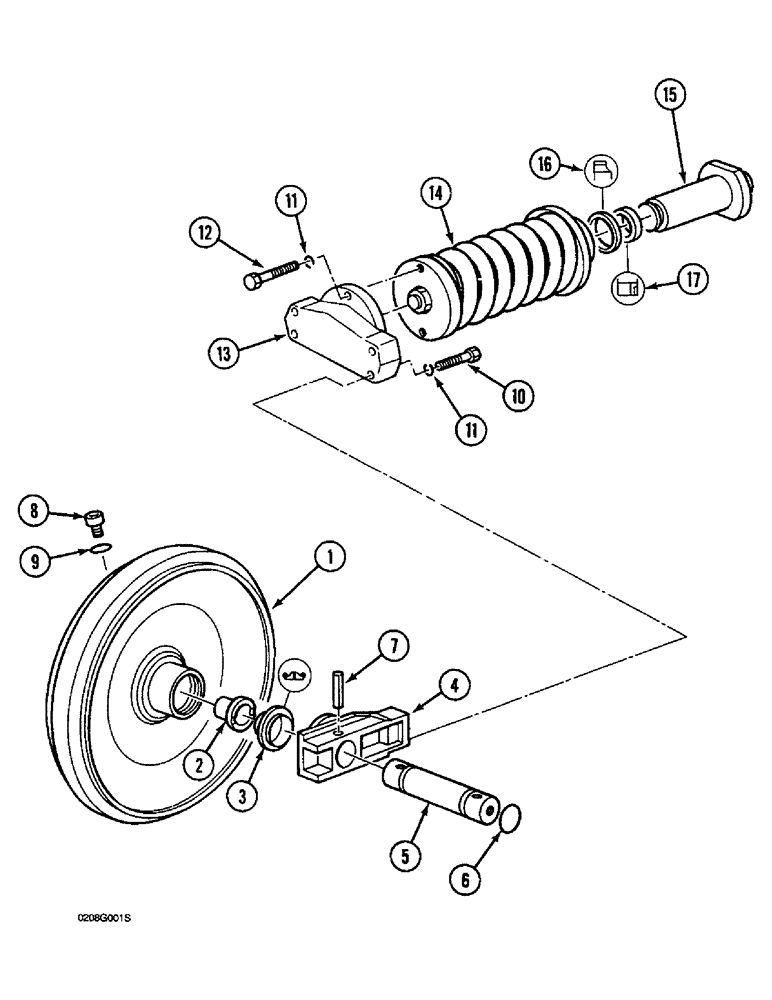
Запчасти Case 1088 (5-20) - TRACK IDLER AND ADJUSTMENT CYLINDER, ITM IDENTIFICATION (11) - TRACKS/STEERING

Схема запчастей Case 1088 - (5-20) - TRACK IDLER AND ADJUSTMENT CYLINDER, ITM IDENTIFICATION (11) - TRACKS/STEERING
FIT
1:1
100%

Артикул

Название

Примечание

Количество

P1642335

FRONT IDLER

IDLER ASSEMBLY - track, Includes: Ref. 1 - 9

2шт.

1

NSS

NOT SOLD SEPARAT

WHEEL - idler

1шт.

2

P1528658

BUSHING

- idler wheel

2шт.

3

P1046032

SET OF GASKET

SEAL ASSEMBLY - oil, idler wheel

2шт.

4

P4228249

SUPPORT

BRACKET - idler wheel

2шт.

5

P5327826

SHAFT

- idler wheel

1шт.

6

P2230407

O-RING

- idler shaft

2шт.

7

P35920

PIN, ROLL

ROLL-PIN - idler, Serial Range: shaft-bracket

2шт.

8

P737448

PLUG

- filler, idler wheel

1шт.

9

P2230408

O-RING

- filler plug

1шт.

10

P33857

SCREW

BOLT - hex, 16 mm x 100 mm

4шт.

11

P34715

WASHER, LOCK

WASHER - lock

6шт.

12

P33854

SCREW

BOLT - hex, 16 mm x 50 mm

2шт.

13

P7128289

CROSSBAR

BRACKET - spring and cylinder mounting

1шт.

P2042316

SHOCK ABSORBER

SPRING AND CYLINDER TUBE ASSEMBLY - track adjustment, Includes: Ref. 14 - 17

1шт.

14

NSS

NOT SOLD SEPARAT

SPRING AND CYLINDER TUBE - track adjustment

1шт.

15

P7946220

PISTON

- adjustment cylinder

1шт.

16

P151319

WIPER SEAL

SEAL - piston, outer

1шт.

17

P3946055

SEAL

- piston, inner

1шт.

Выбрано товаров: 0