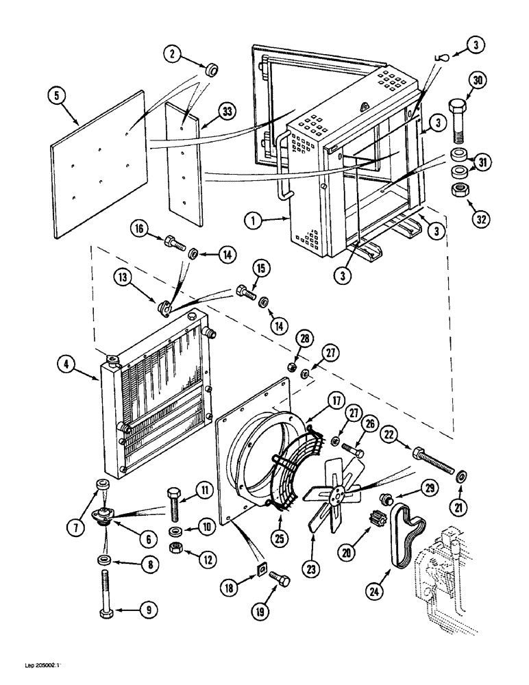
Запчасти Case 1088 (2-12) - RADIATOR, OIL COOLER & RADIATOR SHROUD, P.I.N. FROM 20174 AND AFTER, P.I.N. FROM 106901 AND AFTER (02) - ENGINE

Схема запчастей Case 1088 - (2-12) - RADIATOR, OIL COOLER & RADIATOR SHROUD, P.I.N. FROM 20174 AND AFTER, P.I.N. FROM 106901 AND AFTER (02) - ENGINE
FIT
1:1
100%

Артикул

Название

Примечание

Количество

1

REF

INSTRUCTION

SHROUD - radiator, (See Figure 9B-10)

1шт.

2

P3036998

CLIP,ELECTRICAL

RETAINER -, Serial Range: pad-shroud

12шт.

3

REF

INSTRUCTION

SEAL - shroud, 26-3/8 inch long, cut from P4441419, (Replaces P1303178)

4шт.

4

P3543299

RADIATOR

- engine and hydraulic oil cooling, (See Figures 2-14 and 2-16)

1шт.

5

P4441464

FOAM

PAD - insulation, shroud, right-hand side, (Replaces P4241488)

1шт.

6

P2241484

SUPPORT

MOUNT - rubber, lower radiator

2шт.

7

P4328730

WASHER

SPACER - bolt, 20 mm thick

2шт.

8

P3528795

WASHER

SPACER - bolt, 7 mm thick

2шт.

9

P933808

SCREW

BOLT - hex, 10 mm x 90 mm

2шт.

10

P3528794

WASHER

SPACER - bolt, 6 mm thick

6шт.

11

P733029

SCREW

BOLT - hex, 8 mm x 30 mm, full thread

6шт.

12

P134596

SAFETY NUT

NUT - hex, self-locking, 8 mm

6шт.

13

P4741451

SUPPORT

MOUNT - rubber, radiator top, (Replaces P4241459)

2шт.

14

P3528799

WASHER

SPACER - bolt, 4 mm thick

6шт.

15

P32621

SCREW

BOLT - hex, 6 mm x 16 mm

4шт.

16

120100

BOLT,M6 x 20mm, Cl 8.8

2шт.

17

P5140304

ORIFICE RING

SHROUD - fan

1шт.

18

P5123410

PLATE

SPACER - bolt, 6 mm thick

8шт.

19

P933817

SCREW

BOLT - hex, 8 mm x 22 mm, full thread

8шт.

20

A184523

SPACER

- fan blade

1шт.

21

P5428776

WASHER

- flat, special

4шт.

22

P233832

SCREW

BOLT - hex, 10 mm x 80 mm, full thread

4шт.

23

A189123

FAN

- engine cooling

1шт.

24

J911557

V-BELT,27.92mm W x 1422.4mm L, 8 Ribs

Radiator Fan 3.56 mm W x 1422.40 mm L, 8 Ribs

1шт.

25

P8028292

PROTECTOR

GUARD - fan, (Replaces P7628275)

1шт.

26

P233830

SCREW

BOLT - hex, 8 mm x 40 mm

3шт.

27

P3528794

WASHER

SPACER - bolt, 6 mm thick

6шт.

28

P134596

SAFETY NUT

NUT - hex, self-locking, 8 mm

3шт.

29

REF

INSTRUCTION

PULLEY - radiator fan, (See Figure 2-26)

1шт.

30

P33866

SCREW

BOLT - hex, 20 mm x 75 mm

4шт.

31

P4328747

WASHER

SPACER - bolt, 14 mm thick

8шт.

32

P134564

SAFETY NUT

NUT - hex, self-locking, 20 mm

4шт.

33

P4441462

FOAM

PAD - insulation, shroud, rear side, (Replaces P4241424)

1шт.

Выбрано товаров: 33