Запчасти Case 1088 (2-24) - ETHER STARTING SYSTEM (02) - ENGINE

Схема запчастей Case 1088 - (2-24) - ETHER STARTING SYSTEM (02) - ENGINE
FIT
1:1
100%

Артикул

Название

Примечание

Количество

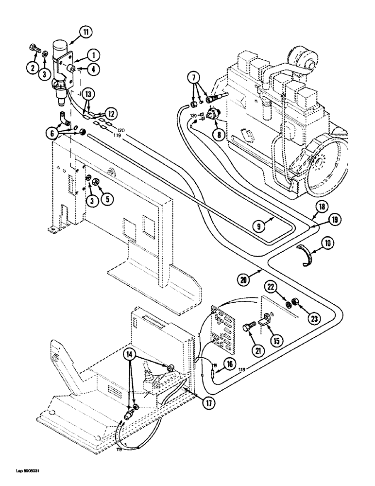
1

A172516

VALVE

SOLENOID ASSEMBLY - ether start

1шт.

2

P133808

SCREW

BOLT - hex, 6 mm x 45 mm

4шт.

3

P3528799

WASHER

SPACER - bolt, 4 mm thick

8шт.

4

P4328730

WASHER

SPACER - bolt, 20 mm thick

4шт.

5

P234513

SAFETY NUT

NUT - hex, self-locking

4шт.

6

222-615

ELBOW,90 Degree, 5/16"-24 x 1/8" NPT, Comp

1шт.

7

A189154

JET

NOZZLE ASSEMBLY - atomizer

1шт.

8

A172117

SWITCH

SENDER - temperature

1шт.

9

REF

INSTRUCTION

TUBE - ether, 98-1/2" long, cut from P3693

1шт.

10

P51946

CLAMP

TIE STRAP - tube, 10-1/8" long

1шт.

11

A171940

CYLINDER

CONTAINER - ether starting

1шт.

12

P640934

END FITTING

COVER - wire clip

2шт.

13

P440901

CONNECTOR,ELECTRIC

TERMINAL - male

2шт.

14

D90961

SWITCH

ASSEMBLY - pusher

1шт.

15

P640965

CONNECTION

CLIP - wire, male

1шт.

16

P40941

CONNECTION,ELECTRIC

CLIP - wire, retainer

1шт.

17

P1352235

CABLE

WIRE ASSEMBLY - switch to circuit board

1шт.

18

P352255

CABLE

WIRE ASSEMBLY - circuit, Serial Range: board-sender

1шт.

19

P352256

CABLE

WIRE ASSEMBLY -, Serial Range: sender-solenoid

1шт.

20

P352257

CABLE

WIRE ASSEMBLY - solenoid to circuit board

1шт.

21

P32538

SCREW

- slotted, 5 mm x 16 mm

1шт.

22

P4328718

WASHER

SPACER - screw, 3 mm thick

1шт.

23

P34108

NUT

- hex, 5 mm

1шт.

Выбрано товаров: 23