Запчасти Case 1088 (2-32) - TURBOCHARGER SYSTEM, 6T-590 ENGINE (02) - ENGINE

Схема запчастей Case 1088 - (2-32) - TURBOCHARGER SYSTEM, 6T-590 ENGINE (02) - ENGINE
FIT
1:1
100%

Артикул

Название

Примечание

Количество

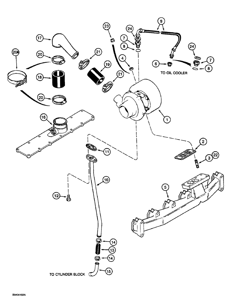
1

REF

INSTRUCTION

TURBOCHARGER ASSEMBLY - engine, (See Figure 2-34 for correct assembly and parts list)

1шт.

2

J901356

GASKET,0.5mm Thk

-, Serial Range: turbocharger-manifold

1шт.

3

J905417

STUD

- turbocharger mounting, (No longer used, replace with Ref. 22 and 23, J818823 stud and J818924 nut)

4шт.

4

J901961

NUT

- hex, turbocharger mounting, (No longer used, replace with Ref 22 and 23, J818823 stud and J818924 nut)

4шт.

5

J901683

MANIFOLD

- exhaust, (See Figure 2-30 for mounting parts)

1шт.

6

A77547

ADAPTER - female hex, 1/4 inch PT, oil supply hose to J902295 oil filter head, (See Figure 2-36, Ref. 1)

1шт.

7

J919687

HYD CONNECTOR

ADAPTER - female hex, 12 mm straight thread, one used to connect turbocharger oil supply hose to J919113 turbocharger, one used to connect oil supply hose to J918954 oil filter head, (See Figure 2-36 Ref. 13)

1-2шт.

8

238-5013

O-RING,0.07" Thk x 0.426" ID, -13, Cl 5, 75 Duro

-013, 70 Duro, .426" ID x .070" Thk

1шт.

9

J909548

HOSE

- oil supply, turbocharger

1шт.

10

J918579

TUBE

- oil drain

1шт.

11

J914388

GASKET

- oil drain tube

1шт.

12

845-8020

BOLT,Hvy Hex, M8 x 20mm, Cl 8.8

- heavy hex flange, 8 - 1.25 x 20 mm

2шт.

13

J903745

LARGE HOSE

HOSE - turbocharger oil drain

1шт.

14

214-255

HOSE CLAMP,#16, 0.81" - 1.5", Type F Worm

- adj., turbocharger drain hose #16, 0.81/1.50 Type F Worm

2шт.

15

J903744

PIPE FITTING,22.42 mm ID x 28 mm OD x 90.2, 64 mm L

TUBE - turbocharger oil drain

1шт.

16

J904862

COVER

- intake manifold, (See Figure 2-30, Ref. 4)

1шт.

17

J906973

AIR INTAKE TUBE,42 - 54.7 mm ID x 50.8 - 63.5 mm OD

TUBE - air intake

1шт.

18

J916529

TRANSMISSION SLEEVE

HOSE - air intake tube to manifold cover, (Replaces J904422)

1шт.

19

J916166

INTAKE AIR HOSE

HOSE - turbocharger to air intake tube, (Replaces J901804)

1шт.

20

214-261

HOSE CLAMP,#40, 2.06" - 3", Type F Worm

CLAMP - adj, 2-1/16 - 3 inch, hose retaining, (No longer used, order Ref. 20A, Ref. J924386 clamp)

2шт.

20a

J924386

COLLAR CLAMP

CLAMP - adj, hose retaining, (Replaces J923580 clam)

2шт.

21

214-1528

HOSE CLAMP,#28, 1.31" - 2.25", Type F Worm, W/ Liner

CLAMP - adj. 1-5/16 - 2-1/4 inch hose retaining, (Replaces 214-258 clamp)

2шт.

22

J818823

STUD

- turbocharger mounting, (Must use with Ref. 23)

4шт.

23

J818824

FLANGE NUT

- hex, turbocharger mounting, (Must use with Ref. 22)

4шт.

24

222-993

GASKET,3/8 Tube, Fl, Copper

2шт.

Выбрано товаров: 25