Запчасти Case 1088 (3-02) - FUEL TANK AND STORAGE COMPARTMENT, P.I.N. FROM 19801 TO 20237, P.I.N FROM 106901 TO 106935 (03) - FUEL SYSTEM

Схема запчастей Case 1088 - (3-02) - FUEL TANK AND STORAGE COMPARTMENT, P.I.N. FROM 19801 TO 20237, P.I.N FROM 106901 TO 106935 (03) - FUEL SYSTEM
FIT
1:1
100%

Артикул

Название

Примечание

Количество

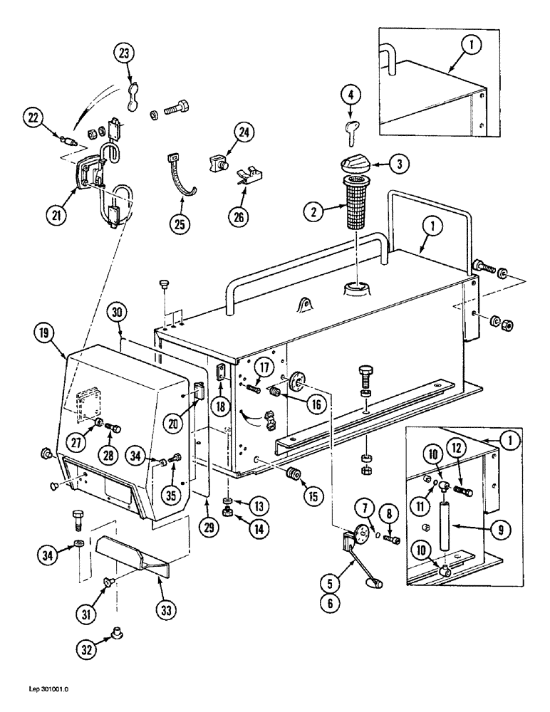
1

P1540282

FUEL TANK

ASSEMBLY - diesel engine

1шт.

2

P50537

FILTER BOWL

STRAINER - fuel

1шт.

3

P3237496

FILLER CAP

CAP - filler, fuel tank, (Order P3737440 and P1652004), Includes, Ref. 4, Serial Range: 19801-20110

1шт.

P8846020

SEAL

- filler cap

1шт.

4

P1352009

KEY

- set of two keys

1шт.

3

P3337451

FILLER CAP

CAP - filler, fuel tank, (Order P3737440 and P1652004), Includes, Ref. 4, Start Serial: 20111

1шт.

3

P3337451

FILLER CAP

CAP - filler, fuel tank, (Order P3737440 and P1652004), Start Serial: 106901

1шт.

P8846020

SEAL

- filler cap

1шт.

4

P1352009

KEY

- set of two keys

1шт.

5

P1941836

ELECTRICAL GAUGE

SENDING UNIT - electrical, fuel gauge, Includes, Ref. 6

1шт.

6

P8846063

SEAL

- fuel gauge

1шт.

7

P34703

WASHER

- lock, 4 mm

6шт.

8

P32530

SCREW

- slotted, 4 mm x 10 mm

6шт.

9

REF

INSTRUCTION

HOSE - sight gauge, fuel level, 9-13/16" long, cut from P3683, Serial Range: 19801-20207

1шт.

9

REF

INSTRUCTION

HOSE - sight gauge, fuel level, 9-13/16" long, cut from P3683, Serial Range: 106901-106902

1шт.

10

P1337053

FITTING

CONNECTOR - special, hose end, Serial Range: 19801-20207

2шт.

10

P1337053

FITTING

CONNECTOR - special, hose end, Serial Range: 106901-106902

2шт.

11

P5346094

SEAL

GASKET - connector to tank, Serial Range: 19801-20207

2шт.

11

P5346094

SEAL

GASKET - connector to tank, Serial Range: 106901-106902

2шт.

12

P730090

BANJO BOLT

BOLT - special, fuel hose connector, Serial Range: 19801-20207

2шт.

12

P730090

BANJO BOLT

BOLT - special, fuel hose connector, Serial Range: 106901-106902

2шт.

13

P146001

WASHER, SEALING

SEAL - plug

1шт.

14

P37495

PLUG

- tank drain

1шт.

15

P141485

GROMMET

- harness, large

1шт.

16

P3441418

GROMMET

- harness, small

1шт.

17

P32465

SCREW

- slotted hex, 10 mm x 25 mm

4шт.

18

P3523166

PLATE

- mounting

2шт.

19

P7128269

DOOR

ASSEMBLY - storage compartment, Includes, Ref. 20

1шт.

20

P73667

HINGE -, Serial Range: welded-door

2шт.

P3337440

PLUG

- plastic, grease

2шт.

21

P1352039

LOCK ASSY

HANDLE AND LOCK ASSEMBLY - door, (See T.I.N. 3166), Includes, Ref. 22 and 23

1шт.

22

P152083

LOCK, CYLINDER

CYLINDER AND KEY - lock, Includes, Ref. 23

1шт.

P1352009

KEY

- cylinder lock, set

1шт.

23

P2340499

DOOR COVER

COVER - cylinder protection

1шт.

24

P2036939

CLASP

RETAINER - tie strap

1шт.

25

P336923

CLAMP

TIE STRAP - harness, 4-5/8 inch

1шт.

26

P2036902

CLASP

CLIP - retainer, 1/8" - 1/4" range

1шт.

27

P3528799

WASHER

SPACER - bolt, 4 mm

4шт.

28

P32621

SCREW

BOLT - hex, 6 mm x 16 mm

4шт.

29

REF

INSTRUCTION

SEAL - door, 61 - 1/2" long, cut from P303167

1шт.

30

REF

INSTRUCTION

SEAL - door, right-hand side, 23 - 5/8" long, cut from P303167

1шт.

31

P35419

RIVET

RETAINER - bolt, sleeve type, 10 mm

1шт.

32

P35471

RIVET

RETAINER - bolt, sleeve type, 10 mm

2шт.

33

P3326374

HOOD

PANEL - door, inner

1шт.

34

P4328796

WASHER

SPACER - bolt, 7 mm thick

3шт.

Выбрано товаров: 45