Запчасти Case 1088 (4-28) - CAB HEATER, SCHNEEBELI - CHABAUD IF USED (04) - ELECTRICAL SYSTEMS

Схема запчастей Case 1088 - (4-28) - CAB HEATER, SCHNEEBELI - CHABAUD IF USED (04) - ELECTRICAL SYSTEMS
FIT
1:1
100%

Артикул

Название

Примечание

Количество

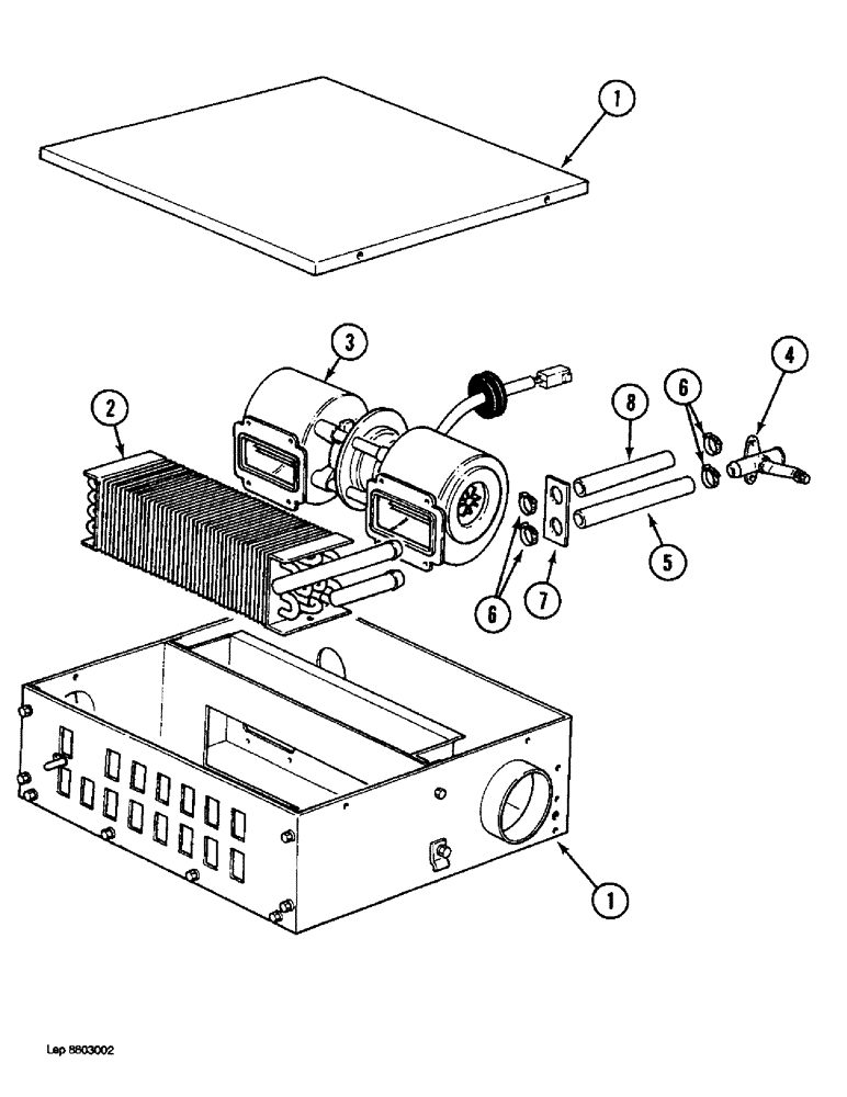
P1241896

HEATER

- cab, (Order P2341862, P936355, P4831326), Includes: Ref. 1 - 8

1шт.

1

NSS

NOT SOLD SEPARAT

HOUSING - heater

1шт.

2

P3743258

HEATER

CORE - heater

1шт.

3

P1941818

VENTILATOR

BLOWER ASSEMBLY - air cab

1шт.

4

P837861

COCK

VALVE - heater control

1шт.

5

P6731990

LARGE HOSE

HOSE - heater core

1шт.

6

P3036970

CLAMP

- heater core hose

4шт.

7

P9346022

SEAL

- core

1шт.

8

P6731991

LARGE HOSE

HOSE - heater core

1шт.

Выбрано товаров: 9