Запчасти Case 1088 (4-32) - CAB HEATER, SCHNEEBELI - CHABAUD IF USED (04) - ELECTRICAL SYSTEMS

Схема запчастей Case 1088 - (4-32) - CAB HEATER, SCHNEEBELI - CHABAUD IF USED (04) - ELECTRICAL SYSTEMS
FIT
1:1
100%

Артикул

Название

Примечание

Количество

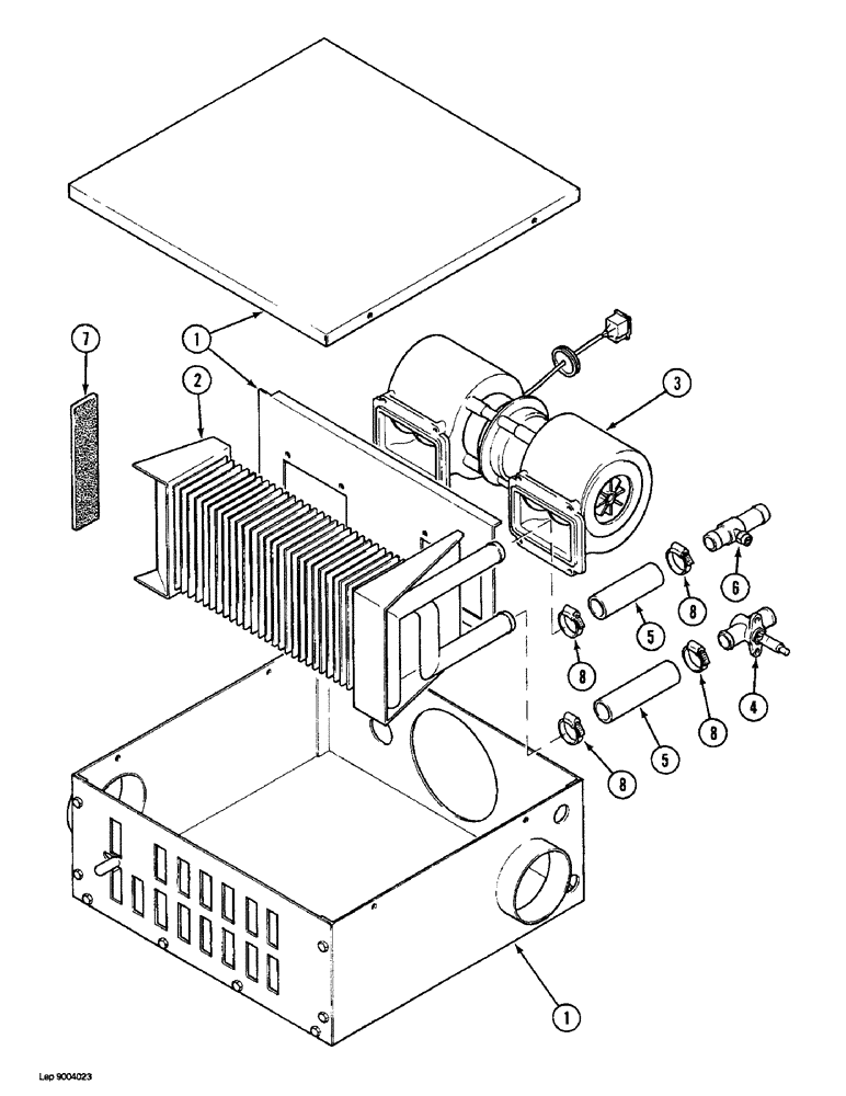
P1941849

HEATER ASSY.

HEATER - cab, (Order P2341862, see Figure 4-33A), Includes: Ref. 1 - 8

1шт.

1

NSS

NOT SOLD SEPARAT

HOUSING - heater

1шт.

2

P3743299

RADIATOR

CORE - heater

1шт.

3

P1941818

VENTILATOR

BLOWER ASSEMBLY - air cab

1шт.

4

P837866

COCK

VALVE - heater control

1шт.

5

REF

INSTRUCTION

HOSE - heater core, 3-3/4" long, cut from P3636

2шт.

6

P4837548

FITTING

- heater control

1шт.

7

REF

INSTRUCTION

SEAL - core, 6-1/8" long, cut from P3127

1шт.

8

P3036994

CLAMP

- heater core hose

4шт.

Выбрано товаров: 9