Запчасти Case 980 (152) - 4-SPOOL MAIN CONTROL VALVE (INSIDE) (07) - HYDRAULIC SYSTEM

Схема запчастей Case 980 - (152) - 4-SPOOL MAIN CONTROL VALVE (INSIDE) (07) - HYDRAULIC SYSTEM
FIT
1:1
100%

Артикул

Название

Примечание

Количество

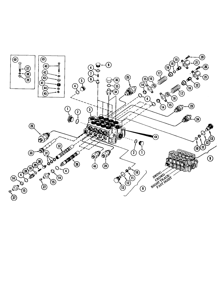
S510360

SPARE PART 4 spool main control (Inside)

1шт.

1

273916

PLUG,Hex, 1-5/16" - 12 ORB

2шт.

2

218-5010

O-RING,0.116" Thk x 1.171" ID, -916, Cl 6, 90 Duro

(1.403" OD)

2шт.

3

NSS

NOT SOLD SEPARAT

HOUSING

1шт.

4

A7623

O-RING,0.139" Thk x 0.984" ID, -214, Cl 5, 75 Duro

.934" ID x 1.403" OD

2шт.

5

S13707

PLUG

1шт.

6

S13716

VALVE POPPET

4шт.

7

S13715

SPRING

4шт.

8

S13714

PLUG

4шт.

9

S81690

PLUG

Port overload

2шт.

10

A30097

O-RING,0.549" ID x 0.755" OD x 0.103"

.750" OD

4шт.

11

S62373

OIL SEAL

RING, back up

4шт.

12

218-5010

O-RING,0.116" Thk x 1.171" ID, -916, Cl 6, 90 Duro

(1.403" OD)

4шт.

13

NSS

NOT SOLD SEPARAT

PLUG

4шт.

14

S62092

WIPER

8шт.

15

S13829

PLATE

Seal

8шт.

16

S62288

SEAT

Spring

8шт.

17

S62269

SPRING

4шт.

18

218-5006

O-RING,0.087" Thk x 0.644" ID, -908, Cl 6, 90 Duro

(.818" OD)

2шт.

19

S62290

BOLT

Special

1шт.

20

61-616

HEX SOC SCREW,3/8"-16 x 1"

8шт.

21

S62278

CAP

Plunger

4шт.

22

S62292

BOLT

Special

3шт.

23

REF

INSTRUCTION

CARTRIDGE, relief valve - set at 3000 PSI - (For breakdown, see figure 156)

1шт.

24

REF

INSTRUCTION

CARTRIDGE, relief valve - set at 2250 PSI - (For breakdown, see figure 154)

2шт.

25

REF

INSTRUCTION

CARTRIDGE, relief valve - set at 2500 PSI - (Same parts as other cartridges)

2шт.

26

NSS

NOT SOLD SEPARAT

PLUNGER

3шт.

27

166-25

12 PT SCREW,Flg, 5/16" - 18 x 7/8", Gr 8

Machine - 3/8" - 16 NC x 1/2"

8шт.

28

S62289

END

Plunger

1шт.

29

S62189

SPRING

1шт.

30

S62291

VALVE POPPET

1шт.

31

S7886

BACK-UP RING

3шт.

32

NSS

NOT SOLD SEPARAT

PLUNGER

1шт.

33

REF

INSTRUCTION

CARTRIDGE, main relief valve - (Set at 2500 PSI) - (For breakdown, see page 158)

1шт.

34

218-5077

HYD CONNECTOR,1-1/16" - 12 Male JIC x 1-5/16" - 12 Male ORB

2шт.

35

218-5010

O-RING,0.116" Thk x 1.171" ID, -916, Cl 6, 90 Duro

(1.403" OD)

2шт.

36

218-335

CAP,37 Degree, 1 1/16"-12

Female

2шт.

37

13-860

BOLT,Hex, 1/2" - 13 x 3-3/4", Gr 5

(Used on units with S/N 6203000 thru 6203568)

3шт.

38

92-8

LOCK WASHER,1/2"

(Used on units with S/N 6203000 thru 6203568)

3шт.

39

95-7

WASHER,7/16"

Flat - 1/2" - (Used on units with S/N 6203000 thru 6203568)

3шт.

40

13-876

BOLT,Hex, 1/2" - 13 x 4-3/4", Gr 5

(Used on units with S/N 6203569 and after)

3шт.

41

S49527

MOUNTING PARTS

Lord - (Used on units with S/N 6203569 and after)

3шт.

42

95-7

WASHER,7/16"

Flat - 1/2" - (Used on units with S/N 6203569 and after)

3шт.

43

S98895

WASHER

Flat - (Used on units with S/N 6203569 and after)

3шт.

44

92-8

LOCK WASHER,1/2"

(Used on units with S/N 6203569 and after)

3шт.

45

131-10

NUT,1/2"-13, GB

(Used on units with S/N 6203569 and after)

3шт.

46

S239214

VALVE

CARTRIDGE, port relief set at 3000 PSI

1шт.

Выбрано товаров: 47