Запчасти Case 980 (007A) - WATER PUMP, (504BDT) DIESEL ENGINE (01) - ENGINE

Схема запчастей Case 980 - (007A) - WATER PUMP, (504BDT) DIESEL ENGINE (01) - ENGINE
FIT
1:1
100%

Артикул

Название

Примечание

Количество

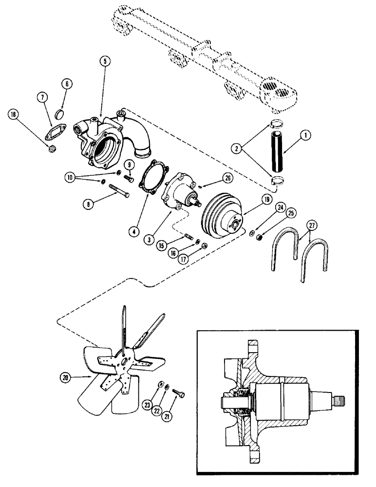
1

A58737

HOSE,30.99mm ID x 134.62mm L, SAE 20R4

HOSE - water pump by-pass (1-1/4" I.D. x 5-5/16")

1шт.

2

214-256

HOSE CLAMP,#20, 0.81" - 1.75", Type F Worm

CLAMP - hose, 1-3/16 to 1-3/4"

2шт.

3

A62974

PUMP

PUMP ASSY - water

1шт.

3

1342818C1R

REMAN-WATER PUMP

Remanufactured Water Pump

1шт.

3

A48335

CORE-WATER PUMP

Return Part Number, Water Pump

1шт.

4

A58646

GASKET

GASKET -, Serial Range: pump-body

1шт.

5

A60630

HOUSING

BODY ASSY - water pump

1шт.

6

A58568

PLUG,Cup, 1 3/8", Stainless

PLUG - cup (1-3/8")

1шт.

7

A58649

GASKET

GASKET -, Serial Range: body-block

1шт.

8

13-660

BOLT,Hex, 3/8" - 16 x 3-3/4", Gr 5

BOLT - 3/8 x 3-3/4" N.C. hex.

2шт.

9

13-618

BOLT,Hex, 3/8" - 16 x 1-1/8", Gr 5

BOLT, Hex, 3/8"-16 x 1 1/8", G5, Full Thd

2шт.

10

92-6

LOCK WASHER,3/8"

LOCK WASHER, 3/8"

4шт.

15

A62234

STUD

STUD - 3/8" N.C. x 1-5/16"

4шт.

16

193-30

LOCK WASHER,Int Tooth, 3/8"

WASHER, LOCK, Int Tooth, 3/8"

4шт.

17

25-146

JAM NUT,Jam, 3/8"-16, G5

NUT - 3/8" N.C. hex., jam

4шт.

18

221-5

DRAIN PLUG,Sq Hd, 1/4"-14 NPTF

PLUG - pipe, 3/4" sq. hd.

1шт.

19

A58650

PULLEY

PULLEY - fan driven

1шт.

20

D12906

FAN

FAN - 22", pusher

1шт.

20a

S513093

FAN

sucker, optional, not shown

1шт.

21

13-616

BOLT,Hex, 3/8" - 16 x 1", Gr 5, Full Thd

BOLT, Hex, 3/8"-16 x 1", G5, Full Thd

4шт.

22

92-6

LOCK WASHER,3/8"

LOCK WASHER, 3/8"

4шт.

23

95-6

WASHER,3/8"

WASHER - 7/16 x 1 x 5/64"

4шт.

24

A58651

WASHER

WASHER - fan driven pulley

1шт.

25

131-1106

LOCK NUT,1/2"-20, GB

NUT, LOCK, 1/2"-20, GB

1шт.

26

126-116

WOODRUFF KEY,#9, 3/16" x 3/4", HT

WOODRUFF KEY, #9, 3/16" x 3/4", HT

1шт.

27

S88836

SET OF BELTS,0.69" W x 60.00" L

V-Belt, Drive (Set of 2)

1шт.

Выбрано товаров: 0