Запчасти Case 980 (084) - ENGINE SHROUD (RIGHT SIDE) (05) - UPPERSTRUCTURE CHASSIS

Схема запчастей Case 980 - (084) - ENGINE SHROUD (RIGHT SIDE) (05) - UPPERSTRUCTURE CHASSIS
FIT
1:1
100%

Артикул

Название

Примечание

Количество

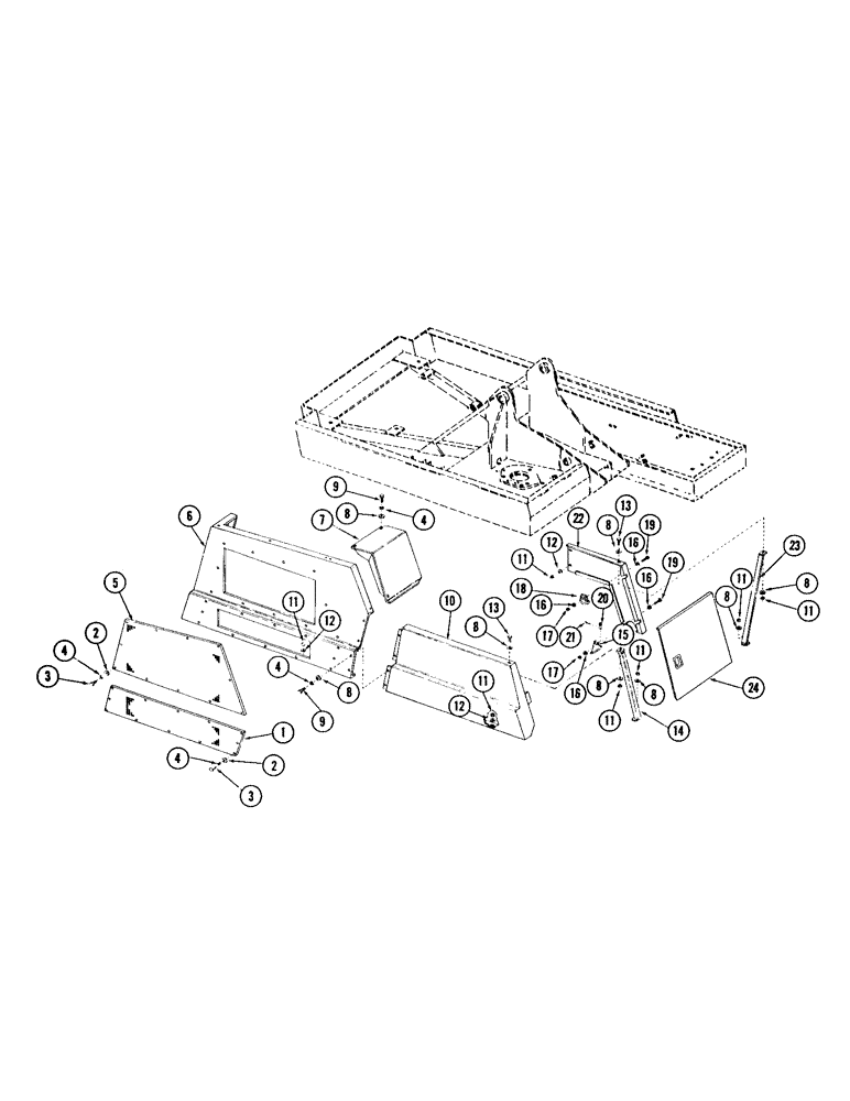
1

S604404

GRILLE

2шт.

2

S95569

WASHER

flat - 1/2"

42шт.

3

13-816

BOLT,Hex, 1/2" - 13 x 1", Gr 5, Full Thd

42шт.

4

92-8

LOCK WASHER,1/2"

49шт.

5

S604403

GRILLE

2шт.

6

S953407

SHROUD, side panel right rear

1шт.

7

S506958

SHROUD

1шт.

8

S86132

WASHER

flat - 1/2"

12шт.

9

13-820

BOLT,Hex, 1/2" - 13 x 1-1/4", Gr 5, Full Thd

7шт.

10

S604415

SHROUD, side panel right front

1шт.

11

131-10

NUT,1/2"-13, GB

NUT, LOCK, 1/2"-13, GB

15шт.

12

S95569

WASHER

flat - 1/2"

11шт.

13

18-822

BALL

CPSW - 1/2" - 13 NC x 1-3/8"

2шт.

14

S222532

BRACE

1шт.

15

S221453

BRACKET

lower door mounting

1шт.

16

S96099

WASHER

flat hardened - 3/8"

4шт.

17

131-6

LOCK NUT,3/8"-16, GC

NUT, self locking - 3/8" - 16 NC

4шт.

18

S221455

BRACKET

upper door mounting

1шт.

19

13-616

BOLT,Hex, 3/8" - 16 x 1", Gr 5, Full Thd

4шт.

20

S223024

PIN

1шт.

21

A70250

PIN

hair

1шт.

22

S506961

SHROUD, front door mounting

1шт.

23

S222532

BRACE

1шт.

24

S604400

DOOR, front

1шт.

Выбрано товаров: 24