Запчасти Case 980 (192) - FAST HOIST SOLENOID (05) - UPPERSTRUCTURE CHASSIS

Схема запчастей Case 980 - (192) - FAST HOIST SOLENOID (05) - UPPERSTRUCTURE CHASSIS
FIT
1:1
100%

Артикул

Название

Примечание

Количество

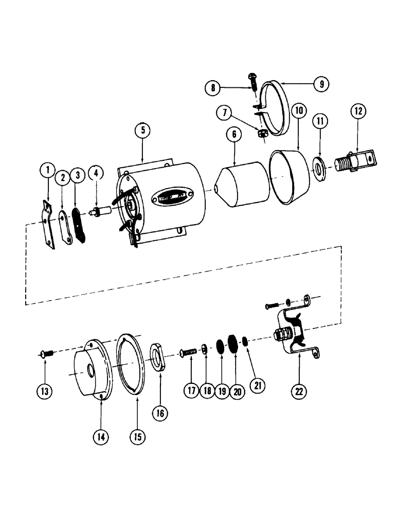
S223591

SOLENOID, switch

1шт.

1

S73266

SPRING

contact

1шт.

2

S73267

CONTACT

AND SUPPORT

1шт.

3

S73268

INSULATOR

contact

1шт.

4

S73269

ROD

push

1шт.

5

NSS

NOT SOLD SEPARAT

CASE AND COIL

1шт.

6

S73270

PLUNGER

1шт.

7

129-6

NUT,#8-32

1шт.

8

174-99

SCREW,Sl Rnd Hd, #10 - 32 x 5/8"

machine - No. 10 - 32 NF x 5/8"

1шт.

9

S73272

CLAMP, boot

1шт.

10

S73271

BOOT

plunger

1шт.

11

S96038

WASHER, spacer adjusting screw

1шт.

12

S73276

LINK

AND SCREW ASSEMBLY

1шт.

13

173-74

SCREW,Sl Rnd Hd, #8 - 32 x 5/16"

machine - No. 8 - 32 NC x 5/16"

2шт.

14

S73263

COVER

1шт.

15

S73264

GASKET

1шт.

16

S73265

GASKET

1шт.

17

173-77

SCREW,Sl Rnd Hd, #8 - 32 x 1/2"

machine - No. 8-32 NC x 1/2"

1шт.

18

192-6

LOCK WASHER,#8

WASHER, LOCK, #8

1шт.

19

195-10

WASHER,#8

flat - 3/16"

1шт.

20

S73274

WASHER

insulated

1шт.

21

S73275

WASHER

insulated

1шт.

22

S73273

BRACKET ASSEMBLY, terminal (Includes screw and washer)

1шт.

Выбрано товаров: 0