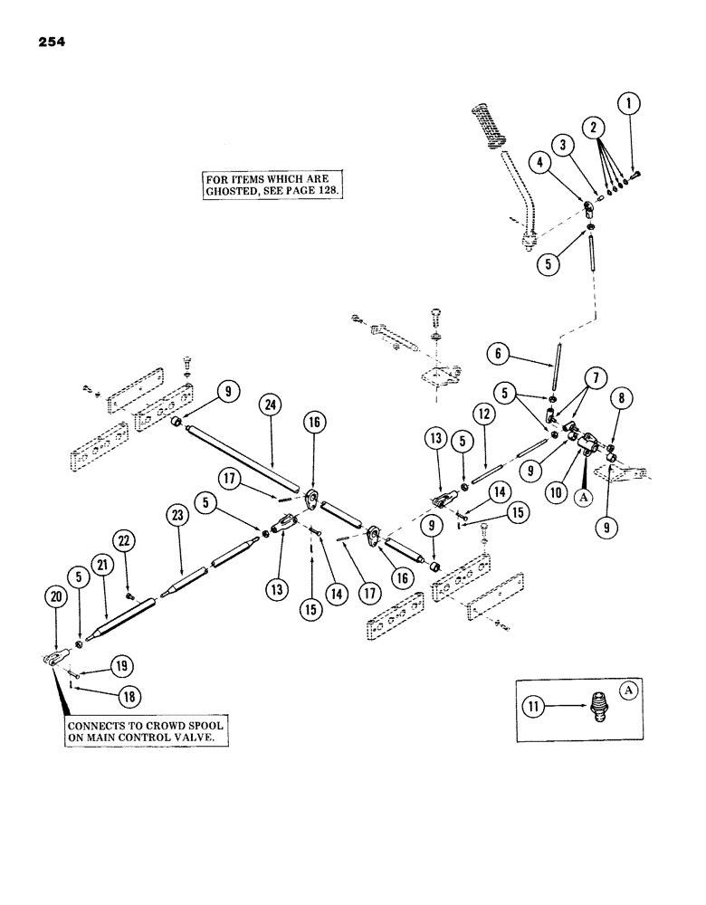
Запчасти Case 980B (254) - CROWD CONTROL HANDLE AND ATTACHING PARTS, (USED ON UNITS PRIOR TO PIN 6204051) (05) - UPPERSTRUCTURE CHASSIS

Схема запчастей Case 980B - (254) - CROWD CONTROL HANDLE AND ATTACHING PARTS, (USED ON UNITS PRIOR TO PIN 6204051) (05) - UPPERSTRUCTURE CHASSIS
FIT
1:1
100%

Артикул

Название

Примечание

Количество

1

114-21

CPSW - 1/4" - 28 NF x 1-1/2" Gr 8 Locking, 1/4"-28 x 1 1/2", G8

1шт.

2

S108041

SPACER

4шт.

3

S108042

SPACER

1шт.

4

S10803

BALLJOINT - (Replaces S108030)

1шт.

5

86585245

SPECIAL NUT,JAM, 5/8" - 18

jam - 3/8" - 24 NF

6шт.

6

S108056

STUD

1шт.

7

S215594

BALL

JOINT

2шт.

8

231-2446

NUT,3/8"-24, GB

NUT, self locking - 3/8" - 24 NC

2шт.

9

A30586

NEEDLE BEARING

BEARING, needle

4шт.

10

S231376

ARM ASSY.

BELLCRANK, Includes: Ref. 11

1шт.

11

219-10

LUBE NIPPLE,1/4" - 28 NPTF

FITTING, lube - 1/4" NPT - (straight)

1шт.

12

S87920

ROD

connecting

1шт.

13

S66383

YOKE

2шт.

14

S105940

PIN,11.02mm OD x 22.23mm L

clevis

2шт.

15

132-52

COTTER PIN,1/8" x 1 1/2"

Pin, Split (Cotter), 1/8" x 1 1/2"

2шт.

16

S237342

LEVER

- (Replaces S 229872)

2шт.

17

138-140

LOCK PIN,1/4" x 1 3/4", Slotted

PIN, 1/4" x 1 3/4", Slotted

2шт.

18

132-69

COTTER PIN,5/32" x 1"

PIN, cotter - 5/32" x 3/4" long

1шт.

19

S10767

PIN

clevis - 3/8" x .891" grip length

1шт.

20

213-4

ADJUSTABLE CLEVIS,3/8"-24 x 2 1/2"

YOKE

1шт.

21

S229518

ROD

connecting

1шт.

22

83-46

SET SCREW,Hex Soc, 1/4"-20 x 3/8"

SCREW, set - 1/4" - 20 NC x 3/8"

1шт.

23

S229509

ROD

connecting

1шт.

24

S229885

SHAFT

1шт.

Выбрано товаров: 24