Запчасти Case 980B (060) - ENGINE WIRING HARNESS, (USED ON UNITS WITH PIN 6204051 AND AFTER) (06) - ELECTRICAL SYSTEMS

Схема запчастей Case 980B - (060) - ENGINE WIRING HARNESS, (USED ON UNITS WITH PIN 6204051 AND AFTER) (06) - ELECTRICAL SYSTEMS
FIT
1:1
100%

Артикул

Название

Примечание

Количество

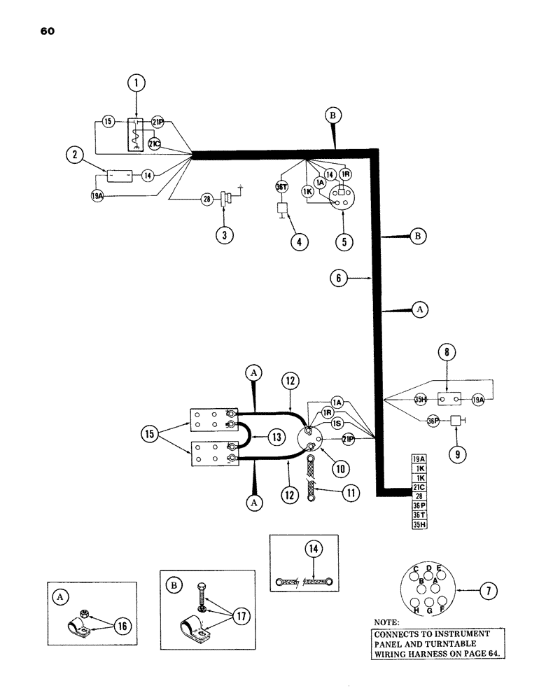
1

S219533

SOLENOID

RELAY

1шт.

2

S237284

RESISTOR

1шт.

3

REF

INSTRUCTION

COLD START - (OPTIONAL) (See Figure 68)

1шт.

4

S108396

SENDER UNIT

SENDING UNIT - engine temperature

1шт.

(P/N S108396) IS SW (334 AB) 3/8 PIPE.

1шт.

5

REF

INSTRUCTION

ALTERNATOR - 24 volt with regulator (See Figure 50)

1шт.

A41361

PULLEY

- alternator

1шт.

6

S614353

HARNESS

WIRING HARNESS - engine, Includes: Ref. 7

1шт.

7

S107265

PLUG

CONNECTOR - electrical, 8 contact

1шт.

8

S63884

SWITCH

- pressure (oil pressure)

1шт.

9

S108398

TRANSMITTER

SENDING UNIT - oil pressure

1шт.

10

REF

INSTRUCTION

STARTER - (See Figure 42)

1шт.

S115407

BOOT

- rubber

1шт.

11

S229640

CABLE

- ground, Serial Range: (starter-engine)

1шт.

12

S236999

CABLE PULLING GRIP

CABLE - battery, Serial Range: (starter-battery)

2шт.

13

S237885

NEG BATTERY CABLE

CABLE - battery, Serial Range: (battery-battery)

1шт.

14

S229640

CABLE

- ground, Serial Range: (engine-turntable)

1шт.

113-206

BOLT,Hex, 3/8" - 16 x 3/4", Gr 5, Full Thd

1шт.

195-525

WASHER,3/8", SAE

- flat 3/8"

2шт.

192-21

LOCK WASHER,3/8"

WASHER, LOCK, 3/8"

1шт.

131-52

NUT,3/8"-16, GC

NUT - lock - 3/8" NC hex

1шт.

15

A145205

WET BATTERY

- 12 volt

2шт.

P/N A145205 is dry.

1шт.

16

49885

CLAMP

5шт.

131-52

NUT,3/8"-16, GC

NUT - lock 3/8" NC hex

5шт.

17

R14668

CLAMP

2шт.

113-207

BOLT,Hex, 3/8" - 16 x 1", Gr 5

2шт.

192-21

LOCK WASHER,3/8"

WASHER, LOCK, 3/8"

2шт.

Выбрано товаров: 28