Запчасти Case 980B (020) - CYLINDER BLOCK, 504BDT DIESEL ENGINE, BLOCK HEATER (01) - ENGINE

Схема запчастей Case 980B - (020) - CYLINDER BLOCK, 504BDT DIESEL ENGINE, BLOCK HEATER (01) - ENGINE
FIT
1:1
100%

Артикул

Название

Примечание

Количество

A151233

CRANKCASE

BLOCK ASSY - short (includes stripped block, piston assy, connecting rods and bearings, crankshaft and bearings, camshaft and timing gears)(Replaces 098), Includes: Ref. 1 - 19

1шт.

AR151233

REMAN-SHORT ENGINE

Remanufactured, For N.A. Only

1шт.

AC151233

CORE-SHORT ENGINE

Return Number, For N.A. Only

1шт.

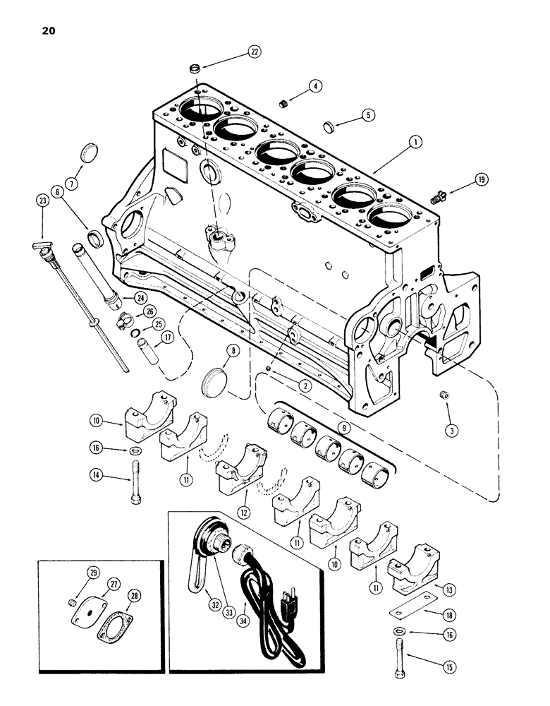
1

A46000

SKELETON ENGINE

BLOCK ASSY - stripped (Casting No. A66525), Includes: Ref. 2 - 19

1шт.

2

221-1849

PLUG

- oil gallery, 1/8" PT, socket head

6шт.

3

221-1843

PLUG

- oil gallery, 3/8" PT, socket head

3шт.

4

221-845

PLUG,Hex Soc, 3/4"-14

- 3/4" PT, socket head

1шт.

5

A58568

PLUG,Cup, 1 3/8", Stainless

- water gallery, 1-3/8" cup type (34.93 mm)

3шт.

6

A58569

PLUG,Cup, 2", Stainless

- heater hole, 2" cup type (50.8 mm)

1шт.

7

A24361

PLUG

- camshaft hole, 2-3/8" cup type (60.33 mm)

1шт.

8

41-1052

PLUG,Cup, 3 1/4"

- auxiliary drive hole, 3-1/4" cup type (82.55 mm) (See Ref. 27)

1шт.

9

A23544

BUSHING

SET - camshaft

1шт.

10

A58562

CAP

- main bearing, rear and intermediate (wide)

2шт.

11

A58563

CAP

- main bearing, intermediate (narrow)

3шт.

12

A58564

CAP

- main bearing, center, thrust (wide)

1шт.

13

A58561

CAP

- main bearing, front (wide)

1шт.

14

A66948

STEP BOLT

BOLT - bearing caps, 5/8" NC x 5

12шт.

15

A66949

STEP BOLT

BOLT - front bearing cap, 5/8" NC x 7-1/4"

2шт.

16

A58629

BEARING WASHER,16.66mm ID x 25.4mm OD x 3.04mm Thk

WASHER - bearing cap bolts, 5/8 x 1 x 1/8" (15.88 x 25.4 x 3.18 mm)

14шт.

17

A34540

TUBE

- oil filler and dipstick

1шт.

18

A58859

SHIM,.005" Thk

Oil pump (0.13 mm) .005" Thk

1шт.

19

A23656

COCK, DRAIN

VALVE - drain, water

1шт.

22

41-1022

PLUG,Cup, 1 3/8"

- tachometer drive hole, 1-3/8" cup type (34.93 mm)

1шт.

23

A67028

DIPSTICK

- oil gauge

1шт.

24

A65778

TUBE

- extension, oil filler and dipstick

1шт.

25

A27343

BUSHING

O-RING - extension tube, 1-1/8 x 1-3/8 x 1/8" (28.58 x 34.93 x 3.18 mm)

1шт.

26

214-256

HOSE CLAMP,#20, 0.81" - 1.75", Type F Worm

CLAMP - extension tube, 1-3/8" to 1-3/8" (34.93 to 44.45 mm)

1шт.

27

A58891

COVER

- auxiliary drive hole (used in production)

1шт.

28

A58617

GASKET

- drive hole cover

1шт.

29

221-843

PLUG,Hex Soc, 3/8"-18

- cover, 3/8" PT, socket head

1шт.

A44812

HEATER

ASSY, Includes: Ref. 32 - 34

1шт.

32

NSS

NOT SOLD SEPARAT

ELEMENT - heater, block

1шт.

33

A7156

O-RING,0.139" Thk x 1.734" ID, -224, Cl 6, 90 Duro

- 1-3/4 x 2 x 1/8" (44.45 x 50.8 x 3.18 mm), block heater

1шт.

34

A44813

CABLE EXTENSION

CORD ASSY - 12" long (304.8 mm), block heater

1шт.

Выбрано товаров: 34