Запчасти Case 980B (070) - CASE 504BDT DIESEL ENGINE MOUNTING PARTS (01) - ENGINE

Схема запчастей Case 980B - (070) - CASE 504BDT DIESEL ENGINE MOUNTING PARTS (01) - ENGINE
FIT
1:1
100%

Артикул

Название

Примечание

Количество

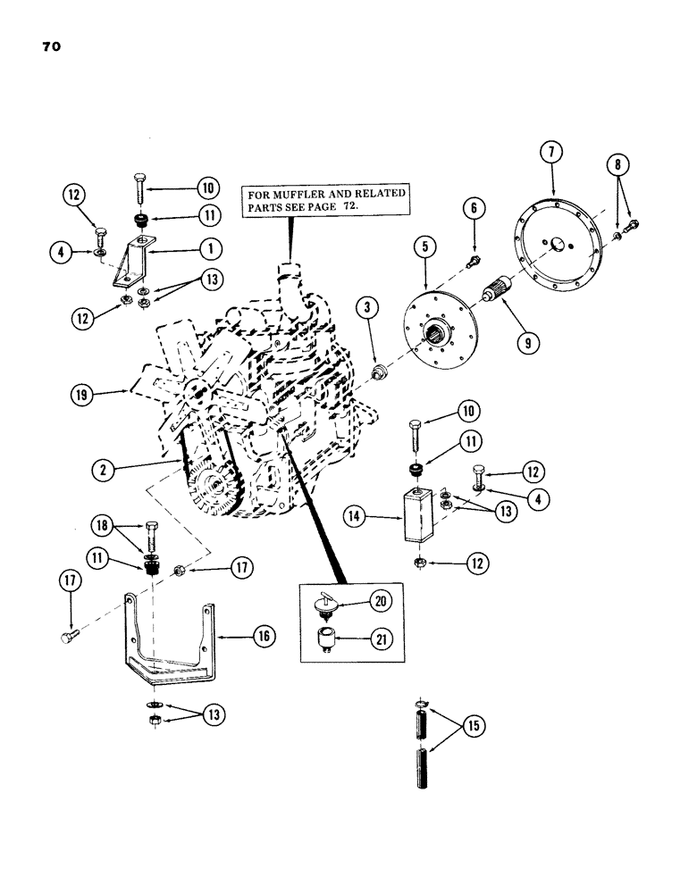
1

S232813

BRACKET - engine mounting (LEFT HAND)

1шт.

2

S88836

SET OF BELTS,0.69" W x 60.00" L

V-Belt, Alternator (Matched set of 2) (Used on units prior to PIN 6204051) 0.69" W x 60.00" L

1шт.

S104812

SET OF BELTS,0.69" W x 58.00" L

V-Belt, Alternator (Matched set of 2) (Used on units with PIN 6204051 and after) 0.69" W x 58.00" L

1шт.

3

S87483

ADAPTER

1шт.

4

S94643

WASHER,19.43mm ID x 38.1mm OD x 6.35mm Thk

2шт.

5

S33201

DAMPER

ASSY

1шт.

S33201 has has 10 internal splines, ref 9, S63201 has 10 external splines. If unit has 13 spline set up, ref 5 is then S515001, ref 9 is S229599 and ref 3 is eliminated. See 1080b catalog.

1шт.

6

121-204

BOLT,Lock Place, Hex, 3/8" - 16 x 5/8", Gr 8

- 3/8" x 3/8" NC hex (Grade 5)

8шт.

7

S52615

MOUNTING PARTS

MOUNTING - main hydraulic pump

1шт.

8

113-207

BOLT,Hex, 3/8" - 16 x 1", Gr 5

9шт.

113-208

BOLT,Hex, 3/8" - 16 x 1-1/4", Gr 5

3шт.

192-21

LOCK WASHER,3/8"

WASHER, LOCK, 3/8"

12шт.

9

S63201

COUPLING

1шт.

10

13-1280

BOLT,Hex, 3/4" - 10 x 5", Gr 5

2шт.

11

S112578

MOUNTING PARTS

MOUNT - rubber - (Replaces a 19066)

3шт.

12

26-1248

BOLT,Hex, 3/4" - 10 x 3", Gr 8

2шт.

131-450

NUT,3/4"-10

NUT - lock 3/4" NC hex (Grade 5)

2шт.

13

195-2270

WASHER,13/16" x 3" x .238", HDN

- snubbing

3шт.

131-450

NUT,3/4"-10

NUT - 3/4" NC hex

3шт.

14

S232812

BRACKET - engine mounting (RIGHT HAND)

1шт.

15

S202581

HYDRAULIC HOSE,1.00" ID Bulk, SAE 100R3

- 35" long (889 mm) 1.00" ID Bulk, SAE 100R3

1шт.

214-256

HOSE CLAMP,#20, 0.81" - 1.75", Type F Worm

CLAMP - hose

1шт.

16

S230397

BRACKET - front engine mounting

1шт.

17

13-1248

BOLT,Hex, 3/4" - 10 x 3", Gr 5

4шт.

131-450

NUT,3/4"-10

NUT - lock 3/4" NC hex

4шт.

18

13-1268

BOLT,Hex, 3/4" - 10 x 4-1/4", Gr 5

- 3/4" x 4-1/4" NC hex (Grade 5)

1шт.

195-45

WASHER,3/4"

1шт.

19

A15520

FAN

- pusher

1шт.

113-207

BOLT,Hex, 3/8" - 16 x 1", Gr 5

4шт.

192-21

LOCK WASHER,3/8"

WASHER, LOCK, 3/8"

4шт.

S513093 Suction Fan

1шт.

20

S236763

PLUG

- filler - (used on units with PIN 6204051 and after)

1шт.

21

S236764

PIPE

- filler - (used on units with PIN 6204051 and after)

1шт.

Выбрано товаров: 33