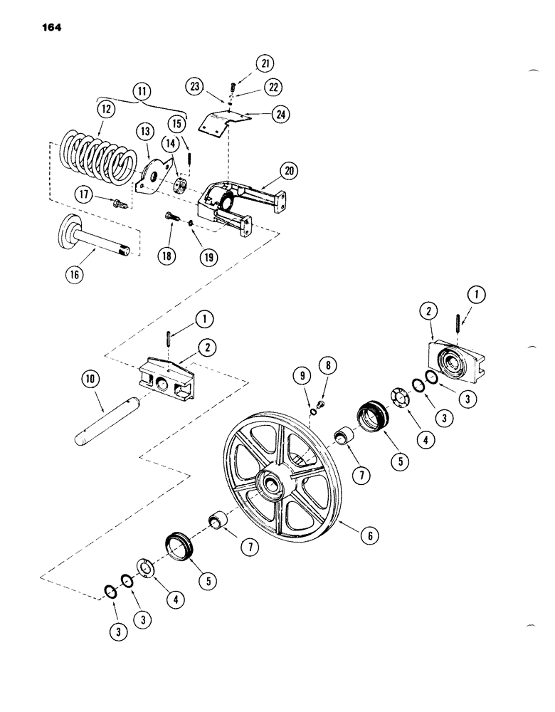
Запчасти Case 980B (164) - IDLER WHEEL AND TRACK ADJUSTER (04) - UNDERCARRIAGE

Схема запчастей Case 980B - (164) - IDLER WHEEL AND TRACK ADJUSTER (04) - UNDERCARRIAGE
FIT
1:1
100%

Артикул

Название

Примечание

Количество

S504106

FRONT IDLER

WHEEL, idler - (order components), Includes: Ref. 1 - 10

2шт.

1

138-210

LOCK PIN,1/2" x 3", Slotted

PIN, roll - 33/64" x 2" long

2шт.

2

S600594

BLOCK

guide

2шт.

3

A14506

O-RING,0.139" Thk x 2.234" ID, -228, Cl 5, 75 Duro

"O-RING" - 2.234" ID x 2.500" OD

4шт.

4

S78702

WASHER

2шт.

5

S209139

SEAL

SET

2шт.

6

S504107

RIM

WHEEL, idler, Includes: Ref. 7

1шт.

7

S78703

BUSHING

2шт.

8

87035062

PLUG,Hex, 1/2"-20 ORB

Pipe, Includes Ref. 9 Hex Soc, 1/2"-20 ORB

1шт.

9

218-5004

O-RING,0.072" Thk x 0.414" ID, -905, Cl 6, 90 Duro

5-1, 90 Duro, .414" ID x .072" Thk

1шт.

10

S78699

SHAFT

idler

1шт.

11

S504108

SPRING

ASSEMBLY - (used on units prior to PIN 6203831), Includes: Ref. 12 - 16

2шт.

S511656

SPRING

ASSEMBLY - (used on units with PIN 6203831 and after), Includes: Ref. 12 - 16

2шт.

12

S215129

SPRING

- (used on units prior to PIN 6203831)

1шт.

S232895

SPRING

- (used on units with PIN 6203831 and after)

1шт.

13

S215128

LARGE PLATE

PLATE, end - (used on units prior to PIN 6203831)

1шт.

S232915

LARGE PLATE

PLATE, end - (used on units with PIN 6203831 and after)

1шт.

14

25-1224

SLOTTED NUT,1 1/2"-6, G5

NUT - 1-1/2" NC

1шт.

SHOULD BE p/n S87010.

1шт.

15

138-143

LOCK PIN,1/4" x 2 1/4", Slotted

PIN, roll - 1/4" x 1-7/8" long

1шт.

16

S215127

GUIDE

spring - (used on units prior to PIN 6203831)

1шт.

S232916

GUIDE

spring - (used on units with PIN 6203831 and after)

1шт.

17

13-1028

BOLT,Hex, 5/8" - 11 x 1-3/4", Gr 5, Full Thd

4шт.

18

113-410

BOLT,Hex, 1/2" - 13 x 1-1/2", Gr 5, Full Thd

(Yoke to guide blocks) Hex, 1/2"-13 x 1 1/2", G5, Full Thd

8шт.

19

192-23

LOCK WASHER,1/2"

WASHER, LOCK, 1/2"

8шт.

20

S600551

YOKE

idler

2шт.

21

113-207

BOLT,Hex, 3/8" - 16 x 1", Gr 5

4шт.

22

192-21

LOCK WASHER,3/8"

WASHER, LOCK, 3/8"

4шт.

23

195-103

WASHER,5/16"

flat - 3/8"

4шт.

24

S504059

COVER

yoke

2шт.

Выбрано товаров: 30