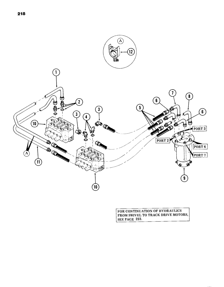
Запчасти Case 980B (218) - TRACK DRIVE MOTOR TUBING FROM VALVE TO SWIVEL, (USED ON UNITS PRIOR TO PIN 6204051) (04) - UNDERCARRIAGE

Схема запчастей Case 980B - (218) - TRACK DRIVE MOTOR TUBING FROM VALVE TO SWIVEL, (USED ON UNITS PRIOR TO PIN 6204051) (04) - UNDERCARRIAGE
FIT
1:1
100%

Артикул

Название

Примечание

Количество

1

S231146

LINE, hydraulic 1.25" OD

1шт.

2

218-5069

HYD CONNECTOR,1-5/16" - 12 Male JIC x 1-5/16" - 12 Male ORB

CONNECTOR - (1" tube) - 1-5/16" - 12 male x 1-5/16" - 12 male - 37 degrees flared

2шт.

218-5005

O-RING,0.078" Thk x 0.468" ID, -906, Cl 6, 90 Duro

"O" RING 0 1.171" ID x 1.403" OD

2шт.

3

218-5234

ELBOW,90 Degree, 1 5/16"-12, 37 Degree x 1 5/16"-12, 37 Degree Fem Sw

90 degrees swivel - (1" tube) - 1-5/16" -12 male x 5/16" - 12 female - 37 degrees flared

2шт.

4

218-5140

45 ELBOW,45 Degree Elbow, 1-5/16" - 12 Male JIC x 1-5/16" - 12 Male ORB

45 degrees adjustable - (1" tube) - 1-5/16" - 12 male x 1-5/16" - 12 male - 37 degrees flared

2шт.

218-5005

O-RING,0.078" Thk x 0.468" ID, -906, Cl 6, 90 Duro

"O" RING - 1.171" ID x 1.403" OD

2шт.

5

S8628

HOSE

high pressure - 1" ID x 36" long - (with 1-5/16" - 12 female pressed on couplings)

4шт.

6

S229131

TUBE,1" OD x 3.91, 6.06" L

LINE, hydraulic

2шт.

7

S229158

LINE, hydraulic

1шт.

8

S229157

TUBE,1" OD x 7.62, 8.75" L

LINE, hydraulic

1шт.

9

REF

INSTRUCTION

SWIVEL, 7-port hydraulic - (for breakdown, see Figure 324)

1шт.

10

REF

INSTRUCTION

VALVE, 4-spool main control - (for breakdown, see Figures 284 or 286)

2шт.

11

S510971

LINE, hydraulic 1.25" OD x 25.93, 13.99" L

1шт.

12

S93266

CLAMP

1шт.

Выбрано товаров: 14