Запчасти Case 980B (228) - TRACK DRIVE MOTOR (04) - UNDERCARRIAGE

Схема запчастей Case 980B - (228) - TRACK DRIVE MOTOR (04) - UNDERCARRIAGE
FIT
1:1
100%

Артикул

Название

Примечание

Количество

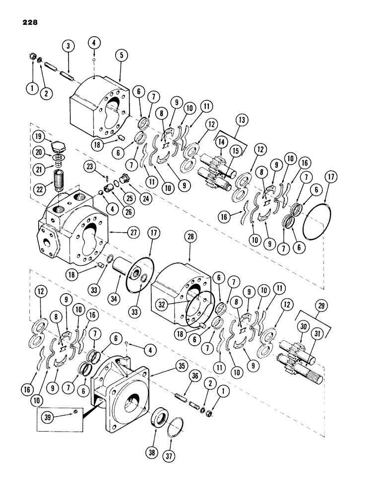
S511216

MOTOR

track drive, Includes: Ref. 1 - 39

2шт.

1

L32829

NUT

16шт.

2

A39046

WASHER,13.11mm ID x 22.23mm OD x 3.34mm Thk

16шт.

3

S109072

STUD, rear section

8шт.

4

211-7

BALL,1/4" Dia

4шт.

Part of rear section kit, P/N S109078

1шт.

Part of front section kit, P/N S109077

1шт.

5

S109070

BODY

rear section

1шт.

Part of rear section kit, P/N S109078

1шт.

L32840

BUSHING

- (NOT ILLUSTRATED)

2шт.

6

S113612

O-RING

"O" RING

8шт.

Part of rear section kit, P/N S109078

1шт.

Part of pressure balance kit, P/N S109079

1шт.

Part of front section kit, P/N S109077

1шт.

7

S113607

OIL SEAL

RING, back up

8шт.

Part of rear section kit, P/N S109078

1шт.

Part of pressure balance kit, P/N S109079

1шт.

Part of front section kit, P/N S109077

1шт.

8

S113609

SEPARATOR

center

4шт.

Part of rear section kit, P/N S109078

1шт.

Part of front section kit, P/N S109077

1шт.

9

S113608

SEPARATOR

end

8шт.

Part of rear section kit, P/N S109078

1шт.

Part of front section kit, P/N S109077

1шт.

10

S108887

STRAP

STRIP, sealing

8шт.

Part of rear section kit, P/N S109078

1шт.

Part of pressure balance kit, P/N S109079

1шт.

Part of front section kit, P/N S109077

1шт.

11

S108884

LARGE PLATE

PLATE, isolation - (BOTTOM)

4шт.

Part of rear section kit, P/N S109078

1шт.

Part of front section kit, P/N S109077

1шт.

12

S98638

PLATE

pressure

4шт.

Part of rear section kit, P/N S109078

1шт.

Part of front section kit, P/N S109077

1шт.

13

S109081

KIT

rear gear, Includes: Ref. 14 and 15

1шт.

Part of rear section kit, P/N S109078

1шт.

14

NSS

NOT SOLD SEPARAT

GEAR, idler

1шт.

15

NSS

NOT SOLD SEPARAT

GEAR, drive

1шт.

16

S108885

LARGE PLATE

PLATE, isolation - (TOP)

4шт.

Part of rear section kit, P/N S109078

1шт.

Part of front section kit, P/N S109077

1шт.

17

S113611

O-RING

"O" RING

2шт.

Part of rear section kit, P/N S109078

1шт.

Part of pressure balance kit, P/N S109079

1шт.

Part of front section kit, P/N S109077

1шт.

18

D41414

PIN

DOWEL

6шт.

Part of rear section kit, P/N S109078

1шт.

Part of front section kit, P/N S109077

1шт.

19

218-5161

PLUG,Hex Hd, 1 5/8"-12 ORB

2шт.

Part of rear section kit, P/N S109078

1шт.

20

218-5011

O-RING,0.118" Thk x 1.475" ID, -920, Cl 6, 90 Duro

"O" RING

2шт.

Part of rear section kit, P/N S109078

1шт.

21

S98718

SPRING

2шт.

Part of rear section kit, P/N S109078

1шт.

22

S109075

PISTON

2шт.

Part of rear section kit, P/N S109078

1шт.

23

138-19

Pin, 5/64" x 7/16", Slotted 5/64" x 7/16", Slotted

2шт.

Part of rear section kit, P/N S109078

1шт.

24

76349

PLUG,9/16" - 18 ORB

2шт.

Part of rear section kit, P/N S109078

1шт.

25

218-5005

O-RING,0.078" Thk x 0.468" ID, -906, Cl 6, 90 Duro

6-1, 90 Duro, .468" ID x .078" Thk

2шт.

Part of rear section kit, P/N S109078

1шт.

26

S98720

SEAT

2шт.

Part of rear section kit, P/N S109078

1шт.

27

S109074

PLATE, bearing

1шт.

Part of rear section kit, P/N S109078

1шт.

L32840

BUSHING

- (NOT ILLUSTRATED)

2шт.

28

S109069

BODY

front section

2шт.

Part of front section kit, P/N S109077

1шт.

L32480

BUSHING

- (NOT ILLUSTRATED)

1шт.

29

S109080

GEAR

KIT, front gear, Includes: Ref. 30 and 31

1шт.

Part of front section kit, P/N S109077

1шт.

30

NSS

NOT SOLD SEPARAT

GEAR, idler

1шт.

31

NSS

NOT SOLD SEPARAT

GEAR, drive

1шт.

32

S113610

O-RING

"O" RING

1шт.

Part of pressure balance kit, P/N S109079

1шт.

Part of seal kit, P/N L35781

1шт.

Part of front section kit, P/N S109077

1шт.

33

A36277

SNAP RING,1.125", Int, #112

2шт.

Part of rear section kit, P/N S109078

1шт.

Part of seal kit, P/N L35781

1шт.

Part of front section kit, P/N S109077

1шт.

34

S109076

COUPLING

spline

1шт.

Part of rear section kit, P/N S109078

1шт.

Part of seal kit, P/N L35781

1шт.

Part of front section kit, P/N S109077

1шт.

35

S109073

FLANGE

mounting

1шт.

Part of seal kit, P/N L35781

1шт.

Part of front section kit, P/N S109077

1шт.

L32840

BUSHING

- (NOT ILLUSTRATED)

2шт.

Part of seal kit, P/N L35781

1шт.

36

S109071

STUD

front section

8шт.

Part of seal kit, P/N L35781

1шт.

37

D41419

RING

snap

1шт.

Part of seal kit, P/N L35781

1шт.

Part of front section kit, P/N S109077

1шт.

38

S98646

SEAL

1шт.

Part of seal kit, P/N L35781

1шт.

Part of front section kit, P/N S109077

1шт.

39

L35776

PLUG

seal drain

2шт.

Part of front section kit, P/N S109077

1шт.

40

L35781

O-RING,4-1/4" ID x 4-7/16" OD x 3/32"

KIT, seal, Includes: Ref. 32 and 38)

1шт.

SHOULD BE S98651 AND SUBS TO L35781 O-RING AND S98646 SEAL PER T/S 70-82.

1шт.

41

S109077

VALVE BLOCK

KIT, front section, Includes: Ref. 4, 6 thru 12, 16 thru 18, 28, 29, 32 thru 35 and 37 thru 39)

1шт.

42

S109078

VALVE BLOCK

KIT, rear section, Includes: Ref. 4 thru 13, 16 thru 27, 33 and 34)

1шт.

43

S109079

KIT

pressure balance - (consists of items 6, 7, 10, 17 and 32)

1шт.

Выбрано товаров: 106