Запчасти Case 980B (236) - SWING BRAKE (04) - UNDERCARRIAGE

Схема запчастей Case 980B - (236) - SWING BRAKE (04) - UNDERCARRIAGE
FIT
1:1
100%

Артикул

Название

Примечание

Количество

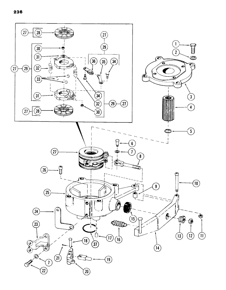
S609891

BRAKE

swing, Includes: Ref. 1 - 36

1шт.

1

113-417

BOLT,Hex, 1/2" - 13 x 1-1/4", Gr 5, Full Thd

4шт.

2

192-23

LOCK WASHER,1/2"

WASHER, LOCK, 1/2"

4шт.

3

S507605

COVER

1шт.

4

S510271

SHAFT

splined coupling

1шт.

5

R16289

SNAP RING,1.06", Int, #106

Ring, Snap, 1.06", Int, #106

1шт.

6

S66646

BOLT,5/16" x 3/4"

shoulder

1шт.

7

192-21

LOCK WASHER,3/8"

WASHER, LOCK, 3/8"

3шт.

8

S64912

YOKE

plain

1шт.

9

S64921

BUSHING

1шт.

10

S64920

BOLT,5/16" x 2"

shoulder

1шт.

11

131-205

LOCK NUT,5/16"-18

NUT, self locking - 5/16" - 18 NC

1шт.

12

86585245

SPECIAL NUT,JAM, 5/8" - 18

jam - 3/8" - 24 NF

1шт.

13

S61911

NUT, ball seat

1шт.

14

S203304

LEVER

brake

1шт.

15

S64913

BOOT

dust

1шт.

16

S202938

SPRING

lever return

1шт.

17

S64915

DOWEL

1шт.

18

S10717

PIN

clevis - 1/4" x 1.01" grip length

2шт.

19

S64910

PLUNGER

cable

1шт.

20

S2300202

LEVER, cable

1шт.

21

132-24

COTTER PIN,3/32" x 1/2"

PIN, SPLIT (COTTER), 3/32" x 1/2"

2шт.

22

113-207

BOLT,Hex, 3/8" - 16 x 1", Gr 5

2шт.

23

S510472

BRACKET

cable mounting

1шт.

24

S230205

BRACKET

1шт.

25

S609335

HOUSING

brake

1шт.

26

61-620

HEX SOC SCREW,3/8"-16 x 1 1/4"

CPSW - 3/8" - 16 NC x 1-1/4" Gr 8 - (socket head)

3шт.

27

S510342

BRAKE

DISC ASSEMBLY, Includes: Ref. 28 - 36

1шт.

28

S229281

DISC

middle

2шт.

29

S216242

CLUTCH DISC

ACTUATING DISC ASSEMBLY, Includes: Ref. 30 - 36

1шт.

30

86637933

JAM NUT,5/16" - 24, Gr 5

2шт.

31

S68704

DISC

actuating

2шт.

32

S68705

SPRING

2шт.

33

S68703

BALL

- (3/4" diameter)

3шт.

34

S105785

STUD

2шт.

35

S68707

LINK

1шт.

36

S68706

LINK

yoke

1шт.

37

S238616

GASKET

swing brake

1шт.

Выбрано товаров: 38